TYAN COMPUTER CORPORATION
S1684S
Device Type |
Mainboard |
Processor |
Pentium Pro/Pentium II |
Processor Speed |
150/166/180/200/233/266/300MHz |
Chip Set |
Intel |
Video Chip Set |
None |
Maximum Onboard Memory |
768MB (EDO supported) |
Maximum Video Memory |
None |
Cache |
256/512KB (located on Pentium Pro/Pentium II CPU) |
BIOS |
AMI, Award |
Dimensions |
305mm x 244mm |
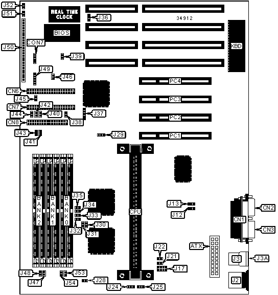
I/O Options |
32-bit PCI slots (4), floppy drive interface, green PC connector, IDE interfaces (2), parallel port, PS/2 mouse port, serial ports (2), IR connector, USB connectors (2), ATX power connector |
NPU Options |
None |
CONNECTIONS | |||
Purpose |
Location |
Purpose |
Location |
ATX power connector |
ATX |
CPU fan fail warning |
J28 |
Parallel port |
CN1 |
IDE interface LED |
J39 |
Serial port 2 |
CN2 |
Soft off power supply |
J45 |
Serial port 1 |
CN3 |
Keylock |
J49/pins 4 & 5 |
IDE interface 2 |
CN6 |
Soft off power supply |
J50/pins 1 & 2 |
IDE interface 1 |
CN7 |
Green PC connector |
J50/pins 3 & 4 |
Floppy drive interface |
CN8 |
IR connector |
J50/pins 8 - 10 |
PS/2 mouse port |
J2 |
IDE interface LED |
J50/pins 15 & 16 |
USB connector 1 |
J3 |
Power LED |
J50/pins 18 - 20 |
USB connector 2 |
J3A |
Reset switch |
J50/pins 22 & 23 |
CPU fan power |
J24 |
Speaker |
J50/pins 24 - 27 |
CPU fan power |
J25 |
32-bit PCI slots |
PC1 – PC4 |
USER CONFIGURABLE SETTINGS | |||
Function |
Label |
Position | |
» |
Factory configured - do not alter |
CON7 |
Unidentified |
Serial port used as serial port |
J12 |
Pins 1 & 2 closed | |
Serial port used as IR connector |
J12 |
Pins 2 & 3 closed | |
» |
Factory configured - do not alter |
J13 |
Unidentified |
» |
Factory configured - do not alter |
J17 |
Unidentified |
» |
Factory configured - do not alter |
J21 |
Unidentified |
» |
Factory configured - do not alter |
J22 |
Unidentified |
» |
Factory configured - do not alter |
J29 |
Unidentified |
» |
Flash BIOS voltage select 5v |
J36 |
Pins 1 & 2 closed |
Flash BIOS voltage select 12v |
J36 |
Pins 2 & 3 closed | |
» |
Factory configured - do not alter |
J46 |
Unidentified |
» |
Factory configured - do not alter |
J51 |
Unidentified |
» |
CMOS memory normal operation |
J52 |
Open |
CMOS memory clear |
J52 |
Closed | |
» |
Factory configured - do not alter |
J53 |
Unidentified |
» |
Factory configured - do not alter |
J54 |
Unidentified |
SIMM CONFIGURATION | |||
Size |
Bank 0 |
Bank 1 |
Bank 2 |
8MB |
(2) 1M x 36 |
None |
None |
16MB |
(2) 1M x 36 |
(2) 1M x 36 |
None |
16MB |
(2) 2M x 36 |
None |
None |
24MB |
(2) 1M x 36 |
(2) 1M x 36 |
(2) 1M x 36 |
32MB |
(2) 2M x 36 |
(2) 2M x 36 |
None |
32MB |
(2) 4M x 36 |
None |
None |
48MB |
(2) 2M x 36 |
(2) 2M x 36 |
(2) 2M x 36 |
64MB |
(2) 4M x 36 |
(2) 4M x 36 |
None |
64MB |
(2) 8M x 36 |
None |
None |
96MB |
(2) 4M x 36 |
(2) 4M x 36 |
(2) 4M x 36 |
128MB |
(2) 8M x 36 |
(2) 8M x 36 |
None |
128MB |
(2) 16M x 36 |
None |
None |
136MB |
(2) 16M x 36 |
(2) 1M x 36 |
None |
144MB |
(2) 16M x 36 |
(2) 1M x 36 |
(2) 1M x 36 |
144MB |
(2) 16M x 36 |
(2) 2M x 36 |
None |
160MB |
(2) 16M x 36 |
(2) 2M x 36 |
(2) 2M x 36 |
160MB |
(2) 16M x 36 |
(2) 4M x 36 |
None |
192MB |
(2) 16M x 36 |
(2) 4M x 36 |
(2) 4M x 36 |
192MB |
(2) 16M x 36 |
(2) 8M x 36 |
None |
192MB |
(2) 8M x 36 |
(2) 8M x 36 |
(2) 8M x 36 |
256MB |
(2) 16M x 36 |
(2) 8M x 36 |
(2) 8M x 36 |
256MB |
(2) 16M x 36 |
(2) 16M x 36 |
None |
256MB |
(2) 32M x 36 |
None |
None |
264MB |
(2) 32M x 36 |
(2) 1M x 36 |
None |
272MB |
(2) 32M x 36 |
(2) 1M x 36 |
(2) 1M x 36 |
272MB |
(2) 32M x 36 |
(2) 2M x 36 |
None |
288MB |
(2) 32M x 36 |
(2) 2M x 36 |
(2) 2M x 36 |
288MB |
(2) 32M x 36 |
(2) 4M x 36 |
None |
320MB |
(2) 32M x 36 |
(2) 4M x 36 |
(2) 4M x 36 |
320MB |
(2) 32M x 36 |
(2) 8M x 36 |
None |
384MB |
(2) 32M x 36 |
(2) 8M x 36 |
(2) 8M x 36 |
384MB |
(2) 32M x 36 |
(2) 16M x 36 |
None |
SIMM CONFIGURATION (CON’T) | |||
Size |
Bank 0 |
Bank 1 |
Bank 2 |
384MB |
(2) 16M x 36 |
(2) 16M x 36 |
(2) 16M x 36 |
512MB |
(2) 32M x 36 |
(2) 16M x 36 |
(2) 16M x 36 |
512MB |
(2) 32M x 36 |
(2) 32M x 36 |
None |
768MB |
(2) 32M x 36 |
(2) 32M x 36 |
(2) 32M x 36 |
Note: Board accepts EDO memory. |
SIMM VOLTAGE CONFIGURATION | |||||
Voltage |
J32 |
J33 |
J34 |
J35 | |
3.3v |
Closed |
Closed |
Closed |
Closed | |
» |
5v |
Open |
Open |
Open |
Open |
SIMM VOLTAGE CONFIGURATION (CON’T) | |||||
Voltage |
J41 |
J43 |
J47 |
J48 | |
3.3v |
Open |
Open |
Open |
Open | |
» |
5v |
Closed |
Closed |
Closed |
Closed |
CACHE CONFIGURATION |
Note: 256KB/512KB cache is located on the Pentium Pro/Pentium II CPU. |
CPU SPEED SELECTION (PENTIUM PRO) | ||||||
CPU speed |
Clock speed |
Multiplier |
J30 |
J31 |
J37 |
J38 |
150MHz |
60MHz |
2.5x |
Open |
Closed |
3 & 4 |
Closed |
166MHz |
66MHz |
2.5x |
Closed |
Open |
1 & 2 |
Closed |
180MHz |
60MHz |
3x |
Open |
Closed |
3 & 4 |
Closed |
200MHz |
66MHz |
3x |
Closed |
Open |
1 & 2 |
Closed |
Note: Pins designated should be in the closed position. |
CPU SPEED SELECTION (PENTIUM PRO, CON’T) | |||||
CPU speed |
Clock speed |
Multiplier |
J40 |
J42 |
J44 |
150MHz |
60MHz |
2.5x |
Open |
Closed |
Closed |
166MHz |
66MHz |
2.5x |
Open |
Closed |
Closed |
180MHz |
60MHz |
3x |
Closed |
Open |
Closed |
200MHz |
66MHz |
3x |
Closed |
Open |
Closed |
CPU SPEED SELECTION (PENTIUM II) | ||||||
CPU speed |
Clock speed |
Multiplier |
J30 |
J31 |
J37 |
J38 |
200MHz |
66MHz |
3x |
Closed |
Open |
1 & 2 |
Closed |
233MHz |
66MHz |
3.5x |
Open |
Closed |
3 & 4 |
Closed |
266MHz |
66MHz |
4x |
Closed |
Open |
1 & 2 |
Closed |
300MHz |
66MHz |
4.5x |
Open |
Closed |
3 & 4 |
Closed |
Note: Pins designated should be in the closed position. |
CPU SPEED SELECTION (PENTIUM II, CON’T) | |||||
CPU speed |
Clock speed |
Multiplier |
J40 |
J42 |
J44 |
200MHz |
66MHz |
3x |
Closed |
Open |
Closed |
233MHz |
66MHz |
3.5x |
Open |
Open |
Closed |
266MHz |
66MHz |
4x |
Closed |
Closed |
Open |
300MHz |
66MHz |
4.5x |
Open |
Closed |
Open |