SIEMENS-NIXDORF INFORMATIONSSYSTEME AG
SYSTEM BOARD D1005
Device Type |
Mainboard |
Processor |
Pentium II |
Processor Speed |
233/266/300MHz |
Chip Set |
Unidentified |
Video Chip Set |
None |
Maximum Onboard Memory |
256MB (EDO supported) |
Maximum Video Memory |
None |
Cache |
256/512KB (located on Pentium II CPU) |
BIOS |
Unidentified |
Dimensions |
305mm x 244mm |
I/O Options |
32-bit PCI slots (4), floppy drive interface, game/MIDI port, green PC connector, IDE interfaces (2), parallel port, PS/2 mouse port, serial ports (2), IR connector, USB connectors (2), line in, line out, microphone in, wavetable connector, audio in – CD-ROM, telephony connectors (2) |
NPU Options |
None |
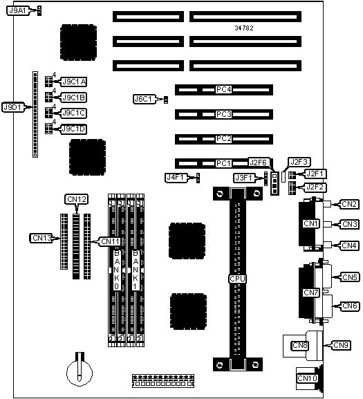
CONNECTIONS | |||
Purpose |
Location |
Purpose |
Location |
Game/MIDI port |
CN1 |
Telephony connector |
J2F3 |
Microphone in |
CN2 |
Audio in – CD-ROM |
J2F6 |
Line in |
CN3 |
Line in (auxiliary) |
J3F1 |
Line out |
CN4 |
Chassis fan power |
J4F1 |
Serial port 2 |
CN5 |
Security connector |
J6C1 |
Serial port 1 |
CN6 |
Chassis fan power |
J9A1 |
Parallel port |
CN7 |
Soft off power supply |
J9D1/pins 1 & 2 |
USB connector 1 |
CN8 |
Green PC connector |
J9D1/pins 3 & 4 |
USB connector 2 |
CN9 |
IR connector |
J9D1/pins 6 - 11 |
PS/2 mouse port |
CN10 |
IDE interface LED |
J9D1/pins 13 - 16 |
IDE interface 2 |
CN11 |
Power LED |
J9D1/pins 18 - 20 |
IDE interface 1 |
CN12 |
Reset switch |
J9D1/pins 22 & 23 |
Floppy drive interface |
CN13 |
Speaker |
J9D1/pins 24 - 27 |
Telephony connector |
J2F1 |
32-bit PCI slots |
PC1 – PC4 |
Wavetable connector |
J2F2 |
USER CONFIGURABLE SETTINGS | |||
Function |
Label |
Position | |
» |
Flash BIOS normal operation |
J9C1A |
Pins 5 & 6 closed |
Flash BIOS recovery mode |
J9C1A |
Pins 4 & 5 closed | |
» |
CMOS memory normal operation |
J9C1C |
Pins 5 & 6 closed |
CMOS memory clear |
J9C1C |
Pins 4 & 5 closed | |
» |
Setup access enabled |
J9C1D |
Pins 5 & 6 closed |
Setup access disabled |
J9C1D |
Pins 4 & 5 closed |
SIMM CONFIGURATION | ||
Size |
Bank 0 |
Bank 1 |
8MB |
(2) 1M x 36 |
None |
16MB |
(2) 2M x 36 |
None |
16MB |
(2) 1M x 36 |
(2) 1M x 36 |
24MB |
(2) 2M x 36 |
(2) 1M x 36 |
32MB |
(2) 4M x 36 |
None |
32MB |
(2) 2M x 36 |
(2) 2M x 36 |
40MB |
(2) 4M x 36 |
(2) 1M x 36 |
48MB |
(2) 4M x 36 |
(2) 2M x 36 |
64MB |
(2) 8M x 36 |
None |
64MB |
(2) 4M x 36 |
(2) 4M x 36 |
SIMM CONFIGURATION (CON’T) | ||
Size |
Bank 0 |
Bank 1 |
72MB |
(2) 8M x 36 |
(2) 1M x 36 |
80MB |
(2) 8M x 36 |
(2) 2M x 36 |
96MB |
(2) 8M x 36 |
(2) 4M x 36 |
128MB |
(2) 8M x 36 |
(2) 8M x 36 |
128MB |
(2) 16M x 36 |
None |
136MB |
(2) 16M x 36 |
(2) 1M x 36 |
144MB |
(2) 16M x 36 |
(2) 2M x 36 |
160MB |
(2) 16M x 36 |
(2) 4M x 36 |
192MB |
(2) 16M x 36 |
(2) 8M x 36 |
256MB |
(2) 16M x 36 |
(2) 16M x 36 |
Note: Board accepts EDO memory. |
CACHE CONFIGURATION |
Note: 256KB/512KB cache is located on the Pentium II CPU. |
CPU SPEED SELECTION | |||||
CPU speed |
Clock speed |
Multiplier |
J9C1A |
J9C1B |
J9C1C |
233MHz |
66MHz |
3.5x |
2 & 3 |
2 & 3, 5 & 6 |
2 & 3 |
266MHz |
66MHz |
4x |
1 & 2 |
1 & 2, 4 & 5 |
2 & 3 |
300MHz |
66MHz |
4.5x |
1 & 2 |
2 & 3, 4 & 5 |
2 & 3 |
Note: Pins designated should be in the closed position. |