SUPER MICRO

P6DLS, P6SLS

Processor

Pentium II

Processor Speed

200/233/266/300/333/366/400MHz

Chip Set

Intel

Video Chip Set

None

Maximum Onboard Memory

1GB (EDO supported)

Maximum Video Memory

None

Cache

256/512KB (located on Pentium II CPU)

BIOS

AMI

Dimensions

305mm x 244mm

I/O Options

32-bit PCI slots (4), floppy drive interface, IDE interfaces (2), Ultra Wide SCSI interface, Ultra SCSI interface, parallel port, PS/2 mouse port, serial ports (2), IR connector, USB connectors (2), ATX power connector, AGP slot

NPU Options

None

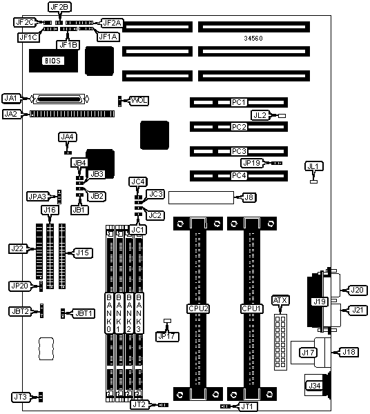
CONNECTIONS

Purpose

Location

Purpose

Location

ATX power connector

ATX

IDE interface LED

JF1A

AGP slot

J8

Power LED & keylock

JF1B

IDE interface 1

J15

Speaker

JF1C

IDE interface 2

J16

IR connector

JF2A

USB connector

J17

Soft off power supply

JF2B

USB connector

J18

Reset switch

JF2C

Parallel port

J19

Chassis intrusion connector

JL1

Serial port 1

J20

SCSI interface LED

JPA3

Serial port 2

J21

CPU fan

JT1

Floppy drive interface

J22

CPU fan

JT2

PS/2 mouse port

J34

Thermal control fan

JT3

Ultra Wide SCSI interface

JA1

32-bit PCI slots

PC1 – PC4

Ultra SCSI interface

JA2

Wake on LAN connector

WOL

External battery

JBT2

   

USER CONFIGURABLE SETTINGS

Function

Label

Position

»

Factory configured - do not alter

JA4

Unidentified

»

CMOS memory normal operation

JBT1

Pins 1 & 2 closed

 

CMOS memory clear

JBT1

Pins 2 & 3 closed

»

Factory configured - do not alter

JC4

Open

»

Factory configured - do not alter

JL2

Open

»

Factory configured - do not alter

JP17

Pins 2 & 3 closed

»

SMI select APIC SMI

JP19

Pins 1 & 2 closed

 

SMI select PIIX4 SMI

JP19

Pins 2 & 3 closed

»

Power on/off select save PD state

JP20

Pins 2 & 3 closed

Power on/off select PIIX4

JP20

Pins 1 & 2 closed

DIMM CONFIGURATION

Size

Bank 0

Bank 1

Bank 2

Bank 3

8MB

(1) 1M x 64

None

None

None

16MB

(1) 2M x 64

None

None

None

16MB

(1) 1M x 64

(1) 1M x 64

None

None

24MB

(1) 2M x 64

(1) 1M x 64

None

None

24MB

(1) 1M x 64

(1) 1M x 64

(1) 1M x 64

None

32MB

(1) 4M x 64

None

None

None

32MB

(1) 2M x 64

(1) 2M x 64

None

None

32MB

(1) 1M x 64

(1) 1M x 64

(1) 1M x 64

(1) 1M x 64

40MB

(1) 4M x 64

(1) 1M x 64

None

None

48MB

(1) 4M x 64

(1) 2M x 64

None

None

DIMM CONFIGURATION (CON’T)

Size

Bank 0

Bank 1

Bank 2

Bank 3

48MB

(1) 2M x 64

(1) 2M x 64

(1) 2M x 64

None

64MB

(1) 8M x 64

None

None

None

64MB

(1) 4M x 64

(1) 4M x 64

None

None

64MB

(1) 2M x 64

(1) 2M x 64

(1) 2M x 64

(1) 2M x 64

72MB

(1) 8M x 64

(1) 1M x 64

None

None

80MB

(1) 8M x 64

(1) 2M x 64

None

None

96MB

(1) 8M x 64

(1) 4M x 64

None

None

96MB

(1) 4M x 64

(1) 4M x 64

(1) 4M x 64

None

128MB

(1) 8M x 64

(1) 8M x 64

None

None

128MB

(1) 4M x 64

(1) 4M x 64

(1) 4M x 64

(1) 4M x 64

128MB

(1) 16M x 64

None

None

None

256MB

(1) 8M x 64

(1) 8M x 64

(1) 8M x 64

(1) 8M x 64

256MB

(1) 16M x 64

(1) 16M x 64

None

None

384MB

(1) 16M x 64

(1) 16M x 64

(1) 16M x 64

None

1024MB

(1) 16M x 64

(1) 16M x 64

(1) 16M x 64

(1) 16M x 64

Note: Board accepts EDO memory.

CACHE CONFIGURATION

Note: 256KB/512KB cache is located on the Pentium II CPU.

CPU SPEED SELECTION

Speed

JB1

JB2

JB3

JB4

JC1

JC2

JC3

200MHz

Closed

Open

Closed

Closed

Open

Open

Open

233MHz

Open

Open

Closed

Closed

Open

Open

Open

266MHz

Closed

Closed

Open

Closed

Open

Open

Open

300MHz

Open

Closed

Open

Closed

Open

Open

Open

333MHz

Closed

Open

Open

Closed

Open

Open

Open

366MHz

Open

Open

Open

Closed

Open

Open

Open

400MHz

Closed

Closed

Closed

Open

Open

Open

Open

MISCELLANEOUS TECHNICAL NOTE

The CPU fan will automatically turn on when the CPU temperature exceeds the user defined temperature.