SUPER MICRO
P6DLE
Processor |
Pentium II |
Processor Speed |
200/233/266/300/333/366/400MHz |
Chip Set |
Intel |
Video Chip Set |
None |
Maximum Onboard Memory |
1GB (EDO supported) |
Maximum Video Memory |
None |
Cache |
256/512KB (located on Pentium II CPU) |
BIOS |
AMI |
Dimensions |
305mm x 244mm |
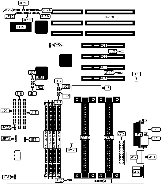
I/O Options |
32-bit PCI slots (4), floppy drive interface, IDE interfaces (2), parallel port, PS/2 mouse port, serial ports (2), IR connector, USB connectors (2), ATX power connector, AGP slot |
NPU Options |
None |
CONNECTIONS | |||
Purpose |
Location |
Purpose |
Location |
ATX power connector |
ATX |
IDE interface LED |
JF1A |
AGP slot |
J8 |
Power LED & keylock |
JF1B |
IDE interface 1 |
J15 |
Speaker |
JF1C |
IDE interface 2 |
J16 |
IR connector |
JF2A |
USB connector |
J17 |
Soft off power supply |
JF2B |
USB connector |
J18 |
Reset switch |
JF2C |
Parallel port |
J19 |
Chassis intrusion connector |
JL1 |
Serial port 1 |
J20 |
CPU fan |
JT1 |
Serial port 2 |
J21 |
CPU fan |
JT2 |
Floppy drive interface |
J22 |
Thermal control fan |
JT3 |
PS/2 mouse port |
J34 |
32-bit PCI slots |
PC1 – PC4 |
External battery |
JBT2 |
Wake on LAN connector |
WOL |
USER CONFIGURABLE SETTINGS | |||
Function |
Label |
Position | |
» |
Factory configured - do not alter |
JA4 |
Unidentified |
» |
CMOS memory normal operation |
JBT1 |
Pins 1 & 2 closed |
CMOS memory clear |
JBT1 |
Pins 2 & 3 closed | |
» |
Factory configured - do not alter |
JC4 |
Open |
» |
Factory configured - do not alter |
JL2 |
Open |
» |
Factory configured - do not alter |
JP17 |
Pins 2 & 3 closed |
» |
SMI select APIC SMI |
JP19 |
Pins 1 & 2 closed |
SMI select PIIX4 SMI |
JP19 |
Pins 2 & 3 closed | |
» |
Power on/off select save PD state |
JP20 |
Pins 2 & 3 closed |
|
Power on/off select PIIX4 |
JP20 |
Pins 1 & 2 closed |
DIMM CONFIGURATION | ||||
Size |
Bank 0 |
Bank 1 |
Bank 2 |
Bank 3 |
8MB |
(1) 1M x 64 |
None |
None |
None |
16MB |
(1) 2M x 64 |
None |
None |
None |
16MB |
(1) 1M x 64 |
(1) 1M x 64 |
None |
None |
24MB |
(1) 2M x 64 |
(1) 1M x 64 |
None |
None |
24MB |
(1) 1M x 64 |
(1) 1M x 64 |
(1) 1M x 64 |
None |
32MB |
(1) 4M x 64 |
None |
None |
None |
32MB |
(1) 2M x 64 |
(1) 2M x 64 |
None |
None |
32MB |
(1) 1M x 64 |
(1) 1M x 64 |
(1) 1M x 64 |
(1) 1M x 64 |
40MB |
(1) 4M x 64 |
(1) 1M x 64 |
None |
None |
48MB |
(1) 4M x 64 |
(1) 2M x 64 |
None |
None |
48MB |
(1) 2M x 64 |
(1) 2M x 64 |
(1) 2M x 64 |
None |
64MB |
(1) 8M x 64 |
None |
None |
None |
64MB |
(1) 4M x 64 |
(1) 4M x 64 |
None |
None |
DIMM CONFIGURATION (CON’T) | ||||
Size |
Bank 0 |
Bank 1 |
Bank 2 |
Bank 3 |
64MB |
(1) 2M x 64 |
(1) 2M x 64 |
(1) 2M x 64 |
(1) 2M x 64 |
72MB |
(1) 8M x 64 |
(1) 1M x 64 |
None |
None |
80MB |
(1) 8M x 64 |
(1) 2M x 64 |
None |
None |
96MB |
(1) 8M x 64 |
(1) 4M x 64 |
None |
None |
96MB |
(1) 4M x 64 |
(1) 4M x 64 |
(1) 4M x 64 |
None |
128MB |
(1) 8M x 64 |
(1) 8M x 64 |
None |
None |
128MB |
(1) 4M x 64 |
(1) 4M x 64 |
(1) 4M x 64 |
(1) 4M x 64 |
128MB |
(1) 16M x 64 |
None |
None |
None |
256MB |
(1) 8M x 64 |
(1) 8M x 64 |
(1) 8M x 64 |
(1) 8M x 64 |
256MB |
(1) 16M x 64 |
(1) 16M x 64 |
None |
None |
384MB |
(1) 16M x 64 |
(1) 16M x 64 |
(1) 16M x 64 |
None |
1024MB |
(1) 16M x 64 |
(1) 16M x 64 |
(1) 16M x 64 |
(1) 16M x 64 |
Note: Board accepts EDO memory. |
CACHE CONFIGURATION |
Note: 256KB/512KB cache is located on the Pentium II CPU. |
CPU SPEED SELECTION | |||||||
Speed |
JB1 |
JB2 |
JB3 |
JB4 |
JC1 |
JC2 |
JC3 |
200MHz |
Closed |
Open |
Closed |
Closed |
Open |
Open |
Open |
233MHz |
Open |
Open |
Closed |
Closed |
Open |
Open |
Open |
266MHz |
Closed |
Closed |
Open |
Closed |
Open |
Open |
Open |
300MHz |
Open |
Closed |
Open |
Closed |
Open |
Open |
Open |
333MHz |
Closed |
Open |
Open |
Closed |
Open |
Open |
Open |
366MHz |
Open |
Open |
Open |
Closed |
Open |
Open |
Open |
400MHz |
Closed |
Closed |
Closed |
Open |
Open |
Open |
Open |
MISCELLANEOUS TECHNICAL NOTE |
The CPU fan will automatically turn on when the CPU temperature exceeds the user defined temperature. |