TECHMEDIA COMPUTER SYSTEMS CORPORATION
TMB-I430VX-ATX
Processor |
CX M1/AM K5/Pentium |
Processor Speed |
75/90/100/120/133/150/166/180/200MHz |
Chip Set |
Intel |
Video Chip Set |
S3 |
Maximum Onboard Memory |
128MB (EDO supported) |
Maximum Video Memory |
2MB |
Cache |
256/512KB |
BIOS |
Award |
Dimensions |
280mm x 224mm |
I/O Options |
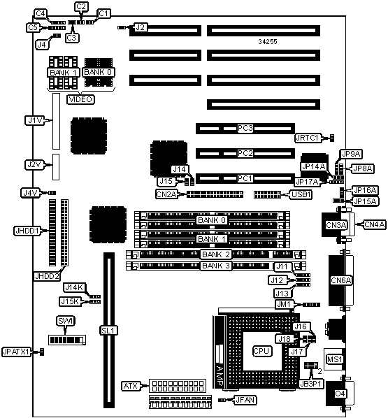
32-bit PCI slots (3), floppy drive interface, green PC connector, IDE interfaces (2), parallel port, PS/2 mouse port, PS/2 mouse interface, serial ports (2), VGA port, cache slot, IR connector, USB connector, ATX power connector |
NPU Options |
None |
CONNECTIONS | |||
Purpose |
Location |
Purpose |
Location |
ATX power supply |
ATX |
Chassis fan power |
JFAN |
IDE interface LED |
C1 |
Soft off power supply |
JPATX1 |
Green PC connector |
C2 |
IDE interface 1 |
JHDD1 |
Reset switch |
C3 |
IDE interface 2 |
JHDD2 |
Speaker |
C4 |
IR connector |
JP17A |
Power LED & keylock |
C5 |
PS/2 mouse interface |
JM1 |
Floppy drive interface |
CN2A |
PS/2 mouse port |
MS1 |
Serial port 1 |
CN3A |
VGA port |
O4 |
Serial port 2 |
CN4A |
32-bit PCI slots |
PC1 – PC3 |
Parallel port |
CN6A |
Cache slot |
SL1 |
Green PC LED |
J4 |
USB connector |
USB1 |
USER CONFIGURABLE SETTINGS | |||
Function |
Label |
Position | |
» |
Factory configured - do not alter |
J2 |
Unidentified |
» |
Factory configured - do not alter |
J14 |
Unidentified |
» |
Factory configured - do not alter |
J15 |
Unidentified |
» |
Factory configured - do not alter |
J18 |
Unidentified |
» |
Factory configured - do not alter |
J1V |
Unidentified |
» |
Factory configured - do not alter |
J2V |
Unidentified |
» |
Factory configured - do not alter |
JP8A |
Unidentified |
» |
Factory configured - do not alter |
JP9A |
Unidentified |
» |
Factory configured - do not alter |
JP14A |
Unidentified |
» |
Factory configured - do not alter |
JP15A |
Unidentified |
» |
Factory configured - do not alter |
JP16A |
Unidentified |
» |
CMOS memory normal operation |
JRTC1 |
Open |
CMOS memory clear |
JRTC1 |
Closed |
DIMM/DRAM CONFIGURATION | ||||
Size |
Bank 0 |
Bank 1 |
Bank 2 |
Bank 3 |
8MB |
(2) 1M x 36 |
None |
None |
None |
8MB |
None |
None |
(1) 1M x 64 |
None |
16MB |
None |
None |
(1) 2M x 64 |
None |
16MB |
(2) 1M x 36 |
(2) 1M x 36 |
None |
None |
24MB |
(2) 1M x 36 |
(2) 2M x 36 |
None |
None |
24MB |
(2) 2M x 36 |
None |
None |
(1) 1M x 64 |
32MB |
(2) 4M x 36 |
None |
None |
None |
32MB |
None |
None |
(1) 4M x 64 |
None |
32MB |
None |
None |
(1) 2M x 64 |
(1) 2M x 64 |
32MB |
(2) 2M x 36 |
(2) 2M x 36 |
None |
None |
40MB |
(2) 1M x 36 |
(2) 4M x 36 |
None |
None |
40MB |
(2) 4M x 36 |
None |
None |
(1) 1M x 64 |
DIMM/DRAM CONFIGURATION (CON’T) | ||||
Size |
Bank 0 |
Bank 1 |
Bank 2 |
Bank 3 |
48MB |
(2) 2M x 36 |
(2) 4M x 36 |
None |
None |
48MB |
(2) 2M x 36 |
None |
(1) 4M x 64 |
None |
64MB |
(2) 8M x 36 |
None |
None |
None |
64MB |
None |
None |
None |
(1) 8M x 64 |
64MB |
(2) 4M x 36 |
(2) 4M x 36 |
None |
None |
64MB |
None |
None |
(1) 4M x 64 |
(1) 4M x 64 |
72MB |
(2) 8M x 36 |
(2) 1M x 36 |
None |
None |
72MB |
(2) 8M x 36 |
None |
None |
(1) 1M x 64 |
80MB |
(2) 2M x 36 |
None |
None |
(1) 8M x 64 |
80MB |
(2) 8M x 36 |
(2) 2M x 36 |
None |
None |
80MB |
(2) 8M x 36 |
None |
None |
(1) 2M x 64 |
96MB |
(2) 8M x 36 |
(2) 4M x 36 |
None |
None |
96MB |
(2) 4M x 36 |
None |
None |
(1) 8M x 64 |
96MB |
(2) 8M x 36 |
None |
None |
(1) 4M x 64 |
128MB |
(2) 8M x 36 |
(2) 8M x 36 |
None |
None |
Note: Board accepts EDO memory. Banks 0 & 1, 2 & 3 are interchangeable. |
DIMM VOLTAGE CONFIGURATION | |||
Voltage |
J11 |
J12 |
J13 |
3.3v |
Pins 1 & 2 closed |
Pins 1 & 2 closed |
Pins 1 & 2 closed |
5v |
Pins 3 & 4 closed |
Pins 3 & 4 closed |
Pins 3 & 4 closed |
CACHE CONFIGURATION | ||
Size |
Bank 0 |
SL1 |
256KB (A) |
(2) 32K x 32 |
Not installed |
256KB (B) |
(2) 32K x 32 |
256KB module installed |
512KB |
(2) 64K x 32 |
Not installed |
Note: The location of bank 0 is unidentified. |
CACHE JUMPER CONFIGURATION | ||
Size |
J14K |
J15K |
256KB (A) |
Pins 1 & 2 closed |
Pins 2 & 3 closed |
256KB (B) |
Pins 2 & 3 closed |
Pins 2 & 3 closed |
512KB |
Pins 2 & 3 closed |
Pins 1 & 2 closed |
VIDEO MEMORY CONFIGURATION | ||
Size |
Bank 0 |
Bank 1 |
1MB |
(2) 256K x 16 |
None |
2MB |
(2) 256K x 16 |
(2) 256K x 16 |
CPU SPEED SELECTION (CYRIX) | ||||||
CPU speed |
Clock speed |
Multiplier |
SW1/1 |
SW1/2 |
SW1/3 |
SW1/4 |
120MHz |
50MHz |
1.5x |
Off |
Off |
On |
Off |
150MHz |
60MHz |
1.5x |
On |
On |
Off |
Off |
166MHz |
66MHz |
1.5x |
On |
Off |
Off |
Off |
CPU SPEED SELECTION (CYRIX, CON’T) | ||||||
CPU speed |
Clock speed |
Multiplier |
SW1/5 |
SW1/6 |
SW1/7 |
SW1/8 |
120MHz |
50MHz |
2x |
Off |
On |
On |
Off |
150MHz |
60MHz |
2x |
Off |
On |
On |
Off |
166MHz |
66MHz |
2x |
Off |
On |
On |
Off |
CPU SPEED SELECTION (AMD) | ||||||
CPU speed |
Clock speed |
Multiplier |
SW1/1 |
SW1/2 |
SW1/3 |
SW1/4 |
75MHz |
50MHz |
1.5x |
Off |
Off |
On |
Off |
90MHz |
60MHz |
1.5x |
On |
On |
Off |
Off |
100MHz |
66MHz |
1.5x |
On |
Off |
Off |
Off |
CPU SPEED SELECTION (AMD, CON’T) | ||||||
CPU speed |
Clock speed |
Multiplier |
SW1/5 |
SW1/6 |
SW1/7 |
SW1/8 |
75MHz |
50MHz |
1.5x |
On |
Off |
On |
Off |
90MHz |
60MHz |
1.5x |
On |
Off |
On |
Off |
100MHz |
66MHz |
1.5x |
On |
Off |
On |
Off |
CPU SPEED SELECTION (INTEL) | ||||||
CPU speed |
Clock speed |
Multiplier |
SW1/1 |
SW1/2 |
SW1/3 |
SW1/4 |
75MHz |
50MHz |
1.5x |
Off |
Off |
On |
Off |
90MHz |
60MHz |
1.5x |
On |
On |
Off |
Off |
100MHz |
66MHz |
1.5x |
On |
Off |
Off |
Off |
120MHz |
60MHz |
2x |
On |
On |
Off |
Off |
133MHz |
66MHz |
2x |
On |
Off |
Off |
Off |
150MHz |
60MHz |
2.5x |
On |
On |
Off |
Off |
166MHz |
66MHz |
2.5x |
On |
Off |
Off |
Off |
180MHz |
60MHz |
3x |
On |
On |
Off |
Off |
200MHz |
66MHz |
3x |
On |
Off |
Off |
Off |
CPU SPEED SELECTION (INTEL, CON’T) | ||||||
CPU speed |
Clock speed |
Multiplier |
SW1/5 |
SW1/6 |
SW1/7 |
SW1/8 |
75MHz |
50MHz |
1.5x |
On |
Off |
On |
Off |
90MHz |
60MHz |
1.5x |
On |
Off |
On |
Off |
100MHz |
66MHz |
1.5x |
On |
Off |
On |
Off |
120MHz |
60MHz |
2x |
Off |
On |
On |
Off |
133MHz |
66MHz |
2x |
Off |
On |
On |
Off |
150MHz |
60MHz |
2.5x |
Off |
On |
Off |
On |
166MHz |
66MHz |
2.5x |
Off |
On |
Off |
On |
180MHz |
60MHz |
3x |
On |
Off |
Off |
On |
200MHz |
66MHz |
3x |
On |
Off |
Off |
On |
CPU VOLTAGE SELECTION | ||||
Voltage |
V core |
J16 |
J17 |
JB3P1 |
3v |
2.8v |
Closed |
Closed |
Open |
3.3v |
3.3v |
Open |
Open |
1 & 2, 3 & 3, 5 & 6, 7 & 8 |