SUPER MICRO
P6SNA
Processor |
Pentium Pro |
Processor Speed |
150/166/180/200MHz |
Chip Set |
Intel |
Video Chip Set |
None |
Maximum Onboard Memory |
512MB (EDO supported) |
Maximum Video Memory |
None |
Cache |
256/512KB (located on Pentium Pro CPU) |
BIOS |
AMI |
Dimensions |
305mm x 249mm |
I/O Options |
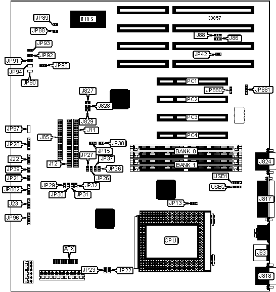
32-bit PCI slots (4), floppy drive interface, green PC connector, IDE interfaces (2), parallel port, PS/2 mouse port, serial ports (2), IR connector, USB connectors (2), ATX power connector, power on connector |
NPU Options |
None |
CONNECTIONS | |||
Purpose |
Location |
Purpose |
Location |
ATX power connector |
ATX |
Green PC connector |
JP39 |
IDE interface 1 |
J11 |
Buzzer |
JP89 |
IDE interface 2 |
J12 |
Chassis fan power |
JP91 |
Speaker |
J22 |
Chassis fan power |
JP92 |
IDE interface LED |
J23 |
Chassis fan power |
JP93 |
PS/2 mouse port |
J83 |
IR connector |
JP96 |
Floppy drive interface |
J85 |
External battery |
JP881 |
Parallel port |
J817 |
Power on connector |
JP882 |
Serial port 1 |
J818 |
32-bit PCI slots |
PC1- PC4 |
Serial port 2 |
J824 |
USB connector 1 |
USB1 |
Power LED & keylock |
JP20 |
USB connector 2 |
USB2 |
Reset switch |
JP21 |
USER CONFIGURABLE SETTINGS | |||
Function |
Label |
Position | |
» |
Factory configured - do not alter |
J86 |
Pins 1 & 2 closed |
» |
Factory configured - do not alter |
J88 |
Pins 1 & 2 closed |
» |
Factory configured - do not alter |
J827 |
Closed |
» |
Factory configured - do not alter |
J828 |
Closed |
» |
Factory configured - do not alter |
J829 |
Closed |
» |
Factory configured - do not alter |
JP13 |
Pins 2 & 3 closed |
» |
Factory configured - do not alter |
JP15 |
Pins 2 & 3 closed |
» |
Factory configured - do not alter |
JP22 |
Open |
» |
Factory configured - do not alter |
JP23 |
Open |
» |
Factory configured - do not alter |
JP26 |
Open |
» |
Factory configured - do not alter |
JP27 |
Closed |
» |
Factory configured - do not alter |
JP38 |
Open |
» |
Factory configured - do not alter |
JP88 |
Open |
ISA CLK = PCI CLK/4 |
JP42 |
Closed | |
ISA CLK = PCI CLK/3 |
JP42 |
Open | |
» |
Factory configured - do not alter |
JP90 |
Unidentified |
» |
Factory configured - do not alter |
JP94 |
Unidentified |
» |
Factory configured - do not alter |
JP97 |
Unidentified |
» |
CMOS memory normal operation |
JP880 |
Pins 1 & 2 closed |
CMOS memory clear |
JP880 |
Pins 2 & 3 closed |
DRAM CONFIGURATION | ||
Size |
Bank 0 |
Bank 1 |
8MB |
(2) 1M x 36 |
None |
16MB |
(2) 2M x 36 |
None |
16MB |
(2) 1M x 36 |
(2) 1M x 36 |
24MB |
(2) 2M x 36 |
(2) 1M x 36 |
DRAM CONFIGURATION (CON’T) | ||
Size |
Bank 0 |
Bank 1 |
32MB |
(2) 4M x 36 |
None |
32MB |
(2) 2M x 36 |
(2) 2M x 36 |
40MB |
(2) 4M x 36 |
(2) 1M x 36 |
48MB |
(2) 2M x 36 |
(2) 4M x 36 |
64MB |
(2) 8M x 36 |
None |
64MB |
(2) 4M x 36 |
(2) 4M x 36 |
72MB |
(2) 8M x 36 |
(2) 1M x 36 |
80MB |
(2) 2M x 36 |
(2) 8M x 36 |
96MB |
(2) 8M x 36 |
(2) 4M x 36 |
128MB |
(2) 16M x 36 |
None |
128MB |
(2) 8M x 36 |
(2) 8M x 36 |
136MB |
(2) 16M x 36 |
(2) 1M x 36 |
144MB |
(2) 16M x 36 |
(2) 2M x 36 |
160MB |
(2) 16M x 36 |
(2) 4M x 36 |
192MB |
(2) 16M x 36 |
(2) 8M x 36 |
256MB |
(2) 32M x 36 |
None |
256MB |
(2) 16M x 36 |
(2) 16M x 36 |
264MB |
(2) 32M x 36 |
(2) 1M x 36 |
272MB |
(2) 32M x 36 |
(2) 2M x 36 |
288MB |
(2) 32M x 36 |
(2) 4M x 36 |
320MB |
(2) 32M x 36 |
(2) 8M x 36 |
384MB |
(2) 32M x 36 |
(2) 16M x 36 |
512MB |
(2) 32M x 36 |
(2) 32M x 36 |
Note: Board accepts EDO memory. Board also accepts x 32 SIMMs. Banks are interchangeable. |
CACHE CONFIGURATION |
Note: 256KB/512KB cache is located on the Pentium Pro CPU. |
CPU SPEED SELECTION | ||||||
Speed |
JP29 |
JP30 |
JP31 |
JP32 |
JP36 |
JP37 |
150MHz |
Open |
Closed |
Closed |
Closed |
Closed |
Open |
166MHz |
Open |
Closed |
Closed |
Closed |
Open |
Closed |
180MHz |
Closed |
Open |
Closed |
Closed |
Closed |
Open |
200MHz |
Closed |
Open |
Closed |
Closed |
Open |
Closed |
THERMAL CONTROL SELECTION | |||
Turn on |
Shut down |
JP95 | |
55 |
37 |
Pins 1 & 2 closed | |
64 |
50 |
Pins 2 & 3 closed | |
» |
72 |
43 |
Open |
Note: Temperature is in Celsius. |