TMC RESEARCH CORPORATION
EBUS8B (VER.1.0)
Processor |
80286/80386SX/80386DX/80486SX/80486DX/80486DX2/80486DX4/Pentium(depends on CPU card installed) |
Processor Speed |
8/10/12/16/20/25/33/40/50(internal)/50/60/66(internal)/66/75(internal)/ 75/90/100(internal)/100MHz |
Chip Set |
Unidentified |
Max. Onboard DRAM |
None |
Cache |
None |
BIOS |
None |
Dimensions |
220mm x 220mm |
I/O Options |
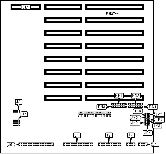
CPU expansion slot, floppy drive interface, IDE interface, parallel port, serial ports (2) |
NPU Options |
8087/80287/80387SX/CX487SLC/80387DX/CX487DLC (depends on CPU card installed) |
CONNECTIONS | |||
Purpose |
Location |
Purpose |
Location |
Serial port 1 |
J1 |
IDE interface |
J5 |
Serial port 2 |
J2 |
IDE interface LED |
J7 |
Parallel port |
J3 |
Power LED & keylock |
J8 |
Floppy drive interface |
J4 |
CPU expansion slot |
SL1 |
USER CONFIGURABLE SETTINGS | |||
Function |
Jumper |
Position | |
» |
Parallel port unidirectional |
JP1 |
pins 2 & 3 closed |
Parallel port bidirectional |
JP1 |
pins 1 & 2 closed | |
» |
Parallel port direction select PDIR |
JP2 |
pins 1 & 2 closed |
Parallel port direction select CTR5 |
JP2 |
pins 2 & 3 closed |
ISA/EISA BUS CONFIGURATION | ||||
ISA/EISA |
RN1 |
RN2 |
RN3 |
RN4 |
ISA |
Installed |
Installed |
Not installed |
Not installed |
EISA |
Not installed |
Not installed |
Installed |
Installed |
I/O CONFIGURATION | |||||||
FDC |
IDE |
LPT |
JP3 |
JP4 |
JP5 |
JP6 |
JP7 |
Enabled |
Enabled |
LPT2 |
1 & 2 |
1 & 2 |
1 & 2 |
1 & 2 |
1 & 2 |
Enabled |
Enabled |
LPT1 |
2 & 3 |
1 & 2 |
1 & 2 |
1 & 2 |
1 & 2 |
Enabled |
Enabled |
LPT1 |
2 & 3 |
2 & 3 |
1 & 2 |
1 & 2 |
1 & 2 |
Enabled |
Enabled |
LPT1 |
2 & 3 |
2 & 3 |
2 & 3 |
1 & 2 |
1 & 2 |
Enabled |
Disabled |
LPT1 |
2 & 3 |
1 & 2 |
2 & 3 |
2 & 3 |
1 & 2 |
Enabled |
Enabled |
LPT1 |
2 & 3 |
1 & 2 |
1 & 2 |
1 & 2 |
2 & 3 |
Disabled |
Enabled |
LPT1 |
2 & 3 |
1 & 2 |
1 & 2 |
2 & 3 |
2 & 3 |
Disabled |
Disabled |
Disabled |
2 & 3 |
2 & 3 |
2 & 3 |
2 & 3 |
2 & 3 |
Note: Pins designated should be in closed position. |
I/O CONFIGURATION (CON’T) | ||||||
COM1 |
COM2 |
JP3 |
JP4 |
JP5 |
JP6 |
JP7 |
COM1 |
COM2 |
1 & 2 |
1 & 2 |
1 & 2 |
1 & 2 |
1 & 2 |
COM1 |
COM2 |
2 & 3 |
1 & 2 |
1 & 2 |
1 & 2 |
1 & 2 |
COM3 |
COM4 |
2 & 3 |
2 & 3 |
1 & 2 |
1 & 2 |
1 & 2 |
COM1 |
Disabled |
2 & 3 |
2 & 3 |
2 & 3 |
1 & 2 |
1 & 2 |
COM1 |
COM2 |
2 & 3 |
1 & 2 |
2 & 3 |
2 & 3 |
1 & 2 |
Disabled |
Disabled |
2 & 3 |
1 & 2 |
1 & 2 |
1 & 2 |
2 & 3 |
Disabled |
Disabled |
2 & 3 |
1 & 2 |
1 & 2 |
2 & 3 |
2 & 3 |
Disabled |
Disabled |
2 & 3 |
2 & 3 |
2 & 3 |
2 & 3 |
2 & 3 |
Note: Pins designated should be in closed position. |