SANYO BUSINESS SYSTEMS CORPORATION
MBC-18SX
Processor |
80386SX |
Processor Speed |
16MHz |
Chip Set |
Zymos |
Max. Onboard DRAM |
2MB |
Cache |
None |
BIOS |
Sanyo |
Dimensions |
332mm x 136mm |
I/O Options |
Serial port, parallel port, floppy drive interface, IDE interface |
NPU Options |
80387SX |
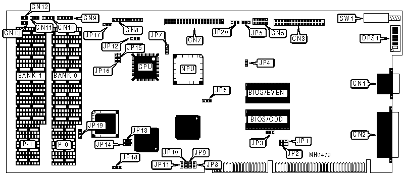
CONNECTIONS | |||
Purpose |
Location |
Purpose |
Location |
Serial port |
CN1 |
Speaker & I/O LED |
CN10 |
Parallel port |
CN2 |
Keylock |
CN11 |
Floppy drive interface |
CN3 |
External batteries |
CN12 & CN13 |
IDE interface |
CN7 |
Reset switch |
SW1 |
Keyboard connector |
CN9 | ||
Note:The purpose of connectors CN5 & CN8 is unidentified. |
USER CONFIGURABLE SETTINGS | |||
Function |
Jumper/Switch |
Position | |
» |
Serial port interrupt select primary |
JP1 |
pins 2 & 3 closed |
Serial port interrupt select secondary |
JP1 |
pins 1 & 2 closed | |
» |
Parallel port interrupt select primary |
JP2 |
pins 2 & 3 closed |
Parallel port interrupt select secondary |
JP2 |
pins 1 & 2 closed | |
» |
Factory configured - do not alter |
JP3 |
pins 1 & 2 closed |
» |
Factory configured - do not alter |
JP4 |
Open |
» |
IDE interface enabled |
JP5 |
pins 1 & 2 closed |
» |
IDE interface disabled |
JP5 |
pins 2 & 3 closed |
» |
Factory configured - do not alter |
JP6 |
pins 2 & 3 closed |
» |
Factory configured - do not alter |
JP7 |
Open |
» |
Bus mouse address select primary |
JP12 |
pins 2 & 3 closed |
Bus mouse address select secondary |
JP12 |
pins 1 & 2 closed | |
» |
Factory configured - do not alter |
JP13 |
pins 1 & 2 closed |
» |
Factory configured - do not alter |
JP14 |
pins 1 & 2 closed |
» |
Factory configured - do not alter |
JP15 |
pins 1 & 2 closed |
» |
Factory configured - do not alter |
JP16 |
pins 1 & 2 closed |
» |
Factory configured - do not alter |
JP17 |
pins 2 & 3 closed |
» |
Factory configured - do not alter |
JP18 |
pins 2 & 3 closed |
» |
Factory configured - do not alter |
JP19 |
pins 1 & 2 closed |
» |
IDE interrupt select SLVAC disabled |
JP20 |
pins 1 & 2 closed |
IDE interrupt select SLVAC enabled |
JP20 |
pins 2 & 3 closed | |
» |
Factory configured - do not alter |
DPS1/1 |
Off |
» |
Parallel port address select primary |
DPS1/2 |
On |
Parallel port address select secondary |
DPS1/2 |
Off | |
» |
Serial port address select primary |
DPS1/3 |
On |
Serial port address select secondary |
DPS1/3 |
Off | |
» |
Floppy drive interface address select primary |
DPS1/4 |
On |
Floppy drive interface address select secondary |
DPS1/4 |
Off | |
» |
Monitor type select color |
DPS1/5 |
On |
Monitor type select monochrome |
DPS1/5 |
Off | |
» |
CPU speed select fast |
DPS1/6 |
On |
CPU speed select slow |
DPS1/6 |
Off |
DRAM CONFIGURATION | ||||
Size |
Bank 0 |
P-0 |
Bank 1 |
P-1 |
1MB |
(8) 44256 |
(4) 41256 |
NONE |
NONE |
2MB |
(8) 44256 |
(4) 41256 |
(8) 44256 |
(4) 41256 |
MOUSE IRQ CONFIGURATION | ||||
IRQ |
JP8 |
JP9 |
JP10 |
JP11 |
IRQ3 |
Open |
Open |
Closed |
Open |
IRQ4 |
Open |
Closed |
Open |
Open |
IRQ5 |
Closed |
Open |
Open |
Open |
IRQ9 |
Open |
Open |
Open |
Closed |