PHILIPS CONSUMER ELECTRONICS, CO.
E873
Processor |
Pentium II |
Processor Speed |
233/266MHz |
Chip Set |
Intel |
Video Chip Set |
None |
Maximum Onboard Memory |
512MB (EDO supported) |
Maximum Video Memory |
None |
Cache |
256/512KB (located on Pentium II CPU) |
BIOS |
Award |
Dimensions |
305mm x 225mm |
I/O Options |
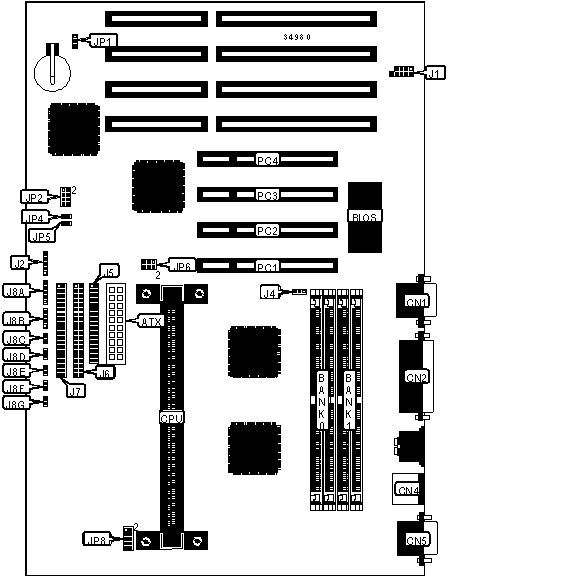
32-bit PCI slots (4), floppy drive interface, green PC connector, IDE interfaces (2), parallel port, PS/2 mouse port, serial ports (2), IR connector, USB connector, ATX power connector |
NPU Options |
None |
CONNECTIONS | |||
Purpose |
Location |
Purpose |
Location |
ATX power connector |
ATX |
IDE interface 1 |
J7 |
Serial port 2 |
CN1 |
Power LED & keylock |
J8A |
Parallel port |
CN2 |
Speaker |
J8B |
PS/2 mouse port |
CN4 |
Reset switch |
J8C |
Serial port 1 |
CN5 |
Green PC connector |
J8D |
USB connector |
J1 |
Soft off power supply |
J8E |
IR connector |
J2 |
Green PC LED |
J8F |
Chassis fan power |
J4 |
IDE interface LED |
J8G |
Floppy drive interface |
J5 |
ATX LED |
J8H |
IDE interface 2 |
J6 |
32-bit PCI slots |
PC1 – PC4 |
USER CONFIGURABLE SETTINGS | |||
Function |
Label |
Position | |
» |
CMOS memory normal operation |
JP1 |
Pins 1 & 2 closed |
CMOS memory clear |
JP1 |
Pins 2 & 3 closed | |
» |
Factory configured - do not alter |
JP4 |
Open |
» |
CPU fan failure detection disabled |
JP5 |
Open |
CPU fan failure detection enabled |
JP5 |
Closed | |
» |
Factory configured - do not alter |
JP6 |
Pins 1 & 3, 2 & 4 closed |
SIMM CONFIGURATION | ||
Size |
Bank 0 |
Bank 1 |
8MB |
(2) 1M x 36 |
None |
16MB |
(2) 2M x 36 |
None |
16MB |
(2) 1M x 36 |
(2) 1M x 36 |
24MB |
(2) 2M x 36 |
(2) 1M x 36 |
32MB |
(2) 4M x 36 |
None |
32MB |
(2) 2M x 36 |
(2) 2M x 36 |
40MB |
(2) 4M x 36 |
(2) 1M x 36 |
48MB |
(2) 4M x 36 |
(2) 2M x 36 |
64MB |
(2) 8M x 36 |
None |
64MB |
(2) 4M x 36 |
(2) 4M x 36 |
72MB |
(2) 8M x 36 |
(2) 1M x 36 |
80MB |
(2) 8M x 36 |
(2) 2M x 36 |
96MB |
(2) 8M x 36 |
(2) 4M x 36 |
128MB |
(2) 8M x 36 |
(2) 8M x 36 |
128MB |
(2) 16M x 36 |
None |
136MB |
(2) 16M x 36 |
(2) 1M x 36 |
144MB |
(2) 16M x 36 |
(2) 2M x 36 |
160MB |
(2) 16M x 36 |
(2) 4M x 36 |
192MB |
(2) 16M x 36 |
(2) 8M x 36 |
256MB |
(2) 16M x 36 |
(2) 16M x 36 |
SIMM CONFIGURATION (CON’T) | ||
Size |
Bank 0 |
Bank 1 |
256MB |
(2) 32M x 36 |
None |
264MB |
(2) 32M x 36 |
(2) 1M x 36 |
272MB |
(2) 32M x 36 |
(2) 2M x 36 |
288MB |
(2) 32M x 36 |
(2) 4M x 36 |
320MB |
(2) 32M x 36 |
(2) 8M x 36 |
384MB |
(2) 32M x 36 |
(2) 16M x 36 |
512MB |
(2) 32M x 36 |
(2) 32M x 36 |
Note: Board accepts EDO memory. Board also accepts x 32 SIMMs. |
CACHE CONFIGURATION |
Note: 256KB/512KB cache is located on the Pentium II CPU. |
CPU SPEED SELECTION | |||
CPU speed |
Clock speed |
Multiplier |
JP2 |
233MHz |
66MHz |
3.5x |
5 & 6, 7 & 8 |
266MHz |
66MHz |
4x |
1 & 2, 3 & 4, 7 & 8 |
300MHz |
66MHz |
4.5x |
3 & 4, 7 & 8 |
333MHz |
66MHz |
5x |
1 & 2, 7 & 8 |
Note: Pins designated should be in the closed position. |
CPU VOLTAGE SELECTION | |
Voltage |
JP8 |
VID support enabled |
Open |
Note: Additional settings unidentified. |