PACKARD BELL
PB25/PB33
Processor |
80386DX |
Processor Speed |
25/33MHz |
Chip Set |
VLSI |
Max. onboard DRAM |
32MB |
Cache |
None |
BIOS |
Phoenix |
Dimensions |
340mm x 240mm |
I/O Options |
32-bit expansion slot, floppy drive interface, IDE interface, keyboard, parallel port, serial port (2) |
NPU Options |
80387DX |
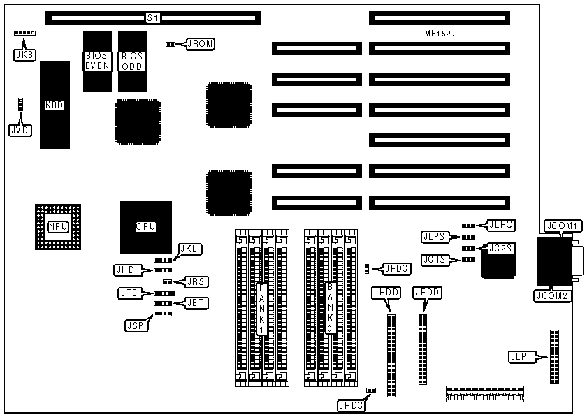
CONNECTIONS | |||
Purpose |
Location |
Purpose |
Location |
External battery |
JBT |
Keylock |
JKL |
Serial port 1 |
JCOM1 |
Parallel port |
JLPT |
Serial port 2 |
JCOM2 |
Reset |
JRS |
Floppy drive interface |
JFDD |
Speaker |
JSP |
IDE interface |
JHDD |
Turbo LED |
JTB |
IDE interface LED |
JHDI |
32-bit expansion slot |
S1 |
Keyboard |
JKB |
USER CONFIGURABLE SETTINGS | |||
Function |
Jumper |
Position | |
» |
Onboard floppy drive interface enabled |
JFDC |
Closed |
Onboard floppy drive interface disabled |
JFDC |
Open | |
» |
Onboard IDE interface enabled |
JHDC |
Closed |
Onboard IDE interface disabled |
JHDC |
Open | |
» |
BIOS type select 27256 |
JROM |
Open |
BIOS type select 27512 |
JROM |
Closed | |
» |
Monitor type select color |
JVD |
pins 2 & 3 closed |
Monitor type select monochrome |
JVD |
pins 1 & 2 closed |
SERIAL PORT CONFIGURATION | ||||
Port 1 (JCOM1) |
Port 2 (JCOM2) |
JC1S |
JC2S | |
COM1 |
COM2 |
Closed |
Closed | |
» |
COM1 |
Disabled |
Closed |
Open |
Disabled |
COM2 |
Open |
Closed | |
Disabled |
Disabled |
Open |
Open |
PARALLEL PORT CONFIGURATION | ||||
LPT |
IRQ |
JLPS |
JLRQ | |
» |
LPT1 |
IRQ7 |
pins 1 & 2 closed |
pins 1 & 2 closed |
LPT1 |
IRQ5 |
pins 1 & 2 closed |
pins 2 & 3 closed | |
LPT2 |
IRQ7 |
pins 2 & 3 closed |
pins 1 & 2 closed | |
LPT2 |
IRQ5 |
pins 2 & 3 closed |
pins 2 & 3 closed |
DRAM CONFIGURATION | ||
Size |
Bank 0 |
Bank 1 |
1MB |
(4) 256K x 9 |
NONE |
2MB |
(4) 256K x 9 |
(4) 256K x 9 |
4MB |
(4) 1M x 9 |
NONE |
5MB |
(4) 1M x 9 |
(4) 256K x 9 |
8MB |
(4) 1M x 9 |
(4) 1M x 9 |
16MB |
(4) 4M x 9 |
NONE |
17MB |
(4) 4M x 9 |
(4) 256K x 9 |
20MB |
(4) 4M x 9 |
(4) 1M x 9 |
32MB |
(4) 4M x 9 |
(4) 4M x 9 |