MITAC INTERNATIONAL CORPORATION
6010EU/VA
Device Type |
Mainboard |
Processor |
Pentium II/Celeron |
Processor Speed |
233/266/300/333MHz |
Chip Set |
Intel 440EX |
Video Chip Set |
ATI |
Maximum Onboard Memory |
256MB (EDO & SDRAM supported) |
Maximum Video Memory |
2MB |
Cache |
0/128/256/512KB (located on the CPU) |
BIOS |
Unidentified |
Dimensions |
305mm x 244mm |
I/O Options |
32-bit PCI slots (3), floppy drive interface, game/MIDI port, green PC connector, IDE interfaces (2), parallel port, PS/2 mouse port, serial port, VGA port, USB connectors (2), line in, line out, microphone in, audio in – CD-ROMs (2) |
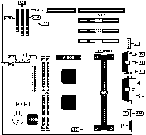
CONNECTIONS | |||
Purpose |
Location |
Purpose |
Location |
Audio in – CD-ROM |
J1 |
CPU fan power |
J12 |
Line out |
J2 |
Wake on modem connector |
J20 |
Line in |
J3 |
Wake on LAN connector |
J21 |
Game/MIDI port |
J4 |
Power LED |
J23 |
Microphone in |
J5 |
IDE interface 1 |
J24 |
VGA port |
J6 |
Reset switch |
J25 |
Parallel port |
J7 |
IDE interface LED |
J26 |
Serial port 1 |
J8 |
Green PC connector |
J27 |
USB connector 1 |
J9 |
IDE interface 2 |
J28 |
USB connector 2 |
J9A |
Floppy drive interface |
J29 |
PS/2 mouse port |
J10 |
32-bit PCI slots |
PC1 – PC3 |
USER CONFIGURABLE SETTINGS | |||
Function |
Label |
Position | |
» |
CMOS memory normal operation |
J30 |
Pins 1 & 2 closed |
CMOS memory clear |
J30 |
Pins 2 & 3 closed |
DIMM CONFIGURATION | ||
Size |
Bank 0 |
Bank 1 |
8MB |
(1) 1M x 64 |
None |
16MB |
(1) 2M x 64 |
None |
16MB |
(1) 1M x 64 |
(1) 1M x 64 |
24MB |
(1) 2M x 64 |
(1) 1M x 64 |
32MB |
(1) 4M x 64 |
None |
32MB |
(1) 2M x 64 |
(1) 2M x 64 |
40MB |
(1) 4M x 64 |
(1) 1M x 64 |
48MB |
(1) 4M x 64 |
(1) 2M x 64 |
64MB |
(1) 8M x 64 |
None |
64MB |
(1) 4M x 64 |
(1) 4M x 64 |
72MB |
(1) 8M x 64 |
(1) 1M x 64 |
80MB |
(1) 8M x 64 |
(1) 2M x 64 |
96MB |
(1) 8M x 64 |
(1) 4M x 64 |
128MB |
(1) 16M x 64 |
None |
128MB |
(1) 8M x 64 |
(1) 8M x 64 |
DIMM CONFIGURATION (CON’T) | ||
Size |
Bank 0 |
Bank 1 |
136MB |
(1) 16M x 64 |
(1) 1M x 64 |
144MB |
(1) 16M x 64 |
(1) 2M x 64 |
160MB |
(1) 16M x 64 |
(1) 4M x 64 |
192MB |
(1) 16M x 64 |
(1) 8M x 64 |
256MB |
(1) 16M x 64 |
(1) 16M x 64 |
Note: Board accepts SDRAM memory. |
CACHE CONFIGURATION |
Note: 256KB/512KB cache is located on the Pentium II CPU. 128KB cache is located on the Celeorn 300A & 333 CPU. |
VIDEO MEMORY CONFIGURATION |
Note: 2MB of video memory is factory installed and is not configurable. |
CPU SPEED SELECTION | |||
CPU speed |
Clock speed |
Multiplier |
J14 |
233MHz |
66MHz |
3.5x |
1 & 2, 9 & 10 |
266MHz |
66MHz |
4x |
5 & 6, 7 & 8, 9 & 10 |
300MHz |
66MHz |
4.5x |
5 & 6, 9 & 10 |
333MHz |
66MHz |
5x |
7 & 8, 9 & 10 |
Note: Pins designated should be in the closed position. |