MICRONICS COMPUTERS, INC.

REDSTONE

Device Type

Mainboard

Processor

Pentium II

Processor Speed

233/266/300/333/350/400MHz

Chip Set

Intel

Video Chip Set

None

Maximum Onboard Memory

768MB (SDRAM supported)

Maximum Video Memory

None

Cache

256/512KB (located on Pentium II CPU)

BIOS

Phoenix

Dimensions

305mm x 244mm

I/O Options

32-bit PCI slots (4), floppy drive interface, game/MIDI port, IDE interfaces (2), parallel port, PS/2 mouse port, serial ports (2), USB connectors (2), ATX power connector, AGP slot, line in, line out, microphone in, audio in – CD-ROM

NPU Options

None

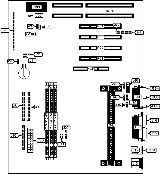
CONNECTIONS

Purpose

Location

Purpose

Location

AGP slot

AGP

CPU fan power 1

J29

ATX power connector

ATX

Chassis fan power

J30

IDE interface 1

J8

I2C connector

J31

IDE interface 2

J9

Chassis intrusion alarm

J32

Floppy drive interface

J10

Game/MIDI port

J38

IDE interface LED

J11

Microphone in

J38A

USB connector 1

J12

Line in

J38B

USB connector 2

J12A

Line out

J38C

PS/2 mouse port

J13

PCI sideband connector

J41

Parallel port

J14

PCI sideband connector

J42

Serial port 1

J15

Audio auxiliary input

J45

Serial port 2

J16

Audio in – CD-ROM

J46

Soft off power supply

J27/pins 1 & 2

Video audio input

J47

IDE interface LED

J27/pins 13 - 16

I2S connector

J48

Power LED

J27/pins 18 – 20

Phone in

J50

Reset switch

J27/pins 22 & 23

32-bit PCI slots

PC1 – PC4

Speaker

J27/pins 24 - 27

   

USER CONFIGURABLE SETTINGS

Function

Label

Position

»

CPU speed select from BIOS disabled

W1

Pins 1 & 2 closed

 

CPU speed select from BIOS enabled

W1

Pins 2 & 3 closed

»

CMOS memory normal operation

W4

Pins 1 & 2 closed

 

CMOS memory clear

W4

Pins 2 & 3 closed

»

Factory configured - do not alter

W5

Unidentified

DIMM CONFIGURATION

Size

Bank 0

Bank 1

Bank 2

8MB

(1) 1M x 64

None

None

16MB

(1) 1M x 64

(1) 1M x 64

None

16MB

(1) 2M x 64

None

None

24MB

(1) 1M x 64

(1) 1M x 64

(1) 1M x 64

32MB

(1) 2M x 64

(1) 2M x 64

None

32MB

(1) 4M x 64

None

None

48MB

(1) 2M x 64

(1) 2M x 64

(1) 2M x 64

64MB

(1) 4M x 64

(1) 4M x 64

None

DIMM CONFIGURATION (CON’T)

Size

Bank 0

Bank 1

Bank 2

64MB

(1) 8M x 64

None

None

96MB

(1) 4M x 64

(1) 4M x 64

(1) 4M x 64

128MB

(1) 8M x 64

(1) 8M x 64

None

128MB

(1) 16M x 64

None

None

136MB

(1) 16M x 64

(1) 1M x 64

None

144MB

(1) 16M x 64

(1) 1M x 64

(1) 1M x 64

144MB

(1) 16M x 64

(1) 2M x 64

None

160MB

(1) 16M x 64

(1) 2M x 64

(1) 2M x 64

160MB

(1) 16M x 64

(1) 4M x 64

None

192MB

(1) 16M x 64

(1) 4M x 64

(1) 4M x 64

192MB

(1) 16M x 64

(1) 8M x 64

None

192MB

(1) 8M x 64

(1) 8M x 64

(1) 8M x 64

256MB

(1) 16M x 64

(1) 8M x 64

(1) 8M x 64

256MB

(1) 16M x 64

(1) 16M x 64

None

256MB

(1) 32M x 64

None

None

264MB

(1) 32M x 64

(1) 1M x 64

None

272MB

(1) 32M x 64

(1) 1M x 64

(1) 1M x 64

272MB

(1) 32M x 64

(1) 2M x 64

None

288MB

(1) 32M x 64

(1) 2M x 64

(1) 2M x 64

288MB

(1) 32M x 64

(1) 4M x 64

None

320MB

(1) 32M x 64

(1) 4M x 64

(1) 4M x 64

320MB

(1) 32M x 64

(1) 8M x 64

None

384MB

(1) 32M x 64

(1) 8M x 64

(1) 8M x 64

384MB

(1) 32M x 64

(1) 16M x 64

None

384MB

(1) 16M x 64

(1) 16M x 64

(1) 16M x 64

512MB

(1) 32M x 64

(1) 16M x 64

(1) 16M x 64

512MB

(1) 32M x 64

(1) 32M x 64

None

768MB

(1) 32M x 64

(1) 32M x 64

(1) 32M x 64

Note: Board accepts SDRAM memory.

CACHE CONFIGURATION

Note: 256KB/512KB cache is located on the Pentium II CPU.