MICRO-STAR INTERNATIONAL CO., LTD.
MS-5172
Device Type |
Mainboard |
Processor |
CX 6X86/CX 6X86L/CX 686MX/AM K5/AM K6/Pentium |
Processor Speed |
Unidentified |
Chip Set |
SIS |
Video Chip Set |
None |
Maximum Onboard Memory |
768MB (EDO & SDRAM supported) |
Maximum Video Memory |
None |
Cache |
512KB |
BIOS |
Unidentified |
Dimensions |
305mm x 186mm |
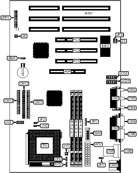
I/O Options |
32-bit PCI slots (3), floppy drive interface, MIDI/game port, green PC connector, IDE interfaces (2), parallel port, PS/2 mouse port, serial ports (2), IR connector, USB connectors (2), ATX power connector, AGP slot, line in, line out, microphone in, audio in – CD-ROMs (2) |
NPU Options |
None |
CONNECTIONS | |||
Purpose |
Location |
Purpose |
Location |
AGP slot |
AGP |
Wake on LAN connector |
J2 |
ATX power connector |
ATX |
Wake on modem connector |
J3 |
Game/MIDI port |
CN1 |
Green PC LED |
J4/pins 1 & 2 |
Microphone in |
CN2 |
Soft off power supply |
J4/pins 3 & 4 |
Line in |
CN3 |
Audio in – CD-ROM |
JCD1 |
Line out |
CN4 |
Audio in – CD-ROM |
JCD2 |
Serial port 2 |
CN5 |
Turbo LED |
JFP1/pins 2 & 3 |
Serial port 1 |
CN6 |
Reset switch |
JFP1/pins 9 & 10 |
Parallel port |
CN7 |
IDE interface LED |
JFP1/pins 12 & 24 |
USB connector 1 |
CN8 |
Power LED & keylock |
JFP1/pins 13 - 17 |
USB connector 2 |
CN9 |
Speaker |
JFP1/pins 19 - 22 |
PS/2 mouse port |
CN10 |
Remote power on/off switch |
JP4/pins 3 & 4 |
IDE interface 2 |
CN11 |
IR connector |
IR1 |
IDE interface 1 |
CN12 |
32-bit PCI slots |
PC1 – PC3 |
Floppy drive interface |
CN13 |
Chassis fan power |
SYS |
CPU fan power |
CPU | ||
Note: The location of J2 & JP4 is unidentified. |
USER CONFIGURABLE SETTINGS | |||
Function |
Label |
Position | |
» |
CMOS memory normal operation |
JBAT |
Pins 1 & 2 closed |
CMOS memory clear |
JBAT |
Pins 2 & 3 closed | |
Power on mode voltage select 5v |
JP1 |
Pins 1 & 2 closed | |
Power on mode voltage select 5vsb |
JP1 |
Pins 2 & 3 closed | |
Cyrix linear mode enabled |
JP2 |
Closed | |
Cyrix linear mode disabled |
JP2 |
Open | |
» |
Flash BIOS voltage select 5v |
JP3 |
Pins 2 & 3 closed |
Flash BIOS voltage select 12v |
JP3 |
Pins 1 & 2 closed | |
» |
Factory configured - do not alter |
JV2 |
Unidentified |
DIMM CONFIGURATION | |||
Size |
Bank 0 |
Bank 1 |
Bank 2 |
8MB |
(1) 1M x 64 |
None |
None |
16MB |
(1) 2M x 64 |
None |
None |
16MB |
(1) 1M x 64 |
(1) 1M x 64 |
None |
24MB |
(1) 2M x 64 |
(1) 1M x 64 |
None |
24MB |
(1) 1M x 64 |
(1) 1M x 64 |
(1) 1M x 64 |
32MB |
(1) 4M x 64 |
None |
None |
32MB |
(1) 2M x 64 |
(1) 1M x 64 |
(1) 1M x 64 |
32MB |
(1) 2M x 64 |
(1) 2M x 64 |
None |
40MB |
(1) 4M x 64 |
(1) 1M x 64 |
None |
40MB |
(1) 2M x 64 |
(1) 2M x 64 |
(1) 1M x 64 |
DIMM CONFIGURATION (CON’T) | |||
Size |
Bank 0 |
Bank 1 |
Bank 2 |
32MB |
(1) 2M x 64 |
(1) 2M x 64 |
None |
40MB |
(1) 4M x 64 |
(1) 1M x 64 |
None |
40MB |
(1) 2M x 64 |
(1) 2M x 64 |
(1) 1M x 64 |
48MB |
(1) 4M x 64 |
(1) 1M x 64 |
(1) 1M x 64 |
48MB |
(1) 4M x 64 |
(1) 2M x 64 |
None |
48MB |
(1) 2M x 64 |
(1) 2M x 64 |
(1) 2M x 64 |
56MB |
(1) 4M x 64 |
(1) 2M x 64 |
(1) 1M x 64 |
64MB |
(1) 8M x 64 |
None |
None |
64MB |
(1) 4M x 64 |
(1) 2M x 64 |
(1) 2M x 64 |
64MB |
(1) 4M x 64 |
(1) 4M x 64 |
None |
72MB |
(1) 8M x 64 |
(1) 1M x 64 |
None |
72MB |
(1) 4M x 64 |
(1) 4M x 64 |
(1) 1M x 64 |
80MB |
(1) 8M x 64 |
(1) 1M x 64 |
(1) 1M x 64 |
80MB |
(1) 8M x 64 |
(1) 2M x 64 |
None |
80MB |
(1) 4M x 64 |
(1) 4M x 64 |
(1) 2M x 64 |
88MB |
(1) 8M x 64 |
(1) 2M x 64 |
(1) 1M x 64 |
96MB |
(1) 8M x 64 |
(1) 2M x 64 |
(1) 2M x 64 |
96MB |
(1) 8M x 64 |
(1) 4M x 64 |
None |
96MB |
(1) 4M x 64 |
(1) 4M x 64 |
(1) 4M x 64 |
104MB |
(1) 8M x 64 |
(1) 4M x 64 |
(1) 1M x 64 |
112MB |
(1) 8M x 64 |
(1) 4M x 64 |
(1) 2M x 64 |
128MB |
(1) 16M x 64 |
None |
None |
128MB |
(1) 8M x 64 |
(1) 4M x 64 |
(1) 4M x 64 |
128MB |
(1) 8M x 64 |
(1) 8M x 64 |
None |
136MB |
(1) 16M x 64 |
(1) 1M x 64 |
None |
136MB |
(1) 8M x 64 |
(1) 8M x 64 |
(1) 1M x 64 |
144MB |
(1) 16M x 64 |
(1) 1M x 64 |
(1) 1M x 64 |
144MB |
(1) 16M x 64 |
(1) 2M x 64 |
None |
144MB |
(1) 8M x 64 |
(1) 8M x 64 |
(1) 2M x 64 |
152MB |
(1) 16M x 64 |
(1) 2M x 64 |
(1) 1M x 64 |
160MB |
(1) 16M x 64 |
(1) 2M x 64 |
(1) 2M x 64 |
160MB |
(1) 16M x 64 |
(1) 4M x 64 |
None |
160MB |
(1) 8M x 64 |
(1) 8M x 64 |
(1) 4M x 64 |
168MB |
(1) 16M x 64 |
(1) 4M x 64 |
(1) 1M x 64 |
176MB |
(1) 16M x 64 |
(1) 4M x 64 |
(1) 2M x 64 |
192MB |
(1) 16M x 64 |
(1) 4M x 64 |
(1) 4M x 64 |
192MB |
(1) 16M x 64 |
(1) 8M x 64 |
None |
192MB |
(1) 8M x 64 |
(1) 8M x 64 |
(1) 8M x 64 |
200MB |
(1) 16M x 64 |
(1) 8M x 64 |
(1) 1M x 64 |
DIMM CONFIGURATION (CON’T) | |||
Size |
Bank 0 |
Bank 1 |
Bank 2 |
208MB |
(1) 16M x 64 |
(1) 8M x 64 |
(1) 2M x 64 |
224MB |
(1) 16M x 64 |
(1) 8M x 64 |
(1) 4M x 64 |
256MB |
(1) 16M x 64 |
(1) 8M x 64 |
(1) 8M x 64 |
384MB |
(1) 16M x 64 |
(1) 16M x 64 |
(1) 16M x 64 |
512MB |
(1) 32M x 64 |
(1) 32M x 64 |
None |
768MB |
(1) 32M x 64 |
(1) 32M x 64 |
(1) 32M x 64 |
Note: Board accepts EDO & SDRAM memory. 384MB maximum if using SDRAM memory. 768MB maximum if using EDO memory. |
CACHE CONFIGURATION |
Note: 512KB cache is factory installed and is not configurable. The location is unidentified. |
CPU CLOCK SPEED SELECTION | |||||
CPU speed |
AGP speed |
PCI speed |
SW1/4 |
SW1/5 |
SW1/6 |
60MHz |
60MHz |
30MHz |
On |
On |
On |
66MHz |
66MHz |
33MHz |
Off |
On |
On |
68.5MHz |
68.5MHz |
34MHz |
On |
Off |
On |
75MHz |
75MHz |
37.5MHz |
Off |
Off |
On |
75MHz |
64MHz |
32MHz |
On |
On |
Off |
83MHz |
66MHz |
33MHz |
Off |
On |
Off |
90MHz |
60MHz |
30MHz |
On |
Off |
Off |
100MHz |
66MHz |
33MHz |
Off |
Off |
Off |
CPU MULTIPLIER SELECTION | |||
Multiplier |
SW1/1 |
SW1/2 |
SW1/3 |
1.5x |
Off |
Off |
Off |
2x |
On |
Off |
Off |
2.5x |
On |
On |
Off |
3x |
Off |
On |
Off |
3.5x |
Off |
Off |
Off |
4x |
On |
Off |
On |
4.5x |
On |
On |
On |
CPU VOLTAGE SELECTION | ||
Voltage |
V core |
JV3 |
3.3v |
2.0v |
Open |
3.3v |
2.1v |
Pins 9 & 10 closed |
3.3v |
2.2v |
Pins 7 & 8 closed |
3.3v |
2.3v |
Pins 7 & 8, 9 & 10 closed |
3.3v |
2.4v |
Pins 5 & 6 closed |
3.3v |
2.5v |
Pins 5 & 6, 9 & 10 closed |
3.3v |
2.6v |
Pins 5 & 6, 7 & 8, closed |
3.3v |
2.7v |
Pins 5 & 6, 7 & 8, 9 & 10 closed |
3.3v |
2.8v |
Pins 3 & 4 closed |
3.3v |
2.9v |
Pins 3 & 4, 9 & 10 closed |
3.3v |
3.0v |
Pins 3 & 4, 7 & 8 closed |
3.3v |
3.1v |
Pins 3 & 4, 7 & 8, 9 & 10 closed |
3.3v |
3.2v |
Pins 3 & 4, 5 & 6 closed |
3.3v |
3.3v |
Pins 3 & 4, 5 & 6, 9 & 10 closed |
3.3v |
3.4v |
Pins 3 & 4, 5 & 6, 7 & 8 closed |
3.5v |
3.5v |
Pins 3 & 4, 5 & 6, 7 & 8, 9 & 10 closed |
CPU VOLTAGE SELECTION | |
Setting |
JV1 |
Single |
Open |
Dual |
Pins 1 & 2, 3 & 4 closed |