MICRONICS COMPUTERS, INC.
TIGERCAT
Processor |
Pentium II |
Processor Speed |
233/266/300/333MHz |
Chip Set |
Intel |
Video Chip Set |
None |
Maximum Onboard Memory |
1GB (EDO supported) |
Maximum Video Memory |
None |
Cache |
256/512KB (located on Pentium II CPU) |
BIOS |
Phoenix |
Dimensions |
305mm x 244mm |
I/O Options |
32-bit PCI slots (4), floppy drive interface, IDE interfaces (2), parallel port, PS/2 mouse port, serial ports (2), IR connector, USB connectors (2), ATX power connector, AGP slot, line in, line out, microphone in, audio in CD-ROMs (2), game/MIDI port |
NPU Options |
None |
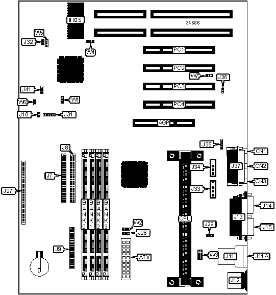
CONNECTIONS | |||
Purpose |
Location |
Purpose |
Location |
AGP slot |
AGP |
IR connector |
J27/pins 6 - 10 |
ATX power connector |
ATX |
IDE interface LED |
J27/pins 13 - 16 |
Microphone in |
CN1 |
Power LED |
J27/pins 18 - 20 |
Line in |
CN2 |
Reset switch |
J27/pins 22 & 23 |
Line out |
CN3 |
Speaker |
J27/pins 26 & 27 |
IDE interface 1 |
J7 |
CPU fan power |
J28 |
IDE interface 2 |
J8 |
Chassis fan power |
J29 |
Floppy drive interface |
J9 |
Temperature sensor |
J31 |
IDE interface LED |
J10 |
Chassis intrusion alarm |
J32 |
USB connector 1 |
J11 |
Audio in CD-ROM |
J33 |
USB connector 2 |
J11A |
Audio in CD-ROM |
J34 |
PS/2 mouse port |
J12 |
Modem/telephony |
J35 |
Parallel port |
J13 |
Game/MIDI port |
J37 |
Serial port 1 |
J14 |
Wake on LAN connector |
J41 |
Serial port 2 |
J15 |
32-bit PCI slots |
PC1 PC4 |
Soft off power supply |
J27/pins 1 & 2 |
USER CONFIGURABLE SETTINGS | |||
Function |
Label |
Position | |
» |
Wavetable enabled |
J36 |
Closed |
Wavetable disabled |
J36 |
Open | |
» |
Host bus agents pipeline mode normal operation |
W2 |
Pins 2 & 3 closed |
Host bus agents pipeline mode reserved |
W2 |
Pins 1 & 2 closed | |
» |
Flash BIOS write protect enabled |
W4 |
Pins 1 & 2 closed |
Flash BIOS write protect disabled |
W4 |
Pins 2 & 3 closed | |
» |
CMOS memory normal operation |
W5 |
Pins 1 & 2 closed |
CMOS memory clear |
W5 |
Pins 2 & 3 closed | |
» |
Soft off power supply switch enabled |
W6 |
Open |
Forced cycling enabled |
W6 |
Closed | |
» |
On board sound enabled |
W7 |
Pins 1 & 2 closed |
On board sound disabled |
W7 |
Pins 2 & 3 closed |
DIMM CONFIGURATION | ||||
Size |
Bank 0 |
Bank 1 |
Bank 2 |
Bank 3 |
8MB |
(1) 1M x 64 |
None |
None |
None |
16MB |
(1) 2M x 64 |
None |
None |
None |
16MB |
(1) 1M x 64 |
(1) 1M x 64 |
None |
None |
24MB |
(1) 2M x 64 |
(1) 1M x 64 |
None |
None |
24MB |
(1) 1M x 64 |
(1) 1M x 64 |
(1) 1M x 64 |
None |
32MB |
(1) 2M x 64 |
(1) 2M x 64 |
None |
None |
32MB |
(1) 4M x 64 |
None |
None |
None |
32MB |
(1) 1M x 64 |
(1) 1M x 64 |
(1) 1M x 64 |
(1) 1M x 64 |
DIMM CONFIGURATION (CONT) | ||||
Size |
Bank 0 |
Bank 1 |
Bank 2 |
Bank 3 |
40MB |
(1) 2M x 64 |
(1) 2M x 64 |
(1) 1M x 64 |
None |
40MB |
(1) 2M x 64 |
(1) 1M x 64 |
(1) 1M x 64 |
(1) 1M x 64 |
40MB |
(1) 4M x 64 |
(1) 1M x 64 |
None |
None |
48MB |
(1) 2M x 64 |
(1) 2M x 64 |
(1) 2M x 64 |
None |
48MB |
(1) 2M x 64 |
(1) 2M x 64 |
(1) 1M x 64 |
(1) 1M x 64 |
48MB |
(1) 4M x 64 |
(1) 1M x 64 |
(1) 1M x 64 |
None |
56MB |
(1) 4M x 64 |
(1) 2M x 64 |
(1) 1M x 64 |
None |
56MB |
(1) 4M x 64 |
(1) 1M x 64 |
(1) 1M x 64 |
(1) 1M x 64 |
64MB |
(1) 2M x 64 |
(1) 2M x 64 |
(1) 2M x 64 |
(1) 2M x 64 |
64MB |
(1) 4M x 64 |
(1) 4M x 64 |
None |
None |
64MB |
(1) 8M x 64 |
None |
None |
None |
80MB |
(1) 4M x 64 |
(1) 2M x 64 |
(1) 2M x 64 |
(1) 2M x 64 |
80MB |
(1) 4M x 64 |
(1) 4M x 64 |
(1) 1M x 64 |
(1) 1M x 64 |
80MB |
(1) 8M x 64 |
(1) 2M x 64 |
None |
None |
80MB |
(1) 8M x 64 |
(1) 1M x 64 |
(1) 1M x 64 |
None |
96MB |
(1) 4M x 64 |
(1) 4M x 64 |
(1) 2M x 64 |
(1) 2M x 64 |
96MB |
(1) 4M x 64 |
(1) 4M x 64 |
(1) 4M x 64 |
None |
96MB |
(1) 8M x 64 |
(1) 2M x 64 |
(1) 1M x 64 |
(1) 1M x 64 |
112MB |
(1) 4M x 64 |
(1) 4M x 64 |
(1) 4M x 64 |
(1) 2M x 64 |
112MB |
(1) 8M x 64 |
(1) 4M x 64 |
(1) 2M x 64 |
None |
112MB |
(1) 8M x 64 |
(1) 4M x 64 |
(1) 1M x 64 |
(1) 1M x 64 |
128MB |
(1) 16M x 64 |
None |
None |
None |
128MB |
(1) 4M x 64 |
(1) 4M x 64 |
(1) 4M x 64 |
(1) 4M x 64 |
128MB |
(1) 8M x 64 |
(1) 4M x 64 |
(1) 4M x 64 |
None |
128MB |
(1) 8M x 64 |
(1) 8M x 64 |
None |
None |
160MB |
(1) 16M x 64 |
(1) 2M x 64 |
(1) 1M x 64 |
(1) 1M x 64 |
192MB |
(1) 16M x 64 |
(1) 4M x 64 |
(1) 4M x 64 |
None |
192MB |
(1) 8M x 64 |
(1) 8M x 64 |
(1) 4M x 64 |
(1) 4M x 64 |
192MB |
(1) 8M x 64 |
(1) 8M x 64 |
(1) 8M x 64 |
None |
224MB |
(1) 16M x 64 |
(1) 8M x 64 |
(1) 2M x 64 |
(1) 2M x 64 |
224MB |
(1) 16M x 64 |
(1) 8M x 64 |
(1) 4M x 64 |
None |
256MB |
(1) 16M x 64 |
(1) 16M x 64 |
None |
None |
256MB |
(1) 16M x 64 |
(1) 8M x 64 |
(1) 4M x 64 |
(1) 4M x 64 |
256MB |
(1) 16M x 64 |
(1) 8M x 64 |
(1) 8M x 64 |
None |
256MB |
(1) 8M x 64 |
(1) 8M x 64 |
(1) 8M x 64 |
(1) 8M x 64 |
288MB |
(1) 16M x 64 |
(1) 16M x 64 |
(1) 4M x 64 |
None |
320MB |
(1) 16M x 64 |
(1) 8M x 64 |
(1) 8M x 64 |
(1) 8M x 64 |
384MB |
(1) 16M x 64 |
(1) 16M x 64 |
(1) 16M x 64 |
None |
384MB |
(1) 16M x 64 |
(1) 16M x 64 |
(1) 8M x 64 |
(1) 8M x 64 |
448MB |
(1) 16M x 64 |
(1) 16M x 64 |
(1) 16M x 64 |
(1) 8M x 64 |
512MB |
(1) 16M x 64 |
(1) 16M x 64 |
(1) 16M x 64 |
(1) 16M x 64 |
1024MB |
(1) 32M x 64 |
(1) 32M x 64 |
(1) 32M x 64 |
(1) 32M x 64 |
Note: Board accepts EDO memory. |
CACHE CONFIGURATION |
Note: 256KB/512KB cache is located on the Pentium II CPU. |
CPU SPEED SELECTION | ||||
CPU speed |
Clock speed |
Multiplier |
W1 |
W3 |
233MHz |
66MHz |
3.5x |
2 & 3 |
1 & 2, 3 & 4 |
266MHz |
66MHz |
4x |
2 & 3 |
1 & 2, 5 & 6, 7 & 8 |
300MHz |
66MHz |
4.5x |
2 & 3 |
1 & 2, 5 & 6 |
333MHz |
66MHz |
5x |
2 & 3 |
1 & 2, 7 & 8 |
Note: Pins designated should be in the closed position. |