MICRONICS COMPUTERS, INC.

THUNDERBOLT

Processor

AM K5/Pentium

Processor Speed

90/100/120/133/150/166/180/200/233MHz

Chip Set

Intel

Video Chip Set

None

Maximum Onboard Memory

256MB (EDO supported)

Maximum Video Memory

None

Cache

256/512KB

BIOS

Phoenix

Dimensions

305mm x 244mm

I/O Options

32-bit PCI slots (4), CD-ROM audio in connectors (3), floppy drive interface, MIDI/game port, IDE interfaces (2), parallel port, PS/2 mouse port, serial ports (2), IR connector, USB connectors (2), ATX power connector, microphone in connector, line in connector, line out connector, modem connector

NPU Options

None

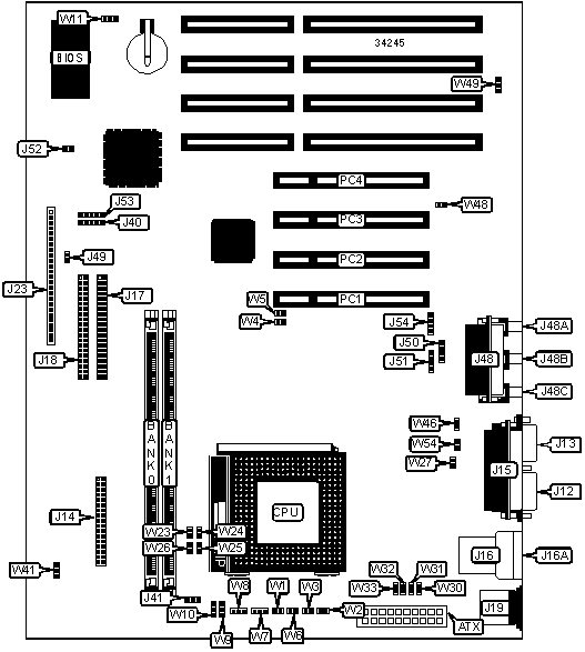
CONNECTIONS

Purpose

Location

Purpose

Location

ATX power connector

ATX

Reset switch

J23/pins 22 & 23

Serial port 1

J12

Speaker

J23/pins 24 - 26

Serial port 2

J13

Keylock

J40

Floppy drive interface

J14

Chassis fan power

J41

Parallel port

J15

Panasonic CD-ROM connector

J45

USB connector 1

J16

Mitsumi CD-ROM connector

J46

USB connector 2

J16A

Modem connector

J47

IDE interface 1

J17

SCSI interface LED

J49

IDE interface 2

J18

CD-ROM audio in connector

J50

PS/2 mouse port

J19

Modem audio connector

J51

Chassis fan power

J20

MIDI/game port

JP48

Soft off power supply

J23/pins 1 & 2

Microphone in connector

JP48A

IR connector

J23/pins 6 - 10

Line in connector

JP48B

IDE interface LED

J23/pins 13 - 16

Line out connector

JP48C

Power LED

J23/pins 18 - 20

32-bit PCI slots

PC1 – PC4

Note: The location of J20, J45, J46, J47 are unidentified.

USER CONFIGURABLE SETTINGS

Function

Label

Position

»

Factory configured - do not alter

J52

Unidentified

»

Factory configured - do not alter

J53

Unidentified

»

Factory configured - do not alter

J54

Unidentified

»

Factory configured - do not alter

W1

Unidentified

»

Factory configured - do not alter

W7

Unidentified

»

Factory configured - do not alter

W8

Unidentified

»

Factory configured - do not alter

W9

Unidentified

»

Factory configured - do not alter

W10

Unidentified

»

CMOS memory normal operation

W11

Pins 1 & 2 closed

 

CMOS memory clear

W11

Pins 2 & 3 closed

»

Flash BIOS write protect disabled

W12

Open

 

Flash BIOS write protect enabled

W12

Closed

»

Factory configured - do not alter

W41

Unidentified

»

Wavetable enabled

W48

Closed

 

Wave table disabled

W48

Open

»

On board sound enabled

W49

Pins 1 & 2 closed

 

On board sound disabled

W49

Pins 2 & 3 closed

»

Factory configured - do not alter

W54

Unidentified

Note: The location of W12 is unidentified.

DIMM CONFIGURATION

Size

Bank 0

Bank 1

8MB

(1) 1M x 64

None

16MB

(1) 2M x 64

None

16MB

(1) 1M x 64

(1) 1M x 64

24MB

(1) 2M x 64

(1) 1M x 64

32MB

(1) 4M x 64

None

32MB

(1) 2M x 64

(1) 2M x 64

40MB

(1) 4M x 64

(1) 1M x 64

48MB

(1) 4M x 64

(1) 2M x 64

64MB

(1) 8M x 64

None

64MB

(1) 4M x 64

(1) 4M x 64

72MB

(1) 8M x 64

(1) 1M x 64

80MB

(1) 8M x 64

(1) 2M x 64

96MB

(1) 8M x 64

(1) 4M x 64

128MB

(1) 8M x 64

(1) 8M x 64

128MB

(1) 16M x 64

None

136MB

(1) 16M x 64

(1) 1M x 64

144MB

(1) 16M x 64

(1) 2M x 64

160MB

(1) 16M x 64

(1) 4M x 64

192MB

(1) 16M x 64

(1) 8M x 64

256MB

(1) 16M x 64

(1) 16M x 64

Note: Board accepts EDO memory.

CACHE CONFIGURATION

Size

Bank 0

256KB

(2) 32K x 32

512KB

(2) 64K x 32

Note: The location of bank 0 is unidentified.

CACHE JUMPER CONFIGURATION

Size

W46

256KB

Closed

512KB

Open

CPU SPEED SELECTION (AMD)

CPU speed

Clock speed

Multiplier

W2

W3

W4

W5

W6

90MHz

60MHz

1.5x

Open

Open

Closed

Open

Closed

100MHz

66MHz

1.5x

Open

Open

Open

Closed

Open

120MHz

60MHz

2x

Closed

Open

Closed

Open

Closed

133MHz

66MHz

2x

Closed

Open

Open

Closed

Open

150MHz

60MHz

2.5x

Closed

Closed

Closed

Open

Closed

166MHz

66MHz

2.5x

Closed

Closed

Open

Closed

Open

180MHz

60MHz

3x

Open

Closed

Closed

Open

Closed

200MHz

66MHz

3x

Open

Closed

Open

Closed

Open

233MHz

66MHz

3.5x

Open

Open

Open

Closed

Open

CPU SPEED SELECTION (INTEL)

CPU speed

Clock speed

Multiplier

W2

W3

W4

W5

W6

90MHz

60MHz

1.5x

Open

Open

Closed

Open

Closed

100MHz

66MHz

1.5x

Open

Open

Open

Closed

Open

120MHz

60MHz

2x

Closed

Open

Closed

Open

Closed

133MHz

66MHz

2x

Closed

Open

Open

Closed

Open

150MHz

60MHz

2.5x

Closed

Closed

Closed

Open

Closed

166MHz

66MHz

2.5x

Closed

Closed

Open

Closed

Open

180MHz

60MHz

3x

Open

Closed

Closed

Open

Closed

200MHz

66MHz

3x

Open

Closed

Open

Closed

Open

233MHz

66MHz

3.5x

Open

Open

Open

Closed

Open

CPU TYPE SELECTION

Type

W23

W24

W25

W26

AM K5

Closed

Closed

Closed

Closed

P54C

Closed

Closed

Closed

Closed

P55C

Open

Open

Open

Open

MMX

Open

Open

Open

Open

CPU TYPE SELECTION (CON’T)

Type

W30

W31

W32

W33

AM K5

Open

Open

Open

Open

P54C

Open

Open

Open

Open

P55C

Closed

Closed

Closed

Closed

CPU VOLTAGE SELECTION

Voltage

W27

 

3.3v

Closed

»

3.5v

Open