OCEAN INFORMATION SYSTEMS, INC.
HIPPO 10 486
Processor |
CX486S/UMCU5/80486SX/CX486DX/(SL)AM486DX/80486DX/ (SL)80486DX/CX486DX2/(SL)AM486DX2/80486DX2/SL80486DX2/ AM486DX4/(SL)AM486DX4/80486DX4/P24D/P24T |
Processor Speed |
25/33/40/50(internal)/50/66(internal)/80(internal)/100(internal)MHz |
Chip Set |
Unidentified |
Video Chip Set |
None |
Maximum Onboard Memory |
64MB |
Maximum Video Memory |
None |
Cache |
128/256/512KB |
BIOS |
Unidentified |
Dimensions |
254mm x 218mm |
I/O Options |
32-bit VESA local bus slots (2), floppy drive interface, game interface, green PC connector, IDE interfaces (2), parallel port, serial ports (2) |
NPU Options |
None |
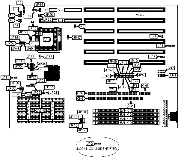
CONNECTIONS | |||
Function |
Label |
Function |
Label |
Serial port 1 |
CN1 |
IDE interface 1 |
JP44 |
Serial port 2 |
CN2 |
IDE interface 2 |
JP45 |
Game interface |
CN3 |
Chassis fan power |
P3 |
Floppy drive interface |
CN4 |
Turbo switch |
P4 |
Parallel port |
CN5 |
Turbo LED |
P6 |
IDE interface 1 |
CN6 |
Reset switch |
P7 |
IDE interface 2 |
CN7 |
Speaker |
P8 |
External battery |
JP1 |
Power LED & keylock |
P9 |
Green PC connector |
JP43 |
32-bit VESA local bus slots |
SL1 & SL2 |
USER CONFIGURABLE SETTINGS | |||
Setting |
Label |
Position | |
» |
CMOS memory normal operation |
JP1 |
Pins 2 & 3 closed |
CMOS memory clear |
JP1 |
Pins 3 & 4 closed | |
» |
Factory configured - do not alter |
JP2 |
Open |
» |
Factory configured - do not alter |
JP3 |
Pins 1 & 2 closed |
» |
Factory configured - do not alter |
JP4 |
Closed |
Floppy drive interface enabled |
JP7 |
Pins 1 & 2 closed | |
Floppy drive interface disabled |
JP7 |
Pins 2 & 3 closed | |
Parallel port address select 378H |
JP8 |
Pins 1 & 2 closed | |
Parallel port address select 278H |
JP8 |
Pins 2 & 3 closed | |
Game port enabled |
JP9 |
Pins 1 & 2 closed | |
Game port disabled |
JP9 |
Pins 2 & 3 closed | |
Serial port 1 enabled |
JP10 |
Pins 1 & 2 closed | |
Serial port 1 disabled |
JP10 |
Pins 2 & 3 closed | |
Serial port 1 address select 3F8 - 3FFh |
JP11 |
Pins 1 & 2 closed | |
Serial port 1 address select 3E8 - 3EFh |
JP11 |
Pins 2 & 3 closed | |
Serial port 2 enabled |
JP12 |
Pins 1 & 2 closed | |
Serial port 2 disabled |
JP12 |
Pins 2 & 3 closed | |
Serial port 2 address select 2F8 - 2FFh |
JP13 |
Pins 1 & 2 closed | |
Serial port 2 address select 2E8 - 2EFh |
JP13 |
Pins 2 & 3 closed | |
» |
Factory configured - do not alter |
JP16 |
Open |
IDE interface 2 enabled |
JP19 |
Pins 1 & 2 closed | |
IDE interface 2 disabled |
JP19 |
Pins 2 & 3 closed | |
IDE interface 1 enabled |
JP20 |
Pins 1 & 2 closed | |
IDE interface 1 disabled |
JP20 |
Pins 2 & 3 closed | |
» |
Factory configured - do not alter |
JP31 |
Closed |
» |
Factory configured - do not alter |
JP42 |
Open |
» |
Factory configured - do not alter |
JP47 |
Pins 2 & 3 closed |
» |
Factory configured - do not alter |
JP49 |
Open |
» |
Factory configured - do not alter |
JP50 |
Closed |
» |
Factory configured - do not alter |
JP51 |
Open |
» |
Factory configured - do not alter |
JP52 |
Closed |
DRAM CONFIGURATION | ||||
Size |
Bank 0 |
Bank 1 |
Bank 2 |
Bank 3 |
4MB |
(1) 1M x 32 |
None |
None |
None |
8MB |
(1) 2M x 32 |
None |
None |
None |
8MB |
(1) 1M x 32 |
(1) 1M x 32 |
None |
None |
12MB |
(1) 1M x 32 |
(1) 2M x 32 |
None |
None |
12MB |
(1) 1M x 32 |
(1) 1M x 32 |
(1) 1M x 32 |
None |
12MB |
(1) 1M x 32 |
(1) 2M x 32 |
None |
None |
16MB |
(1) 4M x 32 |
None |
None |
None |
16MB |
(1) 1M x 32 |
(1) 2M x 32 |
(1) 1M x 32 |
None |
16MB |
(1) 2M x 32 |
(1) 2M x 32 |
None |
None |
16MB |
(1) 1M x 32 |
(1) 1M x 32 |
(1) 1M x 32 |
(1) 1M x 32 |
20MB |
(1) 1M x 32 |
(1) 4M x 32 |
None |
None |
24MB |
(1) 1M x 32 |
(1) 1M x 32 |
(1) 4M x 32 |
None |
24MB |
(1) 2M x 32 |
(1) 4M x 32 |
None |
None |
28MB |
(1) 1M x 32 |
(1) 2M x 32 |
(1) 4M x 32 |
None |
32MB |
(1) 4M x 32 |
(1) 4M x 32 |
None |
None |
36MB |
(1) 1M x 32 |
(1) 4M x 32 |
(1) 4M x 32 |
None |
40MB |
(1) 1M x 32 |
(1) 1M x 32 |
(1) 4M x 32 |
(1) 4M x 32 |
40MB |
(1) 4M x 32 |
(1) 2M x 32 |
(1) 4M x 32 |
None |
48MB |
(1) 4M x 32 |
(1) 4M x 32 |
(1) 4M x 32 |
None |
52MB |
(1) 1M x 32 |
(1) 4M x 32 |
(1) 4M x 32 |
(1) 4M x 32 |
64MB |
(1) 4M x 32 |
(1) 4M x 32 |
(1) 4M x 32 |
(1) 4M x 32 |
CACHE CONFIGURATION | |||
Size |
Bank 0 |
Bank 1 |
TAG |
128KB |
(4) 32K x 8 |
None |
(1) 32K x 8 |
256KB (A) |
(4) 64K x 8 |
None |
(1) 32K x 8 |
256KB (B) |
(4) 32K x 8 |
(4) 32K x 8 |
(1) 32K x 8 |
512KB |
(4) 128K x 8 |
None |
(1) 32K x 8 |
CACHE JUMPER CONFIGURATION | ||||
Size |
JP21 |
JP22 |
JP23 |
JP24 |
128KB |
Open |
Open |
2 & 3 |
1 & 2 |
256KB (A) |
Open |
Closed |
2 & 3, 4 & 5 |
1 & 2 |
256KB (B) |
Open |
Closed |
3 & 4 |
2 & 3 |
512KB |
Closed |
Closed |
1 & 2, 3 & 4, 5 & 6 |
1 & 2 |
CPU SPEED SELECTION | |||
Speed |
JP28 |
JP29 |
JP30 |
25MHz |
Open |
Open |
Closed |
33MHz |
Closed |
Closed |
Closed |
40MHz |
Open |
Closed |
Closed |
50iMHz |
Open |
Open |
Closed |
50MHz |
Closed |
Open |
Open |
66iMHz |
Closed |
Closed |
Closed |
80iMHz |
Open |
Closed |
Closed |
100iMHz |
Closed |
Closed |
Closed |
CPU TYPE SELECTION | ||||
Type |
JP32 |
JP33 |
JP34 |
JP35 |
CX486S |
Open |
2 & 3 |
2 & 3, 4 & 5 |
1 & 2, 3 & 4, 5 & 6 |
UMC U5 |
3 & 4 |
2 & 3 |
Open |
2 & 3 |
80486SX |
Open |
2 & 3 |
Open |
Open |
CX486DX |
1 & 2 |
1 & 2, 3 & 4 |
2 & 3 |
1 & 2, 3 & 4, 5 & 6 |
(SL)AM486DX |
1 & 2 |
1 & 2, 3 & 4 |
1 & 2, 3 & 4 |
1 & 2 |
80486DX |
1 & 2 |
1 & 2, 3 & 4 |
Open |
Open |
SL80486DX |
1 & 2 |
1 & 2, 3 & 4 |
1 & 2, 3 & 4 |
1 & 2 |
CX486DX2 |
1 & 2 |
1 & 2, 3 & 4 |
2 & 3 |
1 & 2, 3 & 4, 5 & 6 |
AM486DX2 |
1 & 2, 3 & 4 |
1 & 2, 3 & 4 |
Open |
2 & 3 |
(SL)AM486DX2 |
1 & 2 |
1 & 2, 3 & 4 |
1 & 2, 3 & 4 |
1 & 2 |
80486DX2 |
1 & 2 |
1 & 2, 3 & 4 |
Open |
Open |
SL80486DX2 |
1 & 2 |
1 & 2, 3 & 4 |
1 & 2, 3 & 4 |
1 & 2 |
AM486DX4 |
1 & 2, 3 & 4 |
1 & 2, 3 & 4 |
Open |
2 & 3 |
(SL)AM486DX4 |
1 & 2 |
1 & 2, 3 & 4 |
1 & 2, 3 & 4 |
1 & 2 |
80486DX4 |
1 & 2 |
1 & 2, 3 & 4 |
1 & 2, 3 & 4 |
1 & 2 |
P24D |
1 & 2 |
1 & 2, 3 & 4 |
1 & 2, 3 & 4 |
1 & 2, 4 & 5 |
P24T |
2 & 3 |
1 & 2, 3 & 4 |
1 & 2, 3 & 4 |
1 & 2 |
Note: Pins designated should be in the closed position. |
CPU TYPE SELECTION (CON’T) | |||
Type |
JP36 |
JP37 |
JP57 |
CX486S |
2 & 3, 4 & 5 |
1 & 2, 3 & 4, 5 & 6 |
Open |
UMC U5 |
1 & 2 |
2 & 3 |
Open |
80486SX |
Open |
2 & 3 |
Open |
CX486DX |
2 & 3, 4 & 5 |
1 & 2, 3 & 4, 5 & 6 |
Open |
(SL)AM486DX |
5 & 6 |
1 & 2 |
Open |
80486DX |
Open |
2 & 3 |
Open |
SL80486DX |
5 & 6 |
1 & 2 |
Open |
CX486DX2 |
2 & 3, 4 & 5 |
1 & 2, 3 & 4, 5 & 6 |
Open |
AM486DX2 |
1 & 2 |
2 & 3 |
2 & 3 |
(SL)AM486DX2 |
5 & 6 |
1 & 2 |
Open |
80486DX2 |
Open |
2 & 3 |
Open |
SL80486DX2 |
5 & 6 |
1 & 2 |
Open |
AM486DX4 |
1 & 2 |
2 & 3 |
1 & 2 |
(SL)AM486DX4 |
5 & 6 |
1 & 2 |
Open |
80486DX4 |
5 & 6 |
1 & 2 |
Open |
P24D |
3 & 4, 5 & 6 |
1 & 2, 4 & 5 |
Open |
P24T |
5 & 6 |
1 & 2 |
Open |
Note: Pins designated should be in the closed position. |
CPU MULTIPLIER SELECTION | |
Multiplier |
JP27 |
2x |
Pins 2 & 3 closed |
2.5x |
Pins 1 & 2 closed |
3x |
Open |
CPU VOLTAGE SELECTION | ||||||
Voltage |
JP46 |
JP48 |
JP53 |
JP54 |
JP55 |
JP56 |
3.45v/5v (auto) |
Open |
Open |
Closed |
Open |
Open |
Open |
3.3v (fixed) |
Open |
Closed |
Open |
Open |
Open |
Open |
3.45v (fixed) |
Open |
Open |
Open |
Open |
Open |
Open |
3.6v (fixed) |
Closed |
Open |
Open |
Open |
Open |
Open |
3.8v (fixed) |
Open |
Open |
Open |
Open |
Closed |
Open |
4v (fixed) |
Open |
Open |
Open |
Open |
Open |
Closed |
5v (fixed) |
Open |
Open |
Open |
Closed |
Open |
Open |
VL BUS WAIT STATE SELECTION | |
Setting |
JP25 |
0 |
Open |
1 |
Closed |
VL-BUS SPEED SELECTION | |
Setting |
JP26 |
<= 33MHz |
Open |
>33 MHz |
Closed |
IDE SPEED SELECTION | ||
Speed |
JP17 |
JP18 |
Slow |
Pins 1 & 2 closed |
Pins 2 & 3 closed |
Slower |
Pins 1 & 2 closed |
Pins 1 & 2 closed |
Fast |
Pins 2 & 3 closed |
Pins 1 & 2 closed |
Faster |
Pins 2 & 3 closed |
Pins 2 & 3 closed |
PARALLEL PORT SELECTION | ||
Setting |
JP5 |
JP6 |
Disabled |
Pins 2 & 3 closed |
Pins 2 & 3 closed |
SPP mode |
Pins 1 & 2 closed |
Pins 2 & 3 closed |
EPP mode |
Pins 2 & 3 closed |
Pins 1 & 2 closed |
ECP mode |
Pins 1 & 2 closed |
Pins 1 & 2 closed |