NEC TECHNOLOGIES, INC.
POWERMATE 1 (APC-H200E, APC-H201E, APC-H202E, APC-H203E)
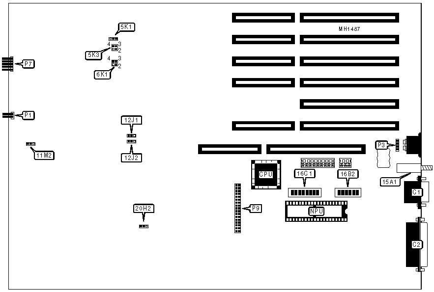
Processor |
80286 |
Processor Speed |
10MHz |
Chip Set |
Intel |
Max. Onboard DRAM |
640MB |
SRAM Cache |
None |
BIOS |
Phoenix |
Dimensions |
330mm x 218mm |
I/O Options |
Floppy drive interface, parallel port, serial port |
NPU Options |
80287 |
CONNECTIONS | |||
Purpose |
Location |
Purpose |
Location |
Serial port |
C1 |
External battery |
P3 |
Parallel port |
C2 |
Power LED & keylock |
P7 |
Speaker |
P1 |
Floppy drive interface |
P9 |
USER CONFIGURABLE SETTINGS | |||
Function |
Jumper/Switch |
Position | |
» |
Factory configured - do not alter |
5K1 |
pins 1 & 2 closed |
» |
RAS/ALE output select normal |
11M2 |
pins 2 & 3 closed |
RAS/ALE output select early |
11M2 |
pins 1 & 2 closed | |
» |
Not used |
16C1/1 |
Off |
» |
Parallel port enabled |
16C1/2 |
On |
Parallel port disabled |
16C1/2 |
Off | |
» |
Not used |
16C1/5 |
On |
» |
Floppy interface (P9) enabled |
16C1/6 |
On |
Floppy interface (P9) disabled |
16C1/6 |
Off | |
» |
Floppy address select primary |
16C1/7 |
Off |
Floppy address select secondary |
16C1/7 |
On | |
» |
Monitor type select color |
16C1/8 |
On |
Monitor type select monochrome |
16C1/8 |
Off | |
» |
Factory configured - do not alter |
16B2/1 |
On |
» |
Factory configured - do not alter |
16B2/2 |
Off |
» |
Factory configured - do not alter |
16B2/3 |
On |
» |
Not used |
16B2/4 |
On |
» |
Factory configured - do not alter |
16B2/6 |
On |
» |
Floppy drive ROM select normal |
20H2 |
pins 1 & 2 closed |
Floppy drive ROM select special |
20H2 |
pins 2 & 3 closed | |
Note:Jumper 5K1 is not present on later revisions of the board. |
TEST MODE CONFIGURATION | |||
Mode |
16B2/5 |
15A1 | |
» |
Normal operation |
On |
Out |
Test mode enabled |
Off |
In |
SERIAL PORT CONFIGURATION | |||||
Port Assignment |
Address |
Interrupt |
16C1/3 |
16C1/4 | |
» |
COM1 |
3F8-3FFh |
IRQ4 |
On |
Off |
COM2 |
2F8-2FFh |
IRQ3 |
Off |
On | |
Disabled |
N/A |
N/A |
Off |
Off |
DRAM CONFIGURATION | ||||
Size |
Bank 0 |
Bank 1 |
6K1/pins 1 & 4 |
6K1/pins 2 & 3 |
512KB |
512K |
0K |
Open |
Closed |
640KB |
512K |
128K |
Closed |
Open |
MEMORY WAIT STATE CONFIGURATION | ||
Wait state |
5K3/pins 1 & 2 |
5K3/pins 3 & 4 |
2 wait states |
Closed |
Open |
1 wait state |
Open |
Closed |
Note:Memory wait states are only applied to external memory card(s). When not in turbo mode the memory wait state is always 1 wait state. |
BIOS CONFIGURATION | |||
Type |
Size |
12J1 |
12J2 |
EPROM |
27256 |
pins 2 & 3 closed |
pins 2 & 3 closed |
EPROM |
27128 |
pins 1 & 2 closed |
pins 2 & 3 closed |
ROM |
27256 |
pins 1 & 2 closed |
pins 1 & 2 closed |
ROM |
27128 |
pins 1 & 2 closed |
pins 1 & 2 closed |