LANNER ELECTRONICS, INC.
TF-586VM
Device Type |
Mainboard |
Processor |
CX 6X86/CX 6X86L/CX MII/AM K5/AM K6/Pentium/Pentium MMX |
Processor Speed |
75/90/100/120/133/150/166/200/233MHz |
Chip Set |
Intel 430TX |
Video Chip Set |
S3 |
Maximum Onboard Memory |
256MB |
Maximum Video Memory |
2MB |
Cache |
512KB |
BIOS |
Award |
Dimensions |
305mm x 230mm |
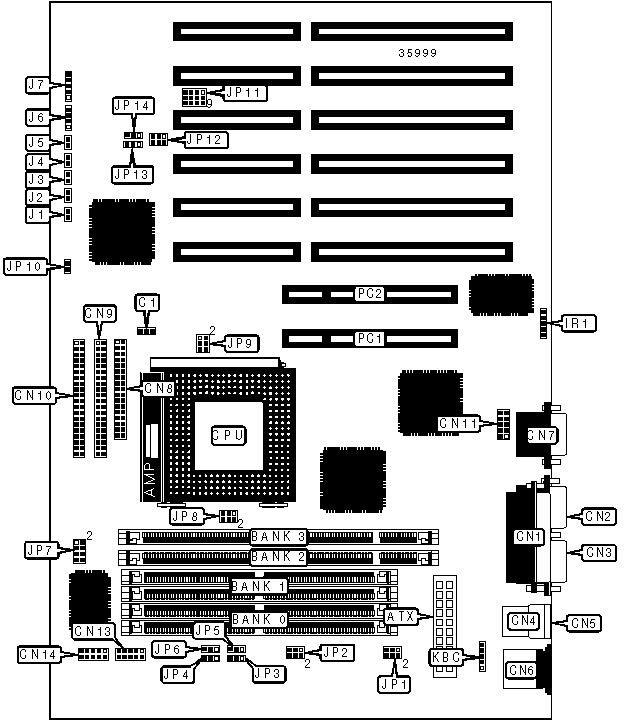
I/O Options |
32-bit PCI slots (2), floppy drive interface, green PC connector, IDE interfaces (2), parallel port, PS/2 mouse port, serial ports (2), VGA port, IR connector, USB connectors (2), ATX power connector |
CONNECTIONS | |||
Purpose |
Location |
Purpose |
Location |
ATX power connector |
ATX |
Serial port 4 |
CN13 |
CPU fan power |
C1 |
Serial port 3 |
CN14 |
Parallel port |
CN1 |
IR connector |
IR1 |
Serial port 2 |
CN2 |
IDE interface LED |
J1 |
Serial port 1 |
CN3 |
Green PC LED |
J2 |
USB connector 1 |
CN4 |
Soft off power supply |
J3 |
USB connector 2 |
CN5 |
Green PC connector |
J4 |
PS/2 mouse port |
CN6 |
Reset switch |
J5 |
VGA port |
CN7 |
Speaker |
J6 |
Floppy drive interface |
CN8 |
Power LED & keylock |
J7 |
IDE interface 2 |
CN9 |
Auxiliary keyboard connector |
KBC |
IDE interface 1 |
CN10 |
32-bit PCI slots |
PC1 – PC2 |
VGA interface |
CN11 |
USER CONFIGURABLE SETTINGS | |||
Function |
Label |
Position | |
» |
Factory configured - do not alter |
JP1 |
Unidentified |
» |
Factory configured - do not alter |
JP10 |
Unidentified |
» |
CMOS memory normal operation |
JP13 |
Pins 1 & 2 closed |
CMOS memory clear |
JP13 |
Pins 2 & 3 closed |
SIMM CONFIGURATION | ||
Size |
Bank 0 |
Bank 1 |
8MB |
(2) 1M x 36 |
None |
16MB |
(2) 2M x 36 |
None |
16MB |
(2) 1M x 36 |
(2) 1M x 36 |
24MB |
(2) 2M x 36 |
(2) 1M x 36 |
32MB |
(2) 4M x 36 |
None |
32MB |
(2) 2M x 36 |
(2) 2M x 36 |
40MB |
(2) 4M x 36 |
(2) 1M x 36 |
48MB |
(2) 4M x 36 |
(2) 2M x 36 |
64MB |
(2) 8M x 36 |
None |
64MB |
(2) 4M x 36 |
(2) 4M x 36 |
72MB |
(2) 8M x 36 |
(2) 1M x 36 |
80MB |
(2) 8M x 36 |
(2) 2M x 36 |
96MB |
(2) 8M x 36 |
(2) 4M x 36 |
128MB |
(2) 8M x 36 |
(2) 8M x 36 |
128MB |
(2) 16M x 36 |
None |
144MB |
(2) 16M x 36 |
(2) 2M x 36 |
160MB |
(2) 16M x 36 |
(2) 4M x 36 |
192MB |
(2) 16M x 36 |
(2) 8M x 36 |
256MB |
(2) 16M x 36 |
(2) 16M x 36 |
DIMM CONFIGURATION | ||
Size |
Bank 2 |
Bank 3 |
8MB |
(1) 1M x 64 |
None |
16MB |
(1) 2M x 64 |
None |
16MB |
(1) 1M x 64 |
(1) 1M x 64 |
24MB |
(1) 2M x 64 |
(1) 1M x 64 |
32MB |
(1) 4M x 64 |
None |
32MB |
(1) 2M x 64 |
(1) 2M x 64 |
40MB |
(1) 4M x 64 |
(1) 1M x 64 |
48MB |
(1) 4M x 64 |
(1) 2M x 64 |
64MB |
(1) 8M x 64 |
None |
64MB |
(1) 4M x 64 |
(1) 4M x 64 |
72MB |
(1) 8M x 64 |
(1) 1M x 64 |
80MB |
(1) 8M x 64 |
(1) 2M x 64 |
96MB |
(1) 8M x 64 |
(1) 4M x 64 |
128MB |
(1) 16M x 64 |
None |
128MB |
(1) 8M x 64 |
(1) 8M x 64 |
136MB |
(1) 16M x 64 |
(1) 1M x 64 |
144MB |
(1) 16M x 64 |
(1) 2M x 64 |
160MB |
(1) 16M x 64 |
(1) 4M x 64 |
192MB |
(1) 16M x 64 |
(1) 8M x 64 |
256MB |
(1) 16M x 64 |
(1) 16M x 64 |
CACHE CONFIGURATION |
Note: The location of the cache is unidentified. |
VIDEO MEMORY CONFIGURATION |
Note: The location of the video memory is unidentified. |
CPU SPEED SELECTION (CX 6X86) | ||||
CPU speed |
Clock speed |
Multiplier |
JP8 |
JP9 |
120MHz |
50MHz |
2x |
1 & 2 |
1 & 2, 3 & 4, 5 & 6 |
150MHz |
60MHz |
2x |
1 & 2 |
1 & 2 |
166MHz |
66MHz |
2x |
1 & 2 |
Open |
Note: Pins designated should be in the closed position. |
CPU SPEED SELECTION (CX MII) | ||||
CPU speed |
Clock speed |
Multiplier |
JP8 |
JP9 |
200MHz |
60MHz |
3x |
3 & 4 |
1 & 2 |
200MHz |
66MHz |
2.5x |
1 & 2, 3 & 4 |
Open |
233MHz |
66MHz |
3x |
3 & 4 |
Open |
233MHz |
75MHz |
2.5x |
1 & 2, 3 & 4 |
3 & 4, 5 & 6 |
Note: Pins designated should be in the closed position. |
CPU SPEED SELECTION (AM K5) | ||||
CPU speed |
Clock speed |
Multiplier |
JP8 |
JP9 |
75MHz |
50MHz |
1.5x |
Open |
1 & 2, 3 & 4, 5 & 6 |
90MHz |
60MHz |
1.5x |
Open |
1 & 2 |
100MHz |
66MHz |
1.5x |
Open |
Open |
120MHz |
60MHz |
2x |
1 & 2 |
1 & 2 |
133MHz |
66MHz |
2x |
1 & 2 |
Open |
166MHz |
66MHz |
2.5x |
1 & 2, 3 & 4 |
Open |
Note: Pins designated should be in the closed position. |
CPU SPEED SELECTION (AM K6) | ||||
CPU speed |
Clock speed |
Multiplier |
JP8 |
JP9 |
166MHz |
66MHz |
2.5x |
1 & 2, 3 & 4 |
Open |
200MHz |
66MHz |
3x |
3 & 4 |
Open |
233MHz |
66MHz |
3.5x |
Open |
Open |
Note: Pins designated should be in the closed position. |
CPU SPEED SELECTION (INTEL) | ||||
CPU speed |
Clock speed |
Multiplier |
JP8 |
JP9 |
75MHz |
50MHz |
1.5x |
Open |
1 & 2, 3 & 4, 5 & 6 |
90MHz |
60MHz |
1.5x |
Open |
1 & 2 |
100MHz |
66MHz |
1.5x |
Open |
Open |
120MHz |
60MHz |
2x |
1 & 2 |
1 & 2 |
133MHz |
66MHz |
2x |
1 & 2 |
Open |
150MHz |
60MHz |
2.5x |
1 & 2, 3 & 4 |
1 & 2 |
166MHz |
66MHz |
2.5x |
1 & 2, 3 & 4 |
Open |
200MHz |
66MHz |
3x |
3 & 4 |
Open |
Note: Pins designated should be in the closed position. |
CPU SPEED SELECTION (INTEL MMX) | ||||
CPU speed |
Clock speed |
Multiplier |
JP8 |
JP9 |
166MHz |
66MHz |
2.5x |
1 & 2, 3 & 4 |
Open |
200MHz |
66MHz |
3x |
3 & 4 |
Open |
233MHz |
66MHz |
3.5x |
Open |
Open |
Note: Pins designated should be in the closed position. |
CPU VOLTAGE SELECTION | ||
Voltage |
JP7 | |
1.24v |
Open | |
2.1v |
Pins 1 & 2 closed | |
2.2v |
Pins 3 & 4 closed | |
2.3v |
Pins 1 & 2, 3 & 4 closed | |
2.4v |
Pins 5 & 6 closed | |
2.5v |
Pins 1 & 2, 5 & 6 closed | |
2.6v |
Pins 3 & 4, 5 & 6 closed | |
2.7v |
Pins 1 & 2, 3 & 4, 5 & 6 closed | |
» |
2.8v |
Pins 7 & 8 closed |
2.9v |
Pins 1 & 2, 7 & 8 closed | |
3.0v |
Pins 3 & 4, 7 & 8 closed | |
3.1v |
Pins 1 & 2, 3 & 4, 7 & 8 closed | |
3.2v |
Pins 5 & 6, 7 & 8 closed | |
3.3v |
Pins 1 & 2, 5 & 6, 7 & 8 closed | |
3.4v |
Pins 3 & 4, 5 & 6, 7 & 8 closed | |
3.5v |
Pins 1 & 2, 3 & 4, 5 & 6, 7 & 8 closed |
SERIAL PORT 4 SELECTION | ||||||
Setting |
JP2 |
JP3 |
JP4 |
JP5 |
JP6 | |
» |
RS-232 |
1 & 2 |
1 & 2 |
1 & 2 |
1 & 2 |
1 & 2 |
RS-422 |
3 & 4 |
2 & 3 |
2 & 3 |
2 & 3 |
2 & 3 | |
RS-485 |
5 & 6 |
2 & 3 |
2 & 3 |
2 & 3 |
2 & 3 | |
Note: Pins designated should be in the closed position. |
WATCHDOG TIME OUT SELECTION | |
Seconds |
JP2 |
.5 |
Pins 1 & 5 closed |
1 |
Pins 2 & 6 closed |
2 |
Pins 3 & 7 closed |
4 |
Pins 4 & 8 closed |
8 |
Pins 8 & 12 closed |
16 |
Pins 7 & 11 closed |
32 |
Pins 6 & 10 closed |
64 |
Pins 5 & 9 closed |
WATCHDOG SELECTION | ||
Setting |
JP14 | |
» |
Reset |
Pins 1 & 2 closed |
NMI system |
Pins 2 & 3 closed | |
Disabled |
Open |
DISK ON CHIP ADDRESS SELECTION | ||
Address |
JP12 | |
C8000 |
Pins 1 & 2 closed | |
D0000 |
Pins 3 & 4 closed | |
D8000 |
Pins 5 & 6 closed | |
» |
Disabled |
Pins 2 & 4 closed |