IBM CORPORATION
APTIVA 2139 SL-A
Device Type |
Mainboard |
Processor |
Pentium II |
Processor Speed |
350/400/450MHz |
Chip Set |
Unidentified |
Video Chip Set |
ATI |
Maximum Onboard Memory |
384MB (EDO & SDRAM supported) |
Maximum Video Memory |
4MB |
Cache |
512KB (located on Pentium II CPU) |
BIOS |
Unidentified |
Dimensions |
305mm x 244mm |
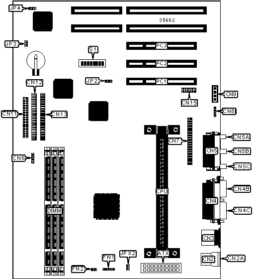
I/O Options |
32-bit PCI slots (3), floppy drive interface, game/MIDI port, IDE interfaces (2), parallel port, PS/2 mouse port, serial ports (2), VGA port, USB connectors (2), ATX power connector, line in, line out, microphone in, audio in – CD-ROM |
CONNECTIONS | |||
Purpose |
Location |
Purpose |
Location |
ATX power connector |
ATX |
AMC connector |
CN7 |
USB connector 1 |
CN2 |
Modem connector |
CN8 |
USB connector 2 |
CN2A |
Audio in – CD-ROM |
CN9 |
PS/2 mouse port |
CN3 |
Wake on modem connector |
CN10 |
Parallel port |
CN4 |
Floppy drive interface |
CN11 |
Serial port 1 |
CN4B |
IDE interface 1 |
CN12 |
VGA port |
CN4C |
IDE interface 2 |
CN13 |
Game/MIDI port |
CN5 |
CS4610 connector |
CN15 |
Microphone in |
CN5A |
CPU fan power |
FN1 |
Line in |
CN5B |
CPU fan power |
FN2 |
Line out |
CN5C |
Power LED & keylock |
JP4 |
IDE interface LED |
CN6 |
32-bit PCI slots |
PC1 – PC3 |
Note: The location of CN10 is unidentified. |
USER CONFIGURABLE SETTINGS | |||
Function |
Label |
Position | |
Audio resource write protected |
J1 |
Pins 1 & 2 closed | |
Audio resource programmable |
J1 |
Pins 2 & 3 closed | |
VGA IRQ disabled |
JP2 |
Pins 1 & 2 closed | |
VGA IRQ enabled |
JP2 |
Pins 2 & 3 closed | |
» |
Factory configured - do not alter |
JP3 |
Unidentified |
» |
Factory configured - do not alter |
JPX2 |
Unidentified |
Password enabled |
S1/2 |
Off | |
Password disabled |
S1/2 |
On | |
» |
Factory configured - do not alter |
S1/3 |
Unidentified |
» |
Factory configured - do not alter |
S1/4 |
Unidentified |
Note: The location of J1 is unidentified. |
DIMM CONFIGURATION | |||
Size |
Bank 0 |
Bank 1 |
Bank 2 |
16MB |
(1) 2M x 64 |
None |
None |
32MB |
(1) 4M x 64 |
None |
None |
32MB |
(1) 2M x 64 |
(1) 2M x 64 |
None |
48MB |
(1) 4M x 64 |
(1) 2M x 64 |
None |
DIMM CONFIGURATION (CON’T) | |||
Size |
Bank 0 |
Bank 1 |
Bank 2 |
48MB |
(1) 2M x 64 |
(1) 2M x 64 |
(1) 2M x 64 |
64MB |
(1) 8M x 64 |
None |
None |
64MB |
(1) 4M x 64 |
(1) 2M x 64 |
(1) 2M x 64 |
64MB |
(1) 4M x 64 |
(1) 4M x 64 |
None |
80MB |
(1) 8M x 64 |
(1) 2M x 64 |
None |
80MB |
(1) 4M x 64 |
(1) 4M x 64 |
(1) 2M x 64 |
96MB |
(1) 8M x 64 |
(1) 2M x 64 |
(1) 2M x 64 |
96MB |
(1) 8M x 64 |
(1) 4M x 64 |
None |
96MB |
(1) 4M x 64 |
(1) 4M x 64 |
(1) 4M x 64 |
112MB |
(1) 8M x 64 |
(1) 4M x 64 |
(1) 2M x 64 |
128MB |
(1) 16M x 64 |
None |
None |
128MB |
(1) 8M x 64 |
(1) 4M x 64 |
(1) 4M x 64 |
128MB |
(1) 8M x 64 |
(1) 8M x 64 |
None |
144MB |
(1) 16M x 64 |
(1) 2M x 64 |
None |
144MB |
(1) 8M x 64 |
(1) 8M x 64 |
(1) 2M x 64 |
160MB |
(1) 16M x 64 |
(1) 2M x 64 |
(1) 2M x 64 |
160MB |
(1) 16M x 64 |
(1) 4M x 64 |
None |
160MB |
(1) 8M x 64 |
(1) 8M x 64 |
(1) 4M x 64 |
176MB |
(1) 16M x 64 |
(1) 4M x 64 |
(1) 2M x 64 |
192MB |
(1) 16M x 64 |
(1) 4M x 64 |
(1) 4M x 64 |
192MB |
(1) 16M x 64 |
(1) 8M x 64 |
None |
192MB |
(1) 8M x 64 |
(1) 8M x 64 |
(1) 8M x 64 |
208MB |
(1) 16M x 64 |
(1) 8M x 64 |
(1) 2M x 64 |
224MB |
(1) 16M x 64 |
(1) 8M x 64 |
(1) 4M x 64 |
256MB |
(1) 16M x 64 |
(1) 8M x 64 |
(1) 8M x 64 |
384MB |
(1) 16M x 64 |
(1) 16M x 64 |
(1) 16M x 64 |
Note: Board accepts SDRAM memory. |
CACHE CONFIGURATION |
Note: 512KB cache is located on the Pentium II CPU. |
VIDEO MEMORY CONFIGURATION |
Note: 4MB video memory is factory installed and is not configurable. The location is unidentified. |
CPU SPEED SELECTION | |||||||
CPU speed |
Clock speed |
Multiplier |
S1/1 |
S1/5 |
SW1/6 |
S1/7 |
S1/8 |
350MHz |
100MHz |
3.5x |
Off |
On |
On |
Off |
On |
400MHz |
100MHz |
4x |
Off |
Off |
On |
On |
On |
450MHz |
100MHz |
4.5x |
Off |
Off |
On |
Off |
On |