INTEL CORPORATION
MU440EX
Device Type |
Mainboard |
Processor |
Pentium II |
Processor Speed |
233/266/300/333MHz |
Chip Set |
Intel |
Video Chip Set |
ATI |
Maximum Onboard Memory |
256MB (SDRAM supported) |
Maximum Video Memory |
2MB |
Cache |
512KB (located on Pentium II CPU) |
BIOS |
Intel, Phoenix |
Dimensions |
254mm x 218mm |
I/O Options |
32-bit PCI slots (2), floppy drive interface, game/MIDI port, IDE interfaces (2), parallel port, PS/2 mouse port, serial port, VGA port, IR connector, USB connectors (2), ATX power connector, line in, line out, microphone in, audio in – CD-ROM |
NPU Options |
None |
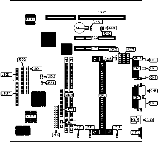
CONNECTIONS | |||
Purpose |
Location |
Purpose |
Location |
ATX power connector |
ATX |
Wake on ring connector |
J3A2 |
Game/MIDI port |
CN1 |
Wake on LAN connector |
J4A1 |
Microphone in |
CN2 |
CPU fan power |
J4J1 |
Line in |
CN3 |
CPU fan power |
J5J1 |
Line out |
CN4 |
TV out connector |
J6J1 |
VGA port |
CN5 |
AMC connector |
J7F1 |
Serial port |
CN6 |
PC/PCI connector |
J8D2 |
Parallel port |
CN7 |
IDE interface |
J9D1 |
USB connector 2 |
CN8 |
IDE interface |
J9D2 |
USB connector 1 |
CN9 |
IDE interface LED |
J10D1/pins 1 & 3 |
PS/2 mouse port |
CN10 |
Power LED |
J10D1/pins 2 & 4 |
Telephony connector |
J1C1 |
Reset switch |
J10D1/pins 5 & 7 |
2mm CD-ROM |
J1C3 |
Soft off power supply |
J10D1/pins 6 & 8 |
Auxiliary line in |
J2C1 |
IR connector |
J10D1/pins 11 - 16 |
Audio in – CD-ROM |
J2C2 |
Floppy drive interface |
J10F1 |
CPU fan power |
J2J1 |
32-bit PCI slots |
PC1 – PC2 |
Chassis alarm |
J3A1 |
USER CONFIGURABLE SETTINGS | |||
Function |
Label |
Position | |
Flash BIOS normal operation |
J8E1 |
Pins 1 & 2 closed | |
Flash BIOS configuration mode |
J8E1 |
Pins 2 & 3 closed | |
Flash BIOS recovery mode |
J8E1 |
Open |
DIMM CONFIGURATION | ||
Size |
Bank 0 |
Bank 1 |
8MB |
(1) 1M x 64 |
None |
16MB |
(1) 2M x 64 |
None |
16MB |
(1) 1M x 64 |
(1) 1M x 64 |
24MB |
(1) 2M x 64 |
(1) 1M x 64 |
32MB |
(1) 4M x 64 |
None |
32MB |
(1) 2M x 64 |
(1) 2M x 64 |
40MB |
(1) 4M x 64 |
(1) 1M x 64 |
48MB |
(1) 4M x 64 |
(1) 2M x 64 |
64MB |
(1) 8M x 64 |
None |
64MB |
(1) 4M x 64 |
(1) 4M x 64 |
DIMM CONFIGURATION (CON’T) | ||
Size |
Bank 0 |
Bank 1 |
72MB |
(1) 8M x 64 |
(1) 1M x 64 |
80MB |
(1) 8M x 64 |
(1) 2M x 64 |
96MB |
(1) 8M x 64 |
(1) 4M x 64 |
128MB |
(1) 16M x 64 |
None |
128MB |
(1) 8M x 64 |
(1) 8M x 64 |
136MB |
(1) 16M x 64 |
(1) 1M x 64 |
144MB |
(1) 16M x 64 |
(1) 2M x 64 |
160MB |
(1) 16M x 64 |
(1) 4M x 64 |
192MB |
(1) 16M x 64 |
(1) 8M x 64 |
256MB |
(1) 16M x 64 |
(1) 16M x 64 |
Note: Board accepts SDRAM memory. |
CACHE CONFIGURATION |
Note: 512KB cache is located on the Pentium II CPU. |
VIDEO MEMORY CONFIGURATION |
Note: 2MB video memory factory installed and is not configurable. |