KADATCO CO., LTD.
AM-608LX
Device Type |
Mainboard |
Processor |
Pentium II |
Processor Speed |
200/233/266/300/333MHz |
Chip Set |
Intel |
Video Chip Set |
None |
Maximum Onboard Memory |
1GB (EDO & SDRAM supported) |
Maximum Video Memory |
None |
Cache |
256/512KB (located on Pentium II CPU) |
BIOS |
Unidentified |
Dimensions |
305mm x 244mm |
I/O Options |
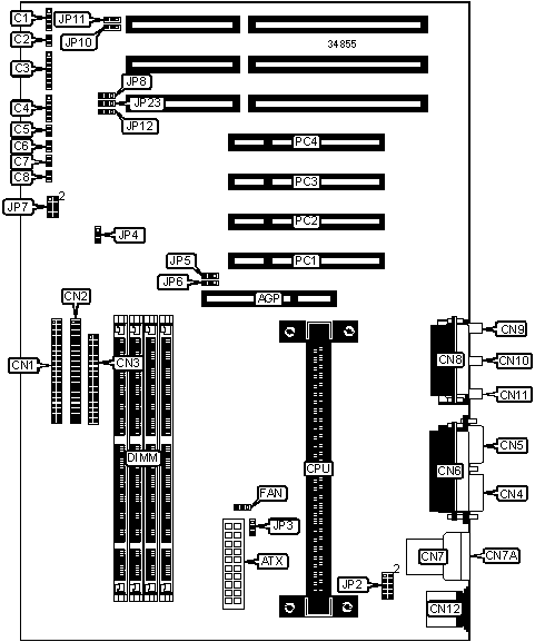
32-bit PCI slots (4), floppy drive interface, game/MIDI port, IDE interfaces (2), parallel port, PS/2 mouse port, serial ports (2), IR connector, USB connectors (2), ATX power connector, AGP slot, line in, line out, microphone in |
NPU Options |
None |
CONNECTIONS | |||
Purpose |
Location |
Purpose |
Location |
AGP slot |
AGP |
Serial port 1 |
CN4 |
ATX power connector |
ATX |
Serial port 2 |
CN5 |
Speaker |
C1 |
Parallel port |
CN6 |
Reset switch |
C2 |
USB connector 1 |
CN7 |
IR connector |
C3 |
USB connector 2 |
CN7A |
Power LED & keylock |
C4 |
Game/MIDI port |
CN8 |
IDE interface LED |
C5 |
Line out |
CN9 |
Power |
C6 |
Microphone in |
CN10 |
Chassis fan power |
C7 |
Line in |
CN11 |
Soft off power supply |
C8 |
PS/2 mouse port |
CN12 |
IDE interface 1 |
CN1 |
CPU fan power |
FAN |
IDE interface 2 |
CN2 |
32-bit PCI slots |
PC1 – PC4 |
Floppy drive interface |
CN3 |
USER CONFIGURABLE SETTINGS | |||
Function |
Label |
Position | |
» |
Factory configured - do not alter |
JP2 |
Open |
» |
Factory configured - do not alter |
JP3 |
Unidentified |
» |
CMOS memory normal operation |
JP4 |
Pins 1 & 2 closed |
CMOS memory clear |
JP4 |
Pins 2 & 3 closed | |
» |
Factory configured - do not alter |
JP6 |
Unidentified |
» |
Factory configured - do not alter |
JP8 |
Unidentified |
» |
Factory configured - do not alter |
JP10 |
Unidentified |
» |
Factory configured - do not alter |
JP11 |
Unidentified |
» |
Factory configured - do not alter |
JP12 |
Unidentified |
» |
Factory configured - do not alter |
JP23 |
Unidentified |
DIMM CONFIGURATION | ||||
Size |
Bank 0 |
Bank 1 |
Bank 2 |
Bank 3 |
8MB |
(1) 1M x 64 |
None |
None |
None |
16MB |
(1) 2M x 64 |
None |
None |
None |
16MB |
(1) 1M x 64 |
(1) 1M x 64 |
None |
None |
24MB |
(1) 2M x 64 |
(1) 1M x 64 |
None |
None |
24MB |
(1) 1M x 64 |
(1) 1M x 64 |
(1) 1M x 64 |
None |
32MB |
(1) 4M x 64 |
None |
None |
None |
32MB |
(1) 2M x 64 |
(1) 2M x 64 |
None |
None |
DIMM CONFIGURATION (CON’T) | ||||
Size |
Bank 0 |
Bank 1 |
Bank 2 |
Bank 3 |
32MB |
(1) 1M x 64 |
(1) 1M x 64 |
(1) 1M x 64 |
(1) 1M x 64 |
40MB |
(1) 4M x 64 |
(1) 1M x 64 |
None |
None |
48MB |
(1) 4M x 64 |
(1) 2M x 64 |
None |
None |
48MB |
(1) 2M x 64 |
(1) 2M x 64 |
(1) 2M x 64 |
None |
64MB |
(1) 2M x 64 |
(1) 2M x 64 |
(1) 2M x 64 |
(1) 2M x 64 |
64MB |
(1) 8M x 64 |
None |
None |
None |
64MB |
(1) 4M x 64 |
(1) 4M x 64 |
None |
None |
72MB |
(1) 8M x 64 |
(1) 1M x 64 |
None |
None |
80MB |
(1) 8M x 64 |
(1) 2M x 64 |
None |
None |
96MB |
(1) 8M x 64 |
(1) 4M x 64 |
None |
None |
128MB |
(1) 16M x 64 |
None |
None |
None |
128MB |
(1) 8M x 64 |
(1) 8M x 64 |
None |
None |
128MB |
(1) 4M x 64 |
(1) 4M x 64 |
(1) 4M x 64 |
(1) 4M x 64 |
136MB |
(1) 16M x 64 |
(1) 1M x 64 |
None |
None |
144MB |
(1) 16M x 64 |
(1) 2M x 64 |
None |
None |
152MB |
(1) 16M x 64 |
(1) 1M x 64 |
(1) 1M x 64 |
(1) 1M x 64 |
160MB |
(1) 16M x 64 |
(1) 4M x 64 |
None |
None |
176MB |
(1) 16M x 64 |
(1) 2M x 64 |
(1) 2M x 64 |
(1) 2M x 64 |
192MB |
(1) 16M x 64 |
(1) 8M x 64 |
None |
None |
192MB |
(1) 8M x 64 |
(1) 8M x 64 |
(1) 8M x 64 |
None |
224MB |
(1) 16M x 64 |
(1) 4M x 64 |
(1) 4M x 64 |
(1) 4M x 64 |
256MB |
(1) 32M x 64 |
None |
None |
None |
256MB |
(1) 16M x 64 |
(1) 16M x 64 |
None |
None |
256MB |
(1) 8M x 64 |
(1) 8M x 64 |
(1) 8M x 64 |
(1) 8M x 64 |
272MB |
(1) 16M x 64 |
(1) 16M x 64 |
(1) 1M x 64 |
(1) 1M x 64 |
280MB |
(1) 32M x 64 |
(1) 1M x 64 |
(1) 1M x 64 |
(1) 1M x 64 |
288MB |
(1) 16M x 64 |
(1) 16M x 64 |
(1) 2M x 64 |
(1) 2M x 64 |
304MB |
(1) 32M x 64 |
(1) 2M x 64 |
(1) 2M x 64 |
(1) 2M x 64 |
320MB |
(1) 16M x 64 |
(1) 16M x 64 |
(1) 4M x 64 |
(1) 4M x 64 |
320MB |
(1) 16M x 64 |
(1) 8M x 64 |
(1) 8M x 64 |
(1) 8M x 64 |
352MB |
(1) 32M x 64 |
(1) 4M x 64 |
(1) 4M x 64 |
(1) 4M x 64 |
384MB |
(1) 16M x 64 |
(1) 16M x 64 |
(1) 16M x 64 |
None |
448MB |
(1) 32M x 64 |
(1) 8M x 64 |
(1) 8M x 64 |
(1) 8M x 64 |
512MB |
(1) 32M x 64 |
(1) 32M x 64 |
None |
None |
512MB |
(1) 16M x 64 |
(1) 16M x 64 |
(1) 16M x 64 |
(1) 16M x 64 |
640MB |
(1) 32M x 64 |
(1) 16M x 64 |
(1) 16M x 64 |
(1) 16M x 64 |
768MB |
(1) 32M x 64 |
(1) 32M x 64 |
(1) 32M x 64 |
None |
1024MB |
(1) 32M x 64 |
(1) 32M x 64 |
(1) 32M x 64 |
(1) 32M x 64 |
Note: Board accepts EDO & SDRAM memory. Maximum EDO is 512MB. Maximum SDRAM is 1GB. |
CACHE CONFIGURATION |
Note: 256KB/512KB cache is located on the Pentium II CPU. |
CPU SPEED SELECTION | ||||
CPU speed |
Clock speed |
Multiplier |
JP5 |
JP7 |
200MHz |
66MHz |
3x |
1 & 2 |
1 & 2, 5 & 6, 7 & 8 |
233MHz |
66MHz |
3.5x |
1 & 2 |
1 & 2, 7 & 8 |
266MHz |
66MHz |
4x |
1 & 2 |
3 & 4, 5 & 6, 7 & 8 |
300MHz |
66MHz |
4.5x |
1 & 2 |
3 & 4, 7 & 8 |
333MHz |
66MHz |
5x |
1 & 2 |
5 & 6, 7 & 8 |
Note: Pins designated should be in the closed position. |