IBM CORPORATION
APTIVA 2140 TYPE A-1
Device Type |
Mainboard |
Processor |
Pentium |
Processor Speed |
166/200/233MHz |
Chip Set |
Unidentified |
Video Chip Set |
Trident |
Maximum Onboard Memory |
384MB (SDRAM supported) |
Maximum Video Memory |
4MB (SGRAM supported) |
Cache |
512KB |
BIOS |
Unidentified |
Dimensions |
305mm x 244mm |
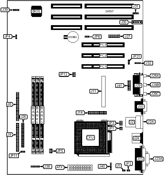
I/O Options |
32-bit PCI slots (3), floppy drive interface, game/MIDI port, IDE interfaces (2), parallel port, PS/2 mouse port, serial ports (2), VGA feature connector, VGA port, USB connectors (2), ATX power connector, line in, line out, microphone in, audio in – CD/DVD-ROM |
NPU Options |
None |
CONNECTIONS | |||
Purpose |
Location |
Purpose |
Location |
ATX power connector |
ATX |
AC-3 connector |
J27 |
Chassis fan power |
J1 |
Game/MIDI port |
J29 |
USB connector 1 |
J2 |
Line out |
J29A |
USB connector 2 |
J2A |
Line in |
J29B |
VGA interface |
J3 |
Microphone in |
J29C |
IDE interface 1 |
J8 |
Audio in – CD/DVD-ROM |
J30 |
IDE interface 2 |
J9 |
TV in connector |
J31 |
VGA port |
J10 |
Modem audio in |
J32 |
VGA feature connector |
J14 |
Power, power LED, IDE LED |
J38 |
Parallel port |
J23 |
Speaker |
J39 |
Serial port 1 |
J23A |
Audio amplifier connector |
J41 |
PS/2 mouse port |
J24 |
32-bit PCI slots |
PC1 – PC3 |
Floppy drive interface |
J26 | ||
Note: The location of J3 is unidentified. |
USER CONFIGURABLE SETTINGS | |||
Function |
Label |
Position | |
» |
Factory configured - do not alter |
J40 |
Unidentified |
» |
Factory configured - do not alter |
JP1 |
Pins 1 & 3, 2 & 4 closed |
» |
Factory configured - do not alter |
JP2 |
Closed |
» |
On board video enabled |
JP4 |
Pins 1 & 2 closed |
On board video disabled |
JP4 |
Pins 2 & 3 closed | |
VGA INTA# select |
JP5 |
Pins 1 & 3, 2 & 4 closed | |
» |
CMOS memory normal operation |
JP6 |
Pins 1 & 2 closed |
CMOS memory clear |
JP6 |
Pins 2 & 3 closed | |
Floppy drive write enabled |
JP11 |
Pins 1 & 2 closed | |
Floppy drive write disabled |
JP11 |
Pins 2 & 3 closed | |
CS4610 interrupt select |
JP21 |
Pins 1 & 2 closed |
DIMM CONFIGURATION | |||
Size |
Bank 0 |
Bank 1 |
Bank 2 |
8MB |
(1) 1M x 64 |
None |
None |
16MB |
(1) 2M x 64 |
None |
None |
16MB |
(1) 1M x 64 |
(1) 1M x 64 |
None |
24MB |
(1) 2M x 64 |
(1) 1M x 64 |
None |
DIMM CONFIGURATION (CON’T) | |||
Size |
Bank 0 |
Bank 1 |
Bank 2 |
24MB |
(1) 1M x 64 |
(1) 1M x 64 |
(1) 1M x 64 |
32MB |
(1) 4M x 64 |
None |
None |
32MB |
(1) 2M x 64 |
(1) 1M x 64 |
(1) 1M x 64 |
32MB |
(1) 2M x 64 |
(1) 2M x 64 |
None |
40MB |
(1) 4M x 64 |
(1) 1M x 64 |
None |
40MB |
(1) 2M x 64 |
(1) 2M x 64 |
(1) 1M x 64 |
48MB |
(1) 4M x 64 |
(1) 1M x 64 |
(1) 1M x 64 |
48MB |
(1) 2M x 64 |
(1) 2M x 64 |
(1) 2M x 64 |
56MB |
(1) 4M x 64 |
(1) 2M x 64 |
(1) 1M x 64 |
64MB |
(1) 8M x 64 |
None |
None |
64MB |
(1) 4M x 64 |
(1) 2M x 64 |
(1) 2M x 64 |
64MB |
(1) 4M x 64 |
(1) 4M x 64 |
None |
72MB |
(1) 8M x 64 |
(1) 1M x 64 |
None |
72MB |
(1) 4M x 64 |
(1) 4M x 64 |
(1) 1M x 64 |
80MB |
(1) 8M x 64 |
(1) 1M x 64 |
(1) 1M x 64 |
80MB |
(1) 8M x 64 |
(1) 2M x 64 |
None |
80MB |
(1) 4M x 64 |
(1) 4M x 64 |
(1) 2M x 64 |
96MB |
(1) 8M x 64 |
(1) 2M x 64 |
(1) 2M x 64 |
96MB |
(1) 8M x 64 |
(1) 4M x 64 |
None |
96MB |
(1) 4M x 64 |
(1) 4M x 64 |
(1) 4M x 64 |
112MB |
(1) 8M x 64 |
(1) 4M x 64 |
(1) 2M x 64 |
128MB |
(1) 16M x 64 |
None |
None |
128MB |
(1) 8M x 64 |
(1) 8M x 64 |
None |
136MB |
(1) 8M x 64 |
(1) 8M x 64 |
(1) 1M x 64 |
144MB |
(1) 16M x 64 |
(1) 1M x 64 |
(1) 1M x 64 |
144MB |
(1) 16M x 64 |
(1) 2M x 64 |
None |
144MB |
(1) 8M x 64 |
(1) 8M x 64 |
(1) 2M x 64 |
160MB |
(1) 16M x 64 |
(1) 2M x 64 |
(1) 2M x 64 |
160MB |
(1) 16M x 64 |
(1) 4M x 64 |
None |
160MB |
(1) 8M x 64 |
(1) 8M x 64 |
(1) 4M x 64 |
168MB |
(1) 16M x 64 |
(1) 4M x 64 |
(1) 1M x 64 |
192MB |
(1) 16M x 64 |
(1) 4M x 64 |
(1) 4M x 64 |
192MB |
(1) 8M x 64 |
(1) 8M x 64 |
(1) 8M x 64 |
200MB |
(1) 16M x 64 |
(1) 8M x 64 |
(1) 1M x 64 |
208MB |
(1) 16M x 64 |
(1) 8M x 64 |
(1) 2M x 64 |
224MB |
(1) 16M x 64 |
(1) 8M x 64 |
(1) 4M x 64 |
256MB |
(1) 16M x 64 |
(1) 8M x 64 |
(1) 8M x 64 |
384MB |
(1) 16M x 64 |
(1) 16M x 64 |
(1) 16M x 64 |
Note: Board accepts SDRAM memory. |
CACHE CONFIGURATION |
Note: 512KB cache is factory installed and is not configurable. |
VIDEO MEMORY CONFIGURATION |
Note: To increase video memory from 2MB to 4MB, install upgrade in J11. |
CPU SPEED SELECTION | ||||
CPU speed |
Clock speed |
Multiplier |
JP3 |
JP12 |
166MHz |
66MHz |
2.5x |
1 & 3, 2 & 4 |
1 & 2, 3 & 4 |
200MHz |
66MHz |
3x |
2 & 4, 3 & 5 |
1 & 2, 3 & 4 |
233MHz |
66MHz |
3.5x |
3 & 5, 4 & 6 |
1 & 2, 3 & 4 |
Note: Pins designated should be in the closed position. |