IBM CORPORATION
INTELLISTATION (TYPE 6898)
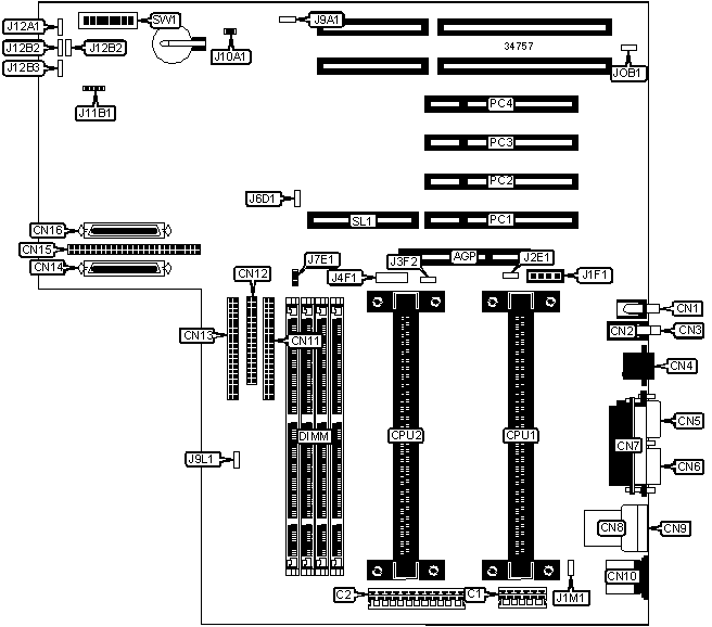
Device Type |
Mainboard |
Processor |
Pentium II |
Processor Speed |
233/266/300MHz |
Chip Set |
Unidentified |
Video Chip Set |
None |
Maximum Onboard Memory |
512MB (SDRAM supported) |
Maximum Video Memory |
None |
Cache |
256/512KB (located on Pentium II CPU) |
BIOS |
Unidentified |
Dimensions |
305mm x 244mm |
I/O Options |
32-bit PCI slots (4), Ethernet 10BaseT connector, floppy drive interface, IDE interfaces (2), SCSI interface, Ultra Wide SCSI interfaces (2), parallel port, PS/2 mouse port, serial ports (2), USB connectors (2), AGP slot, line in, line out, microphone in, audio in – CD-ROM, RAID slot |
NPU Options |
None |
CONNECTIONS | |||
Purpose |
Location |
Purpose |
Location |
AGP slot |
AGP |
Ultra Wide SCSI interface |
CN16 |
3.3v power |
C1 |
External SMBus connector |
JOB1 |
5v power |
C2 |
Audio in – CD-ROM |
J1F1 |
Microphone in |
CN1 |
Chassis fan power |
J1M1 |
Line in |
CN2 |
CPU fan power 2 |
J2E1 |
Line out |
CN3 |
CPU fan power 1 |
J3F2 |
Ethernet 10BaseT connector |
CN4 |
Wake on LAN connector |
J6D1 |
Serial port |
CN5 |
Wake on modem connector |
J9A1 |
Serial port |
CN6 |
IDE interface LED |
J9L1 |
Parallel port |
CN7 |
SCSI interface LED |
J10A1 |
USB connector |
CN8 |
SCSI interface LED |
J11B1 |
USB connector |
CN9 |
Chassis fan power |
J12A1 |
PS/2 mouse port |
CN10 |
Tamper detect switch |
J12B1 |
IDE interface 2 |
CN11 |
Chassis fan power |
J12B2 |
Floppy drive interface |
CN12 |
Speaker |
J12B3 |
IDE interface 1 |
CN13 |
32-bit PCI slots |
PC1 – PC4 |
Ultra Wide SCSI interface |
CN14 |
RAID slot |
SL1 |
SCSI interface |
CN15 |
USER CONFIGURABLE SETTINGS | |||
Function |
Label |
Position | |
» |
Factory configured - do not alter |
J4F1 |
Unidentified |
» |
CMOS memory normal operation |
J7E1 |
Pins 1 & 2 closed |
CMOS memory clear |
J7E1 |
Pins 2 & 3 closed | |
» |
Flash BIOS normal operation |
SW1/5 |
Off |
Flash BIOS recovery mode |
SW1/5 |
On | |
» |
Enet normal operation |
SW1/6 |
Off |
Enet MAC disabled |
SW1/6 |
On | |
» |
Password enabled |
SW1/7 |
Off |
Password disabled |
SW1/7 |
On | |
» |
Floppy drive normal operation |
SW1/8 |
Off |
Floppy drive read only |
SW1/8 |
On |
DIMM CONFIGURATION | ||||
Size |
Bank 0 |
Bank 1 |
Bank 2 |
Bank 3 |
8MB |
(1) 1M x 64 |
None |
None |
None |
16MB |
(1) 2M x 64 |
None |
None |
None |
16MB |
(1) 1M x 64 |
(1) 1M x 64 |
None |
None |
24MB |
(1) 2M x 64 |
(1) 1M x 64 |
None |
None |
24MB |
(1) 1M x 64 |
(1) 1M x 64 |
(1) 1M x 64 |
None |
32MB |
(1) 4M x 64 |
None |
None |
None |
32MB |
(1) 2M x 64 |
(1) 1M x 64 |
(1) 1M x 64 |
None |
DIMM CONFIGURATION (CON’T) | ||||
Size |
Bank 0 |
Bank 1 |
Bank 2 |
Bank 3 |
32MB |
(1) 2M x 64 |
(1) 2M x 64 |
None |
None |
32MB |
(1) 1M x 64 |
(1) 1M x 64 |
(1) 1M x 64 |
(1) 1M x 64 |
40MB |
(1) 4M x 64 |
(1) 1M x 64 |
None |
None |
40MB |
(1) 2M x 64 |
(1) 2M x 64 |
(1) 1M x 64 |
None |
48MB |
(1) 4M x 64 |
(1) 1M x 64 |
(1) 1M x 64 |
None |
48MB |
(1) 4M x 64 |
(1) 2M x 64 |
None |
None |
48MB |
(1) 2M x 64 |
(1) 2M x 64 |
(1) 2M x 64 |
None |
56MB |
(1) 4M x 64 |
(1) 2M x 64 |
(1) 1M x 64 |
None |
64MB |
(1) 8M x 64 |
None |
None |
None |
64MB |
(1) 4M x 64 |
(1) 4M x 64 |
None |
None |
64MB |
(1) 2M x 64 |
(1) 2M x 64 |
(1) 2M x 64 |
(1) 2M x 64 |
72MB |
(1) 8M x 64 |
(1) 1M x 64 |
None |
None |
72MB |
(1) 4M x 64 |
(1) 4M x 64 |
(1) 1M x 64 |
None |
80MB |
(1) 8M x 64 |
(1) 1M x 64 |
(1) 1M x 64 |
None |
80MB |
(1) 4M x 64 |
(1) 4M x 64 |
(1) 2M x 64 |
None |
88MB |
(1) 8M x 64 |
(1) 2M x 64 |
(1) 1M x 64 |
None |
96MB |
(1) 8M x 64 |
(1) 2M x 64 |
(1) 2M x 64 |
None |
96MB |
(1) 4M x 64 |
(1) 4M x 64 |
(1) 4M x 64 |
None |
104MB |
(1) 8M x 64 |
(1) 4M x 64 |
(1) 1M x 64 |
None |
112MB |
(1) 8M x 64 |
(1) 4M x 64 |
(1) 2M x 64 |
None |
128MB |
(1) 16M x 64 |
None |
None |
None |
128MB |
(1) 8M x 64 |
(1) 4M x 64 |
(1) 4M x 64 |
None |
128MB |
(1) 8M x 64 |
(1) 8M x 64 |
None |
None |
128MB |
(1) 4M x 64 |
(1) 4M x 64 |
(1) 4M x 64 |
(1) 4M x 64 |
144MB |
(1) 16M x 64 |
(1) 1M x 64 |
(1) 1M x 64 |
None |
144MB |
(1) 16M x 64 |
(1) 2M x 64 |
None |
None |
144MB |
(1) 8M x 64 |
(1) 8M x 64 |
(1) 2M x 64 |
None |
152MB |
(1) 16M x 64 |
(1) 2M x 64 |
(1) 1M x 64 |
None |
160MB |
(1) 16M x 64 |
(1) 2M x 64 |
(1) 2M x 64 |
None |
160MB |
(1) 8M x 64 |
(1) 8M x 64 |
(1) 4M x 64 |
None |
168MB |
(1) 16M x 64 |
(1) 4M x 64 |
(1) 1M x 64 |
None |
176MB |
(1) 16M x 64 |
(1) 4M x 64 |
(1) 2M x 64 |
None |
192MB |
(1) 16M x 64 |
(1) 4M x 64 |
(1) 4M x 64 |
None |
192MB |
(1) 8M x 64 |
(1) 8M x 64 |
(1) 8M x 64 |
None |
200MB |
(1) 16M x 64 |
(1) 8M x 64 |
(1) 1M x 64 |
None |
208MB |
(1) 16M x 64 |
(1) 8M x 64 |
(1) 2M x 64 |
None |
224MB |
(1) 16M x 64 |
(1) 8M x 64 |
(1) 4M x 64 |
None |
256MB |
(1) 16M x 64 |
(1) 8M x 64 |
(1) 8M x 64 |
None |
256MB |
(1) 8M x 64 |
(1) 8M x 64 |
(1) 8M x 64 |
(1) 8M x 64 |
384MB |
(1) 16M x 64 |
(1) 16M x 64 |
(1) 16M x 64 |
None |
512MB |
(1) 16M x 64 |
(1) 16M x 64 |
(1) 16M x 64 |
(1) 16M x 64 |
Note: Board accepts SDRAM memory. |
CACHE CONFIGURATION |
Note: 256KB/512KB cache is located on the Pentium II CPU. |
CPU SPEED SELECTION | ||||||
CPU speed |
Clock speed |
Multiplier |
SW1/1 |
SW1/2 |
SW1/3 |
SW1/4 |
233MHz |
66MHz |
3.5x |
Off |
Off |
On |
On |
266MHz |
66MHz |
4x |
On |
On |
Off |
On |
300MHz |
66MHz |
4.5x |
Off |
On |
Off |
On |