INTEL CORPORATION
VS440FX
Processor |
Pentium Pro |
Processor Speed |
150/166/180/200MHz |
Chip Set |
Intel |
Video Chip Set |
None |
Maximum Onboard Memory |
256MB (EDO supported) |
Maximum Video Memory |
None |
Cache |
256/512KB (located on Pentium Pro CPU) |
BIOS |
Intel |
Dimensions |
305mm x 244mm |
I/O Options |
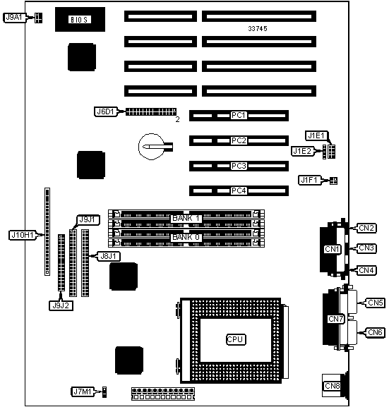
32-bit PCI slots (4), CD-ROM interface, floppy drive interface, green PC connector, IDE interfaces (2), parallel port, PS/2 mouse port, serial ports (2), IR connector, wavetable connector, telephony connector, audio out connector, microphone in connector, audio in connector, MIDI/game port |
NPU Options |
None |
CONNECTIONS | |||
Purpose |
Location |
Purpose |
Location |
MIDI/game port |
CN1 |
IDE interface 1 |
J8J1 |
Microphone in connector |
CN2 |
Chassis fan power |
J9A1 |
Audio in connector |
CN3 |
IDE interface 2 |
J9J1 |
Audio out connector |
CN4 |
Floppy drive interface |
J9J2 |
Serial port 1 |
CN5 |
Front panel power switch |
J10H1 pins 1 & 2 |
Serial port 2 |
CN6 |
Green PC connector |
J10H1 pins 3 & 4 |
Parallel port |
CN7 |
IR connector |
J10H1 pins 6 - 11 |
PS/2 mouse port |
CN8 |
IDE interface LED |
J10H1 pins 13 - 16 |
Wavetable connector |
J1E1 |
Power LED |
J10H1 pins 18 - 20 |
CD-ROM connector |
J1E2 |
Reset switch |
J10H1 pins 22 - 23 |
Telephony connector |
J1F1 |
Speaker |
J10H1 pins 24 - 27 |
Chassis fan power |
J7M1 |
32-bit PCI slots |
PC1 - PC4 |
USER CONFIGURABLE SETTINGS | |||
Function |
Label |
Position | |
» |
CMOS memory normal operation |
J6D1 |
Pins 20 & 22 closed |
CMOS memory clear |
J6D1 |
Pins 18 & 20 closed | |
» |
Password enabled |
J6D1 |
Pins 27 & 29 closed |
Password disabled |
J6D1 |
Pins 25 & 27 closed | |
» |
Setup access enabled |
J6D1 |
Pins 28 & 30 closed |
Setup access disabled |
J6D1 |
Pins 26 & 28 closed | |
» |
Flash BIOS normal operation |
J6D1 |
Pins 4 & 6 closed |
Flash BIOS recovery mode |
J6D1 |
Pins 2 & 4 closed |
DRAM CONFIGURATION | ||
Size |
Bank 0 |
Bank 1 |
8MB |
(2) 1M x 36 |
None |
16MB |
(2) 2M x 36 |
None |
16MB |
(2) 1M x 36 |
(2) 1M x 36 |
24MB |
(2) 2M x 36 |
(2) 1M x 36 |
32MB |
(2) 4M x 36 |
None |
32MB |
(2) 2M x 36 |
(2) 2M x 36 |
40MB |
(2) 1M x 36 |
(2) 4M x 36 |
48MB |
(2) 4M x 36 |
(2) 2M x 36 |
64MB |
(2) 8M x 36 |
None |
64MB |
(2) 4M x 36 |
(2) 4M x 36 |
72MB |
(2) 8M x 36 |
(2) 1M x 36 |
80MB |
(2) 8M x 36 |
(2) 2M x 36 |
96MB |
(2) 8M x 36 |
(2) 4M x 36 |
128MB |
(2) 16M x 36 |
None |
128MB |
(2) 8M x 36 |
(2) 8M x 36 |
136MB |
(2) 16M x 36 |
(2) 1M x 36 |
DRAM CONFIGURATION (CON’T) | ||
Size |
Bank 0 |
Bank 1 |
144MB |
(2) 16M x 36 |
(2) 2M x 36 |
160MB |
(2) 16M x 36 |
(2) 4M x 36 |
192MB |
(2) 16M x 36 |
(2) 8M x 36 |
256MB |
(2) 16M x 36 |
(2) 16M x 36 |
Note: Board accepts EDO memory. Board also accepts x 32 SIMMs. Banks are interchangeable. |
CACHE CONFIGURATION |
Note: 256KB or 512KB cache is located on the Pentium Pro CPU. |
CPU SPEED SELECTION | |||
CPU speed |
Clock speed |
Multiplier |
J6D1 |
150MHz |
60MHz |
2.5x |
10 & 12, 11 & 13, 17 & 19 |
166MHz |
66MHz |
2.5x |
10 & 12, 11 & 13, 19 & 21 |
180MHz |
60MHz |
3x |
9 & 11, 12 & 14, 17 & 19 |
200MHz |
66MHz |
3x |
9 & 11, 12 & 14, 19 & 21 |
Note: Pins designated should be in the closed position. |