INTEL CORPORATION

NP430HX

Processor

Pentium

Processor Speed

75/90/100/120/133/150/166/200MHz

Chip Set

Intel

Video Chip Set

ATI

Maximum Onboard Memory

192MB (EDO supported)

Maximum Video Memory

2MB

Cache

256/512KB

BIOS

AMI/Intel

Dimensions

304mm x 243mm

I/O Options

32-bit PCI slots (3), Ethernet 10BaseT connector, floppy drive interface, green PC connector, IDE interfaces (2), parallel port, PS/2 mouse port, serial ports (2), VESA feature connector, VGA port, IR connector, USB connectors (2), soft off power supply, wavetable connector, telephony connector, audio out connector, microphone in connector, CD-ROM connector

NPU Options

None

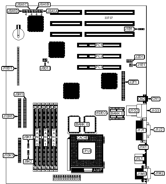
CONNECTIONS

Purpose

Location

Purpose

Location

Microphone in connector

CN1

IDE interface 1

J9H1

Audio out connector

CN2

Chassis fan power

J9K1

CD-ROM connector

J1B1

Chassis fan power

J9K2

Telephony connector

J1E1

Front panel power switch

J10D1 pins 1 & 2

USB connector 1

J1G2

Green PC connector

J10D1 pins 3 & 4

USB connector 2

J1G3

IR connector

J10D1 pins 6 - 11

Parallel port

J1J1

IDE interface LED

J10D1 pins 13 - 16

VGA port

J1J2

Green PC LED

J10D1 pins 18 - 21

Ethernet 10BaseT connector

J1K1

Reset switch

J10D1 pins 22 & 23

PS/2 mouse port

J1L1

Speaker

J10D1 pins 24 - 27

Serial port 1

J1M1

IDE interface 2

J10H1

Serial port 2

J1M2

Floppy drive interface

J10K1

Wavetable connector

J2D1

32-bit PCI slots

PC1 - PC3

VESA feature connector

J2F1

   

USER CONFIGURABLE SETTINGS

Function

Label

Position

»

Password enabled

J8A1A

Pins 1 & 2 closed

 

Password disabled

J8A1A

Pins 2 & 3 closed

»

CMOS memory normal operation

J8A1A

Pins 4 & 5 closed

 

CMOS memory clear

J8A1A

Pins 5 & 6 closed

»

Setup access enabled

J8A1B

Pins 1 & 2 closed

 

Setup access disabled

J8A1B

Pins 2 & 3 closed

DRAM CONFIGURATION

Size

Bank 0

Bank 1

Bank 2

4MB

(2) 512K x 36

None

None

8MB

(2) 512K x 36

(2) 512K x 36

None

12MB

(2) 512K x 36

(2) 1M x 36

None

16MB

(2) 1M x 36

(2) 1M x 36

None

16MB

(2) 2M x 36

None

None

20MB

(2) 1M x 36

(2) 1M x 36

(2) 512K x 36

20MB

(2) 2M x 36

(2) 512K x 36

None

24MB

(2) 2M x 36

(2) 1M x 36

None

24MB

(2) 1M x 36

(2) 1M x 36

(2) 1M x 36

28MB

(2) 2M x 36

(2) 1M x 36

(2) 512K x 36

32MB

(2) 4M x 36

None

None

32MB

(2) 2M x 36

(2) 2M x 36

None

40MB

(2) 4M x 36

(2) 1M x 36

None

40MB

(2) 4M x 36

(2) 512K x 36

(2) 512K x 36

44MB

(2) 4M x 36

(2) 1M x 36

(2) 512K x 36

48MB

(2) 4M x 36

(2) 2M x 36

None

DRAM CONFIGURATION (CON’T)

Size

Bank 0

Bank 1

Bank 2

48MB

(2) 4M x 36

(2) 1M x 36

(2) 1M x 36

52MB

(2) 4M x 36

(2) 2M x 36

(2) 512K x 36

56MB

(2) 4M x 36

(2) 2M x 36

(2) 1M x 36

64MB

(2) 8M x 36

None

None

64MB

(2) 4M x 36

(2) 4M x 36

None

68MB

(2) 8M x 36

(2) 512K x 36

None

68MB

(2) 4M x 36

(2) 4M x 36

(2) 512K x 36

72MB

(2) 8M x 36

(2) 512K x 36

(2) 512K x 36

76MB

(2) 8M x 36

(2) 512K x 36

(2) 1M x 36

80MB

(2) 8M x 36

(2) 2M x 36

None

80MB

(2) 8M x 36

(2) 1M x 36

(2) 1M x 36

84MB

(2) 8M x 36

(2) 2M x 36

(2) 512K x 36

88MB

(2) 8M x 36

(2) 2M x 36

(2) 1M x 36

96MB

(2) 8M x 36

(2) 4M x 36

None

96MB

(2) 4M x 36

(2) 4M x 36

(2) 4M x 36

96MB

(2) 8M x 36

(2) 2M x 36

(2) 2M x 36

100MB

(2) 8M x 36

(2) 4M x 36

(2) 512K x 36

104MB

(2) 8M x 36

(2) 4M x 36

(2) 1M x 36

112MB

(2) 8M x 36

(2) 4M x 36

(2) 2M x 36

128MB

(2) 8M x 36

(2) 4M x 36

(2) 4M x 36

128MB

(2) 8M x 36

(2) 8M x 36

None

132MB

(2) 8M x 36

(2) 8M x 36

(2) 512K x 36

136MB

(2) 8M x 36

(2) 8M x 36

(2) 1M x 36

192MB

(2) 8M x 36

(2) 8M x 36

(2) 8M x 36

Note: Board accepts EDO memory. Board also accepts x 32 SIMMs.

CACHE CONFIGURATION

Size

Bank 0

TAG

256KB

(2) 32K x 32

(1) 8K x 8

512KB

(2) 64K x 32

(1) 32K x 8

Note: Board will either have 256KB or 512KB cache installed. The location of the TAG is unidentified.

VIDEO MEMORY CONFIGURATION

Size

Bank 0

Bank 1

1MB

1MB

None

2MB

1MB

1MB

Note: The size of the video memory chips are unidentified.

CPU SPEED SELECTION

CPU speed

Clock speed

Multiplier

J8A1C

J8A1D

75MHz

50MHz

1.5x

2 & 3, 5 & 6

1 & 2, 4 & 5

90MHz

60MHz

1.5x

2 & 3, 4 & 5

1 & 2, 4 & 5

100MHz

66MHz

1.5x

1 & 2, 5 & 6

1 & 2, 4 & 5

120MHz

60MHz

2x

2 & 3, 4 & 5

2 & 3, 4 & 5

133MHz

66MHz

2x

1 & 2, 5 & 6

2 & 3, 4 & 5

150MHz

60MHz

2.5x

2 & 3, 5 & 6

1 & 2, 5 & 6

166MHz

66MHz

2.5x

1 & 2, 5 & 6

2 & 3, 5 & 6

200MHz

66MHz

3x

1 & 2, 5 & 6

1 & 2, 5 & 6

Note: Pins designated should be in the closed position.

CPU TYPE SELECTION

Type

J8D1

 

VR or standard

Pins 4 & 5 closed

»

VRE

Pins 5 & 6 closed