GIGA-BYTE TECHNOLOGY CO., LTD.
GA-6BMM (VER. 1.4)
Device Type |
Mainboard |
Processor |
Pentium II/Celeron |
Processor Speed |
266/300/333/350/366/400/433/450/466/500/550/600/650MHz |
Chip Set |
Intel 440BX |
Video Chip Set |
ATI |
Maximum Onboard Memory |
768MB (EDO & SDRAM supported) |
Maximum Video Memory |
Unidentified |
Audio Chip Set |
ATI |
Cache |
0/128/256/512KB (located on the CPU) |
BIOS |
Award |
Dimensions |
245mm x 200mm |
I/O Options |
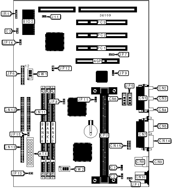
32-bit PCI slots (3), floppy drive interface, game/MIDI port, green PC connector, IDE interfaces (2), parallel port, PS/2 mouse port, serial ports (2), VGA port, IR connector, USB connectors (2), ATX power connector, AGP slot, line in, line out, microphone in, audio in - CD-ROMs (2), wake on LAN connector, wake on modem connector |
CONNECTIONS |
|||
Purpose |
Location |
Purpose |
Location |
AGP slot |
AGP |
Floppy drive interface |
CN13 |
ATX power connector |
ATX |
VGA port |
CN14 |
CPU fan power |
C1 |
Serial port 2 |
CN15 |
Power fan power |
C2 |
IR connector |
IR1 |
Chassis fan power |
C3 |
Wake on modem connector |
J11 |
Game/MIDI port |
CN1 |
Audio in - CD-ROM |
JP5 |
Microphone in |
CN2 |
Green PC LED |
JP6/pins 1 & 12 |
Line in |
CN3 |
Reset switch |
JP6/pins 3 & 4 |
Line out |
CN4 |
Speaker |
JP6/pins 5 - 8 |
Serial port 1 |
CN5 |
IDE interface LED |
JP6/pins 9 & 20 |
Audio in - CD-ROM |
CN6 |
Green PC connector |
JP6/pins 11 & 22 |
Parallel port |
CN7 |
Soft off power supply |
JP6/pins 15 & 16 |
USB connector 1 |
CN8 |
Power LED |
JP6/pins 17 - 19 |
USB connector 2 |
CN9 |
Wake on LAN connector |
JP7 |
PS/2 mouse port |
CN10 |
STR LED |
JP15 |
IDE interface 2 |
CN11 |
32-bit PCI slots |
PC1 - PC3 |
IDE interface 1 |
CN12 |
|
|
USER CONFIGURABLE SETTINGS |
|||
Function |
Label |
Position |
|
» |
Keyboard power on disabled |
JP1 |
Pins 2 & 3 closed |
|
Keyboard power on enabled |
JP1 |
Pins 1 & 2 closed |
» |
VGA INT disabled |
JP8 |
Pins 1 & 2 closed |
|
VGA INT enabled |
JP8 |
Pins 2 & 3 closed |
» |
On board sound enabled |
JP9 |
Pins 1 & 2 closed |
|
On board sound disabled |
JP9 |
Pins 2 & 3 closed |
» |
System acceleration select 100MHz |
JP11 |
Pins 2 & 3 closed |
|
System acceleration select turbo |
JP11 |
Pins 1 & 2 closed |
» |
On board video enabled |
JP12 |
Pins 2 & 3 closed |
|
On board video disabled |
JP12 |
Pins 1 & 2 closed |
» |
Suspend to RAM function enabled |
JP13 |
Open |
|
Suspend to RAM function disabled |
JP13 |
Closed |
» |
CMOS memory normal operation |
JP14 |
Pins 2 & 3 closed |
|
CMOS memory clear |
JP14 |
Pins 1 & 2 closed |
DIMM CONFIGURATION |
|||
Size |
Bank 0 |
Bank 1 |
Bank 2 |
8MB |
(1) 1M x 64 |
None |
None |
16MB |
(1) 2M x 64 |
None |
None |
16MB |
(1) 1M x 64 |
(1) 1M x 64 |
None |
24MB |
(1) 2M x 64 |
(1) 1M x 64 |
None |
32MB |
(1) 2M x 64 |
(1) 1M x 64 |
(1) 1M x 64 |
DIMM CONFIGURATION (CON'T) |
|||
Size |
Bank 0 |
Bank 1 |
Bank 2 |
32MB |
(1) 2M x 64 |
(1) 2M x 64 |
None |
40MB |
(1) 4M x 64 |
(1) 1M x 64 |
None |
40MB |
(1) 2M x 64 |
(1) 2M x 64 |
(1) 1M x 64 |
48MB |
(1) 4M x 64 |
(1) 1M x 64 |
(1) 1M x 64 |
48MB |
(1) 4M x 64 |
(1) 2M x 64 |
None |
48MB |
(1) 2M x 64 |
(1) 2M x 64 |
(1) 2M x 64 |
56MB |
(1) 4M x 64 |
(1) 2M x 64 |
(1) 1M x 64 |
64MB |
(1) 8M x 64 |
None |
None |
64MB |
(1) 4M x 64 |
(1) 2M x 64 |
(1) 2M x 64 |
64MB |
(1) 4M x 64 |
(1) 4M x 64 |
None |
72MB |
(1) 8M x 64 |
(1) 1M x 64 |
None |
96MB |
(1) 8M x 64 |
(1) 4M x 64 |
None |
128MB |
(1) 8M x 64 |
(1) 4M x 64 |
(1) 4M x 64 |
128MB |
(1) 8M x 64 |
(1) 8M x 64 |
None |
136MB |
(1) 16M x 64 |
(1) 1M x 64 |
None |
136MB |
(1) 8M x 64 |
(1) 8M x 64 |
(1) 1M x 64 |
144MB |
(1) 16M x 64 |
(1) 1M x 64 |
(1) 1M x 64 |
144MB |
(1) 16M x 64 |
(1) 2M x 64 |
None |
144MB |
(1) 8M x 64 |
(1) 8M x 64 |
(1) 2M x 64 |
152MB |
(1) 16M x 64 |
(1) 2M x 64 |
(1) 1M x 64 |
160MB |
(1) 16M x 64 |
(1) 2M x 64 |
(1) 2M x 64 |
192MB |
(1) 16M x 64 |
(1) 4M x 64 |
(1) 4M x 64 |
192MB |
(1) 16M x 64 |
(1) 8M x 64 |
None |
208MB |
(1) 16M x 64 |
(1) 8M x 64 |
(1) 2M x 64 |
224MB |
(1) 16M x 64 |
(1) 8M x 64 |
(1) 4M x 64 |
256MB |
(1) 32M x 64 |
None |
None |
256MB |
(1) 16M x 64 |
(1) 8M x 64 |
(1) 8M x 64 |
264MB |
(1) 32M x 64 |
(1) 1M x 64 |
None |
272MB |
(1) 32M x 64 |
(1) 1M x 64 |
(1) 1M x 64 |
288MB |
(1) 32M x 64 |
(1) 4M x 64 |
None |
320MB |
(1) 32M x 64 |
(1) 4M x 64 |
(1) 4M x 64 |
320MB |
(1) 32M x 64 |
(1) 8M x 64 |
None |
384MB |
(1) 16M x 64 |
(1) 16M x 64 |
(1) 16M x 64 |
512MB |
(1) 32M x 64 |
(1) 16M x 64 |
(1) 16M x 64 |
512MB |
(1) 32M x 64 |
(1) 32M x 64 |
None |
768MB |
(1) 32M x 64 |
(1) 32M x 64 |
(1) 32M x 64 |
Note: Board accepts SDRAM memory. |
CACHE CONFIGURATION |
Note: 256KB/512KB cache is located on the Pentium II CPU. 128KB cache is located on the Celeron 300A & 333 CPU. |
VIDEO MEMORY CONFIGURATION |
Note: The location of the video memory is unidentified. |
CPU SPEED SELECTION (CELERON) |
||||||
CPU speed |
Clock speed |
Multiplier |
SW1/1 |
SW1/2 |
SW1/3 |
SW1/4 |
266MHz |
66MHz |
4x |
On |
Off |
Off |
On |
300MHz |
66MHz |
4.5x |
On |
Off |
Off |
On |
333MHz |
66MHz |
5x |
On |
Off |
Off |
On |
366MHz |
66MHz |
5.5x |
On |
Off |
Off |
On |
400MHz |
66MHz |
6x |
On |
Off |
Off |
On |
433MHz |
66MHz |
6.5x |
On |
Off |
Off |
On |
CPU SPEED SELECTION (CELERON, CON'T) |
||||||
CPU speed |
Clock speed |
Multiplier |
SW2/1 |
SW2/2 |
SW2/3 |
SW2/4 |
266MHz |
66MHz |
4x |
On |
On |
Off |
On |
300MHz |
66MHz |
4.5x |
Off |
On |
Off |
On |
333MHz |
66MHz |
5x |
On |
Off |
Off |
On |
366MHz |
66MHz |
5.5x |
Off |
Off |
Off |
On |
400MHz |
66MHz |
6x |
On |
On |
On |
Off |
433MHz |
66MHz |
6.5x |
Off |
On |
On |
Off |
CPU SPEED SELECTION (PENTIUM II) |
||||||
CPU speed |
Clock speed |
Multiplier |
SW1/1 |
SW1/2 |
SW1/3 |
SW1/4 |
266MHz |
66MHz |
4x |
On |
Off |
Off |
On |
300MHz |
66MHz |
4.5x |
On |
Off |
Off |
On |
333MHz |
66MHz |
5x |
On |
Off |
Off |
On |
366MHz |
66MHz |
5.5x |
On |
Off |
Off |
On |
400MHz |
66MHz |
6x |
On |
Off |
Off |
On |
433MHz |
66MHz |
6.5x |
On |
Off |
Off |
On |
350MHz |
100MHz |
3.5x |
Off |
Off |
Off |
Off |
400MHz |
100MHz |
4x |
Off |
Off |
Off |
Off |
450MHz |
100MHz |
4.5x |
Off |
Off |
Off |
Off |
500MHz |
100MHz |
5x |
Off |
Off |
Off |
Off |
550MHz |
100MHz |
5.5x |
Off |
Off |
Off |
Off |
600MHz |
100MHz |
6x |
Off |
Off |
Off |
Off |
650MHz |
100MHz |
6.5x |
Off |
Off |
Off |
Off |
CPU SPEED SELECTION (PENTIUM II, CON'T) |
||||||
CPU speed |
Clock speed |
Multiplier |
SW2/1 |
SW2/2 |
SW2/3 |
SW2/4 |
266MHz |
66MHz |
4x |
On |
On |
Off |
On |
300MHz |
66MHz |
4.5x |
Off |
On |
Off |
On |
333MHz |
66MHz |
5x |
On |
Off |
Off |
On |
366MHz |
66MHz |
5.5x |
Off |
Off |
Off |
On |
400MHz |
66MHz |
6x |
On |
On |
On |
Off |
433MHz |
66MHz |
6.5x |
Off |
On |
On |
Off |
350MHz |
100MHz |
3.5x |
Off |
Off |
On |
On |
400MHz |
100MHz |
4x |
On |
On |
Off |
On |
450MHz |
100MHz |
4.5x |
Off |
On |
Off |
On |
500MHz |
100MHz |
5x |
On |
Off |
Off |
On |
550MHz |
100MHz |
5.5x |
Off |
Off |
Off |
On |
600MHz |
100MHz |
6x |
On |
On |
On |
Off |
650MHz |
100MHz |
6.5x |
Off |
On |
On |
Off |