GIGA-BYTE TECHNOLOGY CO., LTD.
GA-6LA7 (VER. 1.0)
Device Type |
Mainboard |
Processor |
Celeron |
Processor Speed |
366/400/433MHz |
Chip Set |
Intel 440LX |
Maximum Onboard Memory |
768MB (EDO & SDRAM supported) |
Cache |
128KB (located on the Celeron CPU) |
BIOS |
AMI |
Dimensions |
230mm x 220mm |
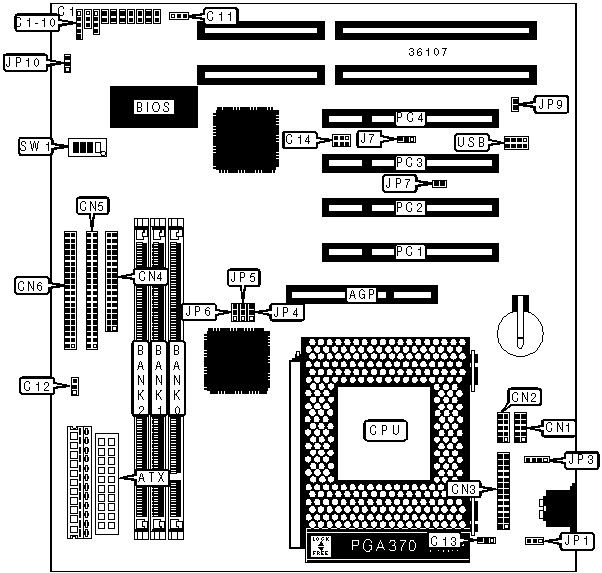
I/O Options |
32-bit PCI slots (4), floppy drive interface, green PC connector, IDE interfaces (2), parallel port, PS/2 mouse interface, serial ports (2), USB connector, ATX power connector, AGP slot, IR connector, SB-link connector, wake on LAN connector |
CONNECTIONS |
|||
Purpose |
Location |
Purpose |
Location |
AGP slot |
AGP |
CPU fan power |
C13 |
ATX power connector |
ATX |
SB-link connector |
C14 |
IR connector |
C1 |
Serial port 1 |
CN1 |
Power LED |
C2 |
Serial port 2 |
CN2 |
Speaker |
C3 |
Parallel port |
CN3 |
Turbo LED |
C4 |
Floppy drive interface |
CN4 |
Turbo switch |
C5 |
IDE interface 2 |
CN5 |
Reset switch |
C6 |
IDE interface 1 |
CN6 |
Green PC LED |
C7 |
Wake on LAN connector |
J7 |
Green PC connector |
C8 |
PS/2 mouse interface |
JP3 |
IDE interface LED |
C9 |
Wake on modem connector |
JP7 |
Soft off power supply |
C10 |
Case open connector |
JP9 |
Chassis fan power |
C11 |
32-bit PCI slots |
PC1 - PC4 |
Power fan power |
C12 |
USB connector |
USB |
USER CONFIGURABLE SETTINGS |
|||
Function |
Label |
Position |
|
» |
Keyboard power on disabled |
JP1 |
Pins 2 & 3 closed |
|
Keyboard power on enabled |
JP1 |
Pins 1 & 2 closed |
» |
CMOS memory normal operation |
JP10 |
Pins 1 & 2 closed |
|
CMOS memory clear |
JP10 |
Pins 2 & 3 closed |
DIMM CONFIGURATION |
|||
Size |
Bank 0 |
Bank 1 |
Bank 2 |
8MB |
(1) 1M x 64 |
None |
None |
16MB |
(1) 2M x 64 |
None |
None |
16MB |
(1) 1M x 64 |
(1) 1M x 64 |
None |
24MB |
(1) 2M x 64 |
(1) 1M x 64 |
None |
24MB |
(1) 1M x 64 |
(1) 1M x 64 |
(1) 1M x 64 |
32MB |
(1) 4M x 64 |
None |
None |
32MB |
(1) 2M x 64 |
(1) 1M x 64 |
(1) 1M x 64 |
32MB |
(1) 2M x 64 |
(1) 2M x 64 |
None |
40MB |
(1) 4M x 64 |
(1) 1M x 64 |
None |
40MB |
(1) 2M x 64 |
(1) 2M x 64 |
(1) 1M x 64 |
48MB |
(1) 4M x 64 |
(1) 1M x 64 |
(1) 1M x 64 |
48MB |
(1) 4M x 64 |
(1) 2M x 64 |
None |
48MB |
(1) 2M x 64 |
(1) 2M x 64 |
(1) 2M x 64 |
56MB |
(1) 4M x 64 |
(1) 2M x 64 |
(1) 1M x 64 |
64MB |
(1) 8M x 64 |
None |
None |
64MB |
(1) 4M x 64 |
(1) 2M x 64 |
(1) 2M x 64 |
64MB |
(1) 4M x 64 |
(1) 4M x 64 |
None |
72MB |
(1) 8M x 64 |
(1) 1M x 64 |
None |
DIMM CONFIGURATION (CON'T) |
|||
Size |
Bank 0 |
Bank 1 |
Bank 2 |
72MB |
(1) 4M x 64 |
(1) 4M x 64 |
(1) 1M x 64 |
80MB |
(1) 8M x 64 |
(1) 1M x 64 |
(1) 1M x 64 |
80MB |
(1) 8M x 64 |
(1) 2M x 64 |
None |
80MB |
(1) 4M x 64 |
(1) 4M x 64 |
(1) 2M x 64 |
88MB |
(1) 8M x 64 |
(1) 2M x 64 |
(1) 1M x 64 |
96MB |
(1) 8M x 64 |
(1) 2M x 64 |
(1) 2M x 64 |
96MB |
(1) 8M x 64 |
(1) 4M x 64 |
None |
96MB |
(1) 4M x 64 |
(1) 4M x 64 |
(1) 4M x 64 |
104MB |
(1) 8M x 64 |
(1) 4M x 64 |
(1) 1M x 64 |
112MB |
(1) 8M x 64 |
(1) 4M x 64 |
(1) 2M x 64 |
128MB |
(1) 16M x 64 |
None |
None |
128MB |
(1) 8M x 64 |
(1) 4M x 64 |
(1) 4M x 64 |
128MB |
(1) 8M x 64 |
(1) 8M x 64 |
None |
136MB |
(1) 16M x 64 |
(1) 1M x 64 |
None |
136MB |
(1) 8M x 64 |
(1) 8M x 64 |
(1) 1M x 64 |
144MB |
(1) 16M x 64 |
(1) 1M x 64 |
(1) 1M x 64 |
144MB |
(1) 16M x 64 |
(1) 2M x 64 |
None |
144MB |
(1) 8M x 64 |
(1) 8M x 64 |
(1) 2M x 64 |
160MB |
(1) 16M x 64 |
(1) 4M x 64 |
None |
176MB |
(1) 16M x 64 |
(1) 4M x 64 |
(1) 2M x 64 |
192MB |
(1) 16M x 64 |
(1) 4M x 64 |
(1) 4M x 64 |
192MB |
(1) 16M x 64 |
(1) 8M x 64 |
None |
192MB |
(1) 8M x 64 |
(1) 8M x 64 |
(1) 8M x 64 |
200MB |
(1) 16M x 64 |
(1) 8M x 64 |
(1) 1M x 64 |
208MB |
(1) 16M x 64 |
(1) 8M x 64 |
(1) 2M x 64 |
224MB |
(1) 16M x 64 |
(1) 8M x 64 |
(1) 4M x 64 |
256MB |
(1) 32M x 64 |
None |
None |
256MB |
(1) 16M x 64 |
(1) 8M x 64 |
(1) 8M x 64 |
264MB |
(1) 32M x 64 |
(1) 1M x 64 |
None |
272MB |
(1) 32M x 64 |
(1) 1M x 64 |
(1) 1M x 64 |
272MB |
(1) 32M x 64 |
(1) 2M x 64 |
None |
288MB |
(1) 32M x 64 |
(1) 2M x 64 |
(1) 2M x 64 |
288MB |
(1) 32M x 64 |
(1) 4M x 64 |
None |
320MB |
(1) 32M x 64 |
(1) 4M x 64 |
(1) 4M x 64 |
320MB |
(1) 32M x 64 |
(1) 8M x 64 |
None |
384MB |
(1) 32M x 64 |
(1) 8M x 64 |
(1) 8M x 64 |
384MB |
(1) 32M x 64 |
(1) 16M x 64 |
None |
384MB |
(1) 16M x 64 |
(1) 16M x 64 |
(1) 16M x 64 |
512MB |
(1) 32M x 64 |
(1) 16M x 64 |
(1) 16M x 64 |
512MB |
(1) 32M x 64 |
(1) 32M x 64 |
None |
768MB |
(1) 32M x 64 |
(1) 32M x 64 |
(1) 32M x 64 |
Note: Board accepts EDO & SDRAM memory. Maximum SDRAM is 384MB. Maximum EDO is 768MB. |
CACHE CONFIGURATION |
Note: 128KB cache is located on the Celeron 300A & 333 CPU. |
CPU SPEED SELECTION |
|||||
CPU speed |
Clock speed |
Multiplier |
JP4 |
JP5 |
JP6 |
366MHz |
66MHz |
4x |
1 & 2 |
1 & 2 |
1 & 2 |
400MHz |
66MHz |
4.5x |
1 & 2 |
1 & 2 |
1 & 2 |
433MHz |
66MHz |
5x |
1 & 2 |
1 & 2 |
1 & 2 |
Note: Pins designated should be in the closed position. |
CPU SPEED SELECTION (CON'T) |
||||||
CPU speed |
Clock speed |
Multiplier |
SW1/1 |
SW1/2 |
SW1/3 |
SW1/4 |
366MHz |
66MHz |
4x |
On |
On |
Off |
On |
400MHz |
66MHz |
4.5x |
Off |
On |
Off |
On |
433MHz |
66MHz |
5x |
On |
Off |
Off |
On |