GIGA-BYTE TECHNOLOGY CO., LTD.
GA-6LM7A (VER. 1.0)
Device Type |
Mainboard |
Processor |
Celeron |
Processor Speed |
300/333/366/400/433MHz |
Chip Set |
Intel 440LX |
Maximum Onboard Memory |
768MB (EDO & SDRAM supported) |
Audio Chip Set |
ESS |
Cache |
128KB (located on the Celeron CPU) |
BIOS |
Award |
Dimensions |
305mm x 244mm |
I/O Options |
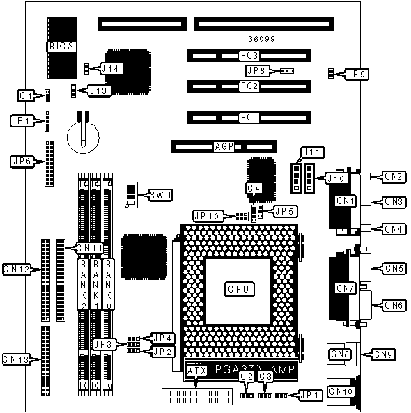
32-bit PCI slots (3), floppy drive interface, game/MIDI port, green PC connector, IDE interfaces (2), parallel port, PS/2 mouse port, serial ports (2), IR connector, USB connectors (2), ATX power connector, AGP slot, line in, line out, microphone in, audio in - CD-ROMs (2), SB-link connector, wake on LAN connector, wake on modem connector |
CONNECTIONS |
|||
Purpose |
Location |
Purpose |
Location |
AGP slot |
AGP |
IDE interface 1 |
CN12 |
ATX power connector |
ATX |
Floppy drive interface |
CN13 |
Chassis fan power |
C1 |
IR connector |
IR1 |
Power fan power |
C2 |
Audio in - CD-ROM |
J10 |
CPU fan power |
C3 |
Audio in - CD-ROM |
J11 |
Modem connector |
C4 |
Wake on modem connector |
J14 |
Game/MIDI port |
CN1 |
Green PC LED |
JP6/pins 1 & 12 |
Microphone in |
CN2 |
Reset switch |
JP6/pins 3 & 4 |
Line in |
CN3 |
Speaker |
JP6/pins 5 - 8 |
Line out |
CN4 |
IDE interface LED |
JP6/pins 9 & 20 |
Serial port 1 |
CN5 |
Green PC connector |
JP6/pins 11 & 22 |
Serial port 2 |
CN6 |
Soft off power supply |
JP6/pins 15 & 16 |
Parallel port |
CN7 |
Power LED |
JP6/pins 17 - 19 |
USB connector 1 |
CN8 |
Wake on LAN connector |
JP8 |
USB connector 2 |
CN9 |
Case open connector |
JP9 |
PS/2 mouse port |
CN10 |
SB-link connector |
JP10 |
IDE interface 2 |
CN11 |
32-bit PCI slots |
PC1 - PC3 |
USER CONFIGURABLE SETTINGS |
|||
Function |
Label |
Position |
|
» |
CMOS memory normal operation |
J13 |
Pins 2 & 3 closed |
|
CMOS memory clear |
J13 |
Pins 1 & 2 closed |
» |
Keyboard power on disabled |
JP1 |
Pins 2 & 3 closed |
|
Keyboard power on enabled |
JP1 |
Pins 1 & 2 closed |
|
On board sound enabled |
JP5 |
Pins 1 & 2 closed |
|
On board sound disabled |
JP5 |
Pins 2 & 3 closed |
DIMM CONFIGURATION |
|||
Size |
Bank 0 |
Bank 1 |
Bank 2 |
8MB |
(1) 1M x 64 |
None |
None |
16MB |
(1) 2M x 64 |
None |
None |
16MB |
(1) 1M x 64 |
(1) 1M x 64 |
None |
24MB |
(1) 2M x 64 |
(1) 1M x 64 |
None |
24MB |
(1) 1M x 64 |
(1) 1M x 64 |
(1) 1M x 64 |
32MB |
(1) 4M x 64 |
None |
None |
32MB |
(1) 2M x 64 |
(1) 1M x 64 |
(1) 1M x 64 |
32MB |
(1) 2M x 64 |
(1) 2M x 64 |
None |
40MB |
(1) 4M x 64 |
(1) 1M x 64 |
None |
40MB |
(1) 2M x 64 |
(1) 2M x 64 |
(1) 1M x 64 |
48MB |
(1) 4M x 64 |
(1) 1M x 64 |
(1) 1M x 64 |
48MB |
(1) 4M x 64 |
(1) 2M x 64 |
None |
48MB |
(1) 2M x 64 |
(1) 2M x 64 |
(1) 2M x 64 |
DIMM CONFIGURATION (CON'T) |
|||
Size |
Bank 0 |
Bank 1 |
Bank 2 |
56MB |
(1) 4M x 64 |
(1) 2M x 64 |
(1) 1M x 64 |
64MB |
(1) 8M x 64 |
None |
None |
64MB |
(1) 4M x 64 |
(1) 2M x 64 |
(1) 2M x 64 |
64MB |
(1) 4M x 64 |
(1) 4M x 64 |
None |
72MB |
(1) 8M x 64 |
(1) 1M x 64 |
None |
72MB |
(1) 4M x 64 |
(1) 4M x 64 |
(1) 1M x 64 |
80MB |
(1) 8M x 64 |
(1) 1M x 64 |
(1) 1M x 64 |
80MB |
(1) 8M x 64 |
(1) 2M x 64 |
None |
80MB |
(1) 4M x 64 |
(1) 4M x 64 |
(1) 2M x 64 |
88MB |
(1) 8M x 64 |
(1) 2M x 64 |
(1) 1M x 64 |
96MB |
(1) 8M x 64 |
(1) 2M x 64 |
(1) 2M x 64 |
128MB |
(1) 16M x 64 |
None |
None |
128MB |
(1) 8M x 64 |
(1) 4M x 64 |
(1) 4M x 64 |
128MB |
(1) 8M x 64 |
(1) 8M x 64 |
None |
136MB |
(1) 16M x 64 |
(1) 1M x 64 |
None |
144MB |
(1) 8M x 64 |
(1) 8M x 64 |
(1) 2M x 64 |
152MB |
(1) 16M x 64 |
(1) 2M x 64 |
(1) 1M x 64 |
160MB |
(1) 16M x 64 |
(1) 2M x 64 |
(1) 2M x 64 |
160MB |
(1) 16M x 64 |
(1) 4M x 64 |
None |
160MB |
(1) 8M x 64 |
(1) 8M x 64 |
(1) 4M x 64 |
168MB |
(1) 16M x 64 |
(1) 4M x 64 |
(1) 1M x 64 |
176MB |
(1) 16M x 64 |
(1) 4M x 64 |
(1) 2M x 64 |
192MB |
(1) 16M x 64 |
(1) 4M x 64 |
(1) 4M x 64 |
192MB |
(1) 16M x 64 |
(1) 8M x 64 |
None |
192MB |
(1) 8M x 64 |
(1) 8M x 64 |
(1) 8M x 64 |
256MB |
(1) 32M x 64 |
None |
None |
256MB |
(1) 16M x 64 |
(1) 8M x 64 |
(1) 8M x 64 |
264MB |
(1) 32M x 64 |
(1) 1M x 64 |
None |
272MB |
(1) 32M x 64 |
(1) 1M x 64 |
(1) 1M x 64 |
272MB |
(1) 32M x 64 |
(1) 2M x 64 |
None |
288MB |
(1) 32M x 64 |
(1) 2M x 64 |
(1) 2M x 64 |
288MB |
(1) 32M x 64 |
(1) 4M x 64 |
None |
384MB |
(1) 32M x 64 |
(1) 16M x 64 |
None |
384MB |
(1) 16M x 64 |
(1) 16M x 64 |
(1) 16M x 64 |
512MB |
(1) 32M x 64 |
(1) 16M x 64 |
(1) 16M x 64 |
512MB |
(1) 32M x 64 |
(1) 32M x 64 |
None |
768MB |
(1) 32M x 64 |
(1) 32M x 64 |
(1) 32M x 64 |
384MB |
(1) 16M x 64 |
(1) 16M x 64 |
(1) 16M x 64 |
Note: Board accepts EDO & SDRAM memory. Maximum SDRAM is 384MB. Maximum EDO is 768MB. |
CACHE CONFIGURATION |
Note: 128KB cache is located on the Celeron CPU. |
CPU SPEED SELECTION |
|||||
CPU speed |
Clock speed |
Multiplier |
JP2 |
JP3 |
JP4 |
300MHz |
66MHz |
4.5x |
2 & 3 |
2 & 3 |
2 & 3 |
333MHz |
66MHz |
5x |
2 & 3 |
2 & 3 |
2 & 3 |
366MHz |
66MHz |
5.5x |
2 & 3 |
2 & 3 |
2 & 3 |
400MHz |
66MHz |
6x |
2 & 3 |
2 & 3 |
2 & 3 |
433MHz |
66MHz |
6.5x |
2 & 3 |
2 & 3 |
2 & 3 |
Note: Pins designated should be in the closed position. |
CPU SPEED SELECTION (CON'T) |
||||||
CPU speed |
Clock speed |
Multiplier |
SW1/1 |
SW1/2 |
SW1/3 |
SW1/4 |
300MHz |
66MHz |
4.5x |
Off |
On |
Off |
On |
333MHz |
66MHz |
5x |
On |
Off |
Off |
On |
366MHz |
66MHz |
5.5x |
Off |
Off |
Off |
On |
400MHz |
66MHz |
6x |
On |
On |
On |
Off |
433MHz |
66MHz |
6.5x |
Off |
On |
On |
Off |