ELITEGROUP COMPUTER SYSTEMS, INC.
P5VP-A+
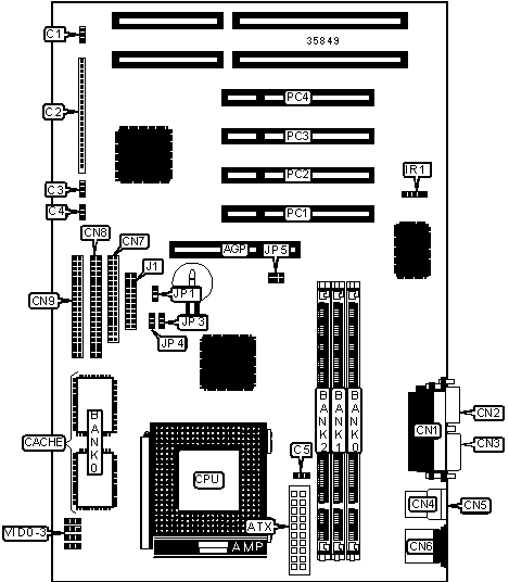
Device Type |
Mainboard |
Processor |
CX 6X86/IBM 6X86/CX 6X86L/IBM 6X86L/CX 686MX/IBM 6X86MX/ CX MII/AM K5/AM K6/AM K6-2/Pentium/Pentium MMX |
Processor Speed |
100/120/133/150/166/200/233/266/300/333/350MHz |
Chip Set |
VIA MVP |
Maximum Onboard Memory |
768MB (EDO & SDRAM supported) |
Cache |
512/1024KB |
BIOS |
Award |
Dimensions |
305mm x 180mm |
I/O Options |
32-bit PCI slots (4), floppy drive interface, green PC connector, IDE interfaces (2), parallel port, PS/2 mouse port, serial ports (2), IR connector, USB connectors (2), ATX power connector, AGP slot, wake on LAN connector, wake on modem connector |
CONNECTIONS | |||
Purpose |
Location |
Purpose |
Location |
AGP slot |
AGP |
CPU fan power |
C5 |
ATX power connector |
ATX |
Parallel port |
CN1 |
Chassis fan power |
C1 |
Serial port 2 |
CN2 |
Power LED |
C2/pins 1 - 3 |
Serial port 1 |
CN3 |
Green PC LED |
C2/pins 7 - 9 |
USB connector 1 |
CN4 |
Keylock |
C2/pins 10 & 11 |
USB connector 2 |
CN5 |
Reset switch |
C2/pins 12 & 13 |
PS/2 mouse port |
CN6 |
Speaker |
C2/pins 15 - 18 |
Floppy drive interface |
CN7 |
IDE interface LED |
C2/pins 20 & 21 |
IDE interface 2 |
CN8 |
Soft off power supply |
C2/pins 22 & 23 |
IDE interface 1 |
CN9 |
Wake on modem connector |
C3 |
IR connector |
IR1 |
Wake on LAN connector |
C4 |
32-bit PCI slots |
PC1 – PC4 |
USER CONFIGURABLE SETTINGS | |||
Function |
Label |
Position | |
» |
CMOS memory normal operation |
JP1 |
Pins 1 & 2 closed |
CMOS memory clear |
JP1 |
Pins 2 & 3 closed |
DIMM CONFIGURATION | |||
Size |
Bank 0 |
Bank 1 |
Bank 2 |
8MB |
(1) 1M x 64 |
None |
None |
16MB |
(1) 1M x 64 |
(1) 1M x 64 |
None |
16MB |
(1) 2M x 64 |
None |
None |
24MB |
(1) 1M x 64 |
(1) 1M x 64 |
(1) 1M x 64 |
32MB |
(1) 2M x 64 |
(1) 2M x 64 |
None |
32MB |
(1) 4M x 64 |
None |
None |
48MB |
(1) 2M x 64 |
(1) 2M x 64 |
(1) 2M x 64 |
64MB |
(1) 4M x 64 |
(1) 4M x 64 |
None |
64MB |
(1) 8M x 64 |
None |
None |
96MB |
(1) 4M x 64 |
(1) 4M x 64 |
(1) 4M x 64 |
128MB |
(1) 8M x 64 |
(1) 8M x 64 |
None |
128MB |
(1) 16M x 64 |
None |
None |
164MB |
(1) 16M x 64 |
(1) 1M x 64 |
None |
144MB |
(1) 16M x 64 |
(1) 1M x 64 |
(1) 1M x 64 |
DIMM CONFIGURATION (CON’T) | |||
Size |
Bank 0 |
Bank 1 |
Bank 2 |
144MB |
(1) 16M x 64 |
(1) 2M x 64 |
None |
160MB |
(1) 16M x 64 |
(1) 2M x 64 |
(1) 2M x 64 |
160MB |
(1) 16M x 64 |
(1) 4M x 64 |
None |
192MB |
(1) 16M x 64 |
(1) 4M x 64 |
(1) 4M x 64 |
192MB |
(1) 16M x 64 |
(1) 8M x 64 |
None |
192MB |
(1) 8M x 64 |
(1) 8M x 64 |
(1) 8M x 64 |
256MB |
(1) 16M x 64 |
(1) 8M x 64 |
(1) 8M x 64 |
256MB |
(1) 16M x 64 |
(1) 16M x 64 |
None |
256MB |
(1) 32M x 64 |
None |
None |
264MB |
(1) 32M x 64 |
(1) 1M x 64 |
None |
272MB |
(1) 32M x 64 |
(1) 1M x 64 |
(1) 1M x 64 |
272MB |
(1) 32M x 64 |
(1) 2M x 64 |
None |
288MB |
(1) 32M x 64 |
(1) 2M x 64 |
(1) 2M x 64 |
288MB |
(1) 32M x 64 |
(1) 4M x 64 |
None |
320MB |
(1) 32M x 64 |
(1) 4M x 64 |
(1) 4M x 64 |
320MB |
(1) 32M x 64 |
(1) 8M x 64 |
None |
384MB |
(1) 32M x 64 |
(1) 8M x 64 |
(1) 8M x 64 |
384MB |
(1) 32M x 64 |
(1) 16M x 64 |
None |
384MB |
(1) 16M x 64 |
(1) 16M x 64 |
(1) 16M x 64 |
512MB |
(1) 32M x 64 |
(1) 16M x 64 |
(1) 16M x 64 |
512MB |
(1) 32M x 64 |
(1) 32M x 64 |
None |
768MB |
(1) 32M x 64 |
(1) 32M x 64 |
(1) 32M x 64 |
Note: Board accepts EDO & SDRAM memory. |
CACHE CONFIGURATION | |
Size |
Bank 0 |
512KB |
(2) 64K x 32 |
1MB |
(2) 128K x 32 |
CPU SPEED SELECTION (CX 6X86) | |||
CPU speed |
Clock speed |
Multiplier |
J1 |
166MHz |
66MHz |
2x |
1 & 3, 4 & 6, 10 & 12 |
200MHz |
75MHz |
2x |
1 & 3, 4 & 6, 10 & 12 |
Note: Pins designated should be in the closed position. |
CPU SPEED SELECTION (IBM 6X86) | |||
CPU speed |
Clock speed |
Multiplier |
J1 |
166MHz |
66MHz |
2x |
1 & 3, 4 & 6, 10 & 12 |
200MHz |
75MHz |
2x |
1 & 3, 4 & 6, 10 & 12 |
Note: Pins designated should be in the closed position. |
CPU SPEED SELECTION (CX 6X86L) | |||
CPU speed |
Clock speed |
Multiplier |
J1 |
166MHz |
66MHz |
2x |
1 & 3, 4 & 6, 10 & 12 |
200MHz |
75MHz |
2x |
1 & 3, 4 & 6, 10 & 12 |
Note: Pins designated should be in the closed position. |
CPU SPEED SELECTION (CX 6X86L) | |||
CPU speed |
Clock speed |
Multiplier |
J1 |
166MHz |
66MHz |
2x |
1 & 3, 4 & 6, 10 & 12 |
200MHz |
75MHz |
2x |
1 & 3, 4 & 6, 10 & 12 |
Note: Pins designated should be in the closed position. |
CPU SPEED SELECTION (CX 6X86MX) | |||
CPU speed |
Clock speed |
Multiplier |
J1 |
166MHz |
66MHz |
2x |
1 & 3, 4 & 6, 10 & 12 |
200MHz |
66MHz |
2.5x |
3 & 5, 4 & 6, 10 & 12 |
233MHz |
66MHz |
3x |
2 & 4, 3 & 5, 10 & 12 |
200MHz |
75MHz |
2x |
1 & 3, 4 & 6, 10 & 12 |
233MHz |
75MHz |
2.5x |
3 & 5, 4 & 6, 10 & 12 |
300MHz |
75MHz |
3x |
2 & 4, 3 & 5, 10 & 12 |
Note: Pins designated should be in the closed position. |
CPU SPEED SELECTION (IBM 6X86MX) | |||
CPU speed |
Clock speed |
Multiplier |
J1 |
166MHz |
66MHz |
2x |
1 & 3, 4 & 6, 10 & 12 |
200MHz |
66MHz |
2.5x |
3 & 5, 4 & 6, 10 & 12 |
233MHz |
66MHz |
3x |
2 & 4, 3 & 5, 10 & 12 |
200MHz |
75MHz |
2x |
1 & 3, 4 & 6, 10 & 12 |
233MHz |
75MHz |
2.5x |
3 & 5, 4 & 6, 10 & 12 |
300MHz |
75MHz |
3x |
2 & 4, 3 & 5, 10 & 12 |
Note: Pins designated should be in the closed position. |
CPU SPEED SELECTION (CX MII) | |||
CPU speed |
Clock speed |
Multiplier |
J1 |
233MHz |
83MHz |
2x |
1 & 3, 4 & 6, 10 & 12 |
266MHz |
83MHz |
2.5x |
3 & 5, 4 & 6, 10 & 12 |
333MHz |
83MHz |
3x |
2 & 4, 3 & 5, 10 & 12 |
Note: Pins designated should be in the closed position. |
CPU SPEED SELECTION (IBM MII) | |||
CPU speed |
Clock speed |
Multiplier |
J1 |
233MHz |
83MHz |
2x |
1 & 3, 4 & 6, 10 & 12 |
266MHz |
83MHz |
2.5x |
3 & 5, 4 & 6, 10 & 12 |
333MHz |
83MHz |
3x |
2 & 4, 3 & 5, 10 & 12 |
Note: Pins designated should be in the closed position. |
CPU SPEED SELECTION (AM K5) | |||
CPU speed |
Clock speed |
Multiplier |
J1 |
100MHz |
66MHz |
1.5x |
1 & 3, 2 & 4, 10 & 12 |
133MHz |
66MHz |
2x |
1 & 3, 4 & 6, 10 & 12 |
166MHz |
66MHz |
2.5x |
3 & 5, 4 & 6, 10 & 12 |
Note: Pins designated should be in the closed position. |
CPU SPEED SELECTION (AM K6) | |||
CPU speed |
Clock speed |
Multiplier |
J1 |
166MHz |
66MHz |
2.5x |
3 & 5, 4 & 6, 10 & 12 |
200MHz |
66MHz |
3x |
2 & 4, 3 & 5, 10 & 12 |
233MHz |
66MHz |
3.5x |
1 & 3, 2 & 4, 10 & 12 |
266MHz |
66MHz |
4x |
1 & 3, 4 & 6, 12 & 14 |
300MHz |
66MHz |
4.5x |
3 & 5, 4 & 6, 12 & 14 |
Note: Pins designated should be in the closed position. |
CPU SPEED SELECTION (AM K6-2) | |||
CPU speed |
Clock speed |
Multiplier |
J1 |
300MHz |
100MHz |
3x |
2 & 4, 3 & 5, 10 & 12 |
333MHz |
95MHz |
3.5x |
1 & 3, 2 & 4, 10 & 12 |
350MHz |
100MHz |
3.5x |
1 & 3, 2 & 4, 10 & 12 |
Note: Pins designated should be in the closed position. |
CPU SPEED SELECTION (INTEL) | |||
CPU speed |
Clock speed |
Multiplier |
J1 |
100MHz |
66MHz |
1.5x |
1 & 3, 2 & 4, 10 & 12 |
133MHz |
66MHz |
2x |
1 & 3, 4 & 6, 10 & 12 |
166MHz |
66MHz |
2.5x |
3 & 5, 4 & 6, 10 & 12 |
200MHz |
66MHz |
3x |
2 & 4, 3 & 5, 10 & 12 |
Note: Pins designated should be in the closed position. |
CPU SPEED SELECTION (INTEL MMX) | |||
CPU speed |
Clock speed |
Multiplier |
J1 |
166MHz |
66MHz |
2.5x |
3 & 5, 4 & 6, 10 & 12 |
200MHz |
66MHz |
3x |
2 & 4, 3 & 5, 10 & 12 |
233MHz |
66MHz |
3.5x |
1 & 3, 2 & 4, 10 & 12 |
Note: Pins designated should be in the closed position. |
CPU VOLTAGE SELECTION (SINGLE) | ||
Voltage |
JP5 | |
» |
3.3v |
Pins 1 & 2 closed |
3.52v |
Pins 3 & 4 closed |
CPU VOLTAGE SELECTION (DUAL) | |||||
Voltage |
VID0 |
VID1 |
VID2 |
VID3 | |
1.2v |
Pins 2 & 3 closed |
Pins 2 & 3 closed |
Pins 2 & 3 closed |
Pins 2 & 3 closed | |
2.1v |
Pins 1 & 2 closed |
Pins 2 & 3 closed |
Pins 2 & 3 closed |
Pins 2 & 3 closed | |
2.2v |
Pins 2 & 3 closed |
Pins 1 & 2 closed |
Pins 2 & 3 closed |
Pins 2 & 3 closed | |
2.3v |
Pins 1 & 2 closed |
Pins 1 & 2 closed |
Pins 2 & 3 closed |
Pins 2 & 3 closed | |
2.4v |
Pins 2 & 3 closed |
Pins 2 & 3 closed |
Pins 1 & 2 closed |
Pins 2 & 3 closed | |
2.5v |
Pins 1 & 2 closed |
Pins 2 & 3 closed |
Pins 1 & 2 closed |
Pins 2 & 3 closed | |
2.6v |
Pins 2 & 3 closed |
Pins 1 & 2 closed |
Pins 1 & 2 closed |
Pins 2 & 3 closed | |
2.7v |
Pins 1 & 2 closed |
Pins 1 & 2 closed |
Pins 1 & 2 closed |
Pins 2 & 3 closed | |
» |
2.8v |
Pins 2 & 3 closed |
Pins 2 & 3 closed |
Pins 2 & 3 closed |
Pins 1 & 2 closed |
2.9v |
Pins 1 & 2 closed |
Pins 2 & 3 closed |
Pins 2 & 3 closed |
Pins 1 & 2 closed | |
3.0v |
Pins 2 & 3 closed |
Pins 1 & 2 closed |
Pins 2 & 3 closed |
Pins 1 & 2 closed | |
3.1v |
Pins 1 & 2 closed |
Pins 1 & 2 closed |
Pins 2 & 3 closed |
Pins 1 & 2 closed | |
3.2v |
Pins 2 & 3 closed |
Pins 2 & 3 closed |
Pins 1 & 2 closed |
Pins 1 & 2 closed | |
3.3v |
Pins 1 & 2 closed |
Pins 2 & 3 closed |
Pins 1 & 2 closed |
Pins 1 & 2 closed | |
3.4v |
Pins 2 & 3 closed |
Pins 1 & 2 closed |
Pins 1 & 2 closed |
Pins 1 & 2 closed | |
3.5v |
Pins 1 & 2 closed |
Pins 1 & 2 closed |
Pins 1 & 2 closed |
Pins 1 & 2 closed |
AGP/PCI SPEED SELECTION | ||||||
System bus |
AGP bus |
PCI bus |
J1 |
JP3 |
JP4 | |
» |
66MHz |
66MHz |
33MHz |
9 & 11, 19 & 21, 20 & 22 |
2 & 3 |
1 & 2 |
75MHz |
75MHz |
37MHz |
9 & 11, 18 & 20, 19 & 21 |
2 & 3 |
1 & 2 | |
83MHz |
66MHz |
33MHz |
9 & 11, 17 & 19, 20 & 22 |
1 & 2 |
1 & 2 | |
95MHz |
64MHz |
32MHz |
11 & 13, 17 & 19, 18 & 20 |
1 & 2 |
2 & 3 | |
100MHz |
66MHz |
33MHz |
9 & 11, 17 & 19, 18 & 20 |
1 & 2 |
2 & 3 | |
112MHz |
75MHz |
37MHz |
11 & 13, 19 & 21, 20 & 22 |
1 & 2 |
2 & 3 | |
124MHz |
83MHz |
41MHz |
11 & 13, 18 & 20, 19 & 21 |
1 & 2 |
2 & 3 | |
Note: Pins designated should be in the closed position. |