GIGA-BYTE TECHNOLOGY CO., LTD.
GA-686EX2 (REV. 1.0)
Device Type |
Mainboard |
Processor |
Pentium II |
Processor Speed |
200/233/266/300/333/366MHz |
Chip Set |
Intel 440EX |
Video Chip Set |
None |
Maximum Onboard Memory |
256MB (EDO & SDRAM supported) |
Maximum Video Memory |
None |
Cache |
256/512KB (located on Pentium II CPU) |
BIOS |
Award |
Dimensions |
243mm x 190mm |
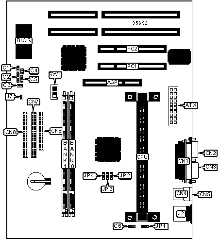
I/O Options |
32-bit PCI slots (2), floppy drive interface, IDE interfaces (2), parallel port, PS/2 mouse port, serial ports (2), USB connectors (2), ATX power connector, AGP slot |
CONNECTIONS | |||
Purpose |
Location |
Purpose |
Location |
AGP slot |
AGP |
Serial port 1 |
CN2 |
ATX power connector |
ATX |
Serial port 2 |
CN3 |
Reset switch |
C1 |
USB connector 1 |
CN4 |
Speaker |
C2 |
USB connector 2 |
CN5 |
IDE interface LED |
C3 |
Floppy drive interface |
CN6 |
Soft off power supply |
C4 |
IDE interface 2 |
CN7 |
Power LED |
C5 |
IDE interface 1 |
CN8 |
CPU fan power |
C6 |
PS/2 mouse port |
J2 |
Parallel port |
CN1 |
32-bit PCI slots |
PC1 – PC2 |
USER CONFIGURABLE SETTINGS | |||
Function |
Label |
Position | |
ATX power control select soft off |
J7 |
Open | |
ATX power control select soft off/full on |
J7 |
Closed | |
Keyboard power on enabled |
JP1 |
Pins 1 & 2 closed | |
Keyboard power on disabled |
JP1 |
Pins 2 & 3 closed |
DIMM CONFIGURATION | ||
Size |
Bank 0 |
Bank 1 |
8MB |
(1) 1M x 64 |
None |
16MB |
(1) 2M x 64 |
None |
16MB |
(1) 1M x 64 |
(1) 1M x 64 |
24MB |
(1) 2M x 64 |
(1) 1M x 64 |
32MB |
(1) 4M x 64 |
None |
32MB |
(1) 2M x 64 |
(1) 2M x 64 |
40MB |
(1) 4M x 64 |
(1) 1M x 64 |
48MB |
(1) 4M x 64 |
(1) 2M x 64 |
64MB |
(1) 8M x 64 |
None |
64MB |
(1) 4M x 64 |
(1) 4M x 64 |
72MB |
(1) 8M x 64 |
(1) 1M x 64 |
80MB |
(1) 8M x 64 |
(1) 2M x 64 |
96MB |
(1) 8M x 64 |
(1) 4M x 64 |
128MB |
(1) 16M x 64 |
None |
128MB |
(1) 8M x 64 |
(1) 8M x 64 |
DIMM CONFIGURATION (CON’T) | ||
Size |
Bank 0 |
Bank 1 |
136MB |
(1) 16M x 64 |
(1) 1M x 64 |
144MB |
(1) 16M x 64 |
(1) 2M x 64 |
160MB |
(1) 16M x 64 |
(1) 4M x 64 |
192MB |
(1) 16M x 64 |
(1) 8M x 64 |
256MB |
(1) 16M x 64 |
(1) 16M x 64 |
Note: Board accepts EDO & SDRAM memory. |
CACHE CONFIGURATION |
Note: 256KB/512KB cache is located on the Pentium II CPU. |
CPU SPEED SELECTION | |||||
CPU speed |
Clock speed |
Multiplier |
JP2 |
JP3 |
JP4 |
200MHz |
66MHz |
3x |
1 & 2 |
1 & 2 |
1 & 2 |
233MHz |
66MHz |
3.5x |
1 & 2 |
1 & 2 |
1 & 2 |
266MHz |
66MHz |
4x |
1 & 2 |
1 & 2 |
1 & 2 |
300MHz |
66MHz |
4.5x |
1 & 2 |
1 & 2 |
1 & 2 |
333MHz |
66MHz |
5x |
1 & 2 |
1 & 2 |
1 & 2 |
366MHz |
66MHz |
5.5x |
1 & 2 |
1 & 2 |
1 & 2 |
Note: Pins designated should be in the closed position. |
CPU SPEED SELECTION (CON’T) | ||||||
CPU speed |
Clock speed |
Multiplier |
SW1/1 |
SW1/2 |
SW1/3 |
SW1/4 |
200MHz |
66MHz |
3x |
On |
Off |
On |
On |
233MHz |
66MHz |
3.5x |
Off |
Off |
On |
On |
266MHz |
66MHz |
4x |
On |
On |
Off |
On |
300MHz |
66MHz |
4.5x |
Off |
On |
Off |
On |
333MHz |
66MHz |
5x |
On |
Off |
Off |
On |
366MHz |
66MHz |
5.5x |
Off |
Off |
Off |
On |