GIGA-BYTE TECHNOLOGY CO., LTD.
GA-686BX (REV. 1.0)
Device Type |
Mainboard |
Processor |
Pentium II |
Processor Speed |
233/266/300/333/350/366/400/450MHz |
Chip Set |
Intel 440BX |
Video Chip Set |
None |
Maximum Onboard Memory |
1GB (SDRAM supported) |
Maximum Video Memory |
None |
Cache |
512KB (located on Pentium II CPU) |
BIOS |
Award |
Dimensions |
305mm x 190mm |
I/O Options |
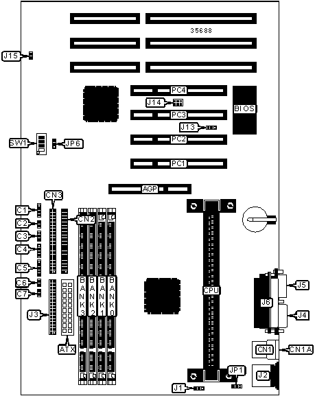
32-bit PCI slots (4), floppy drive interface, green PC connector, IDE interfaces (2), parallel port, PS/2 mouse port, serial ports (2), IR connector, USB connectors (2), ATX power connector, AGP slot, SB-link connector, wake on LAN connector |
CONNECTIONS | |||
Purpose |
Location |
Purpose |
Location |
AGP slot |
AGP |
IDE interface 1 |
CN3 |
ATX power connector |
ATX |
CPU fan power |
J1 |
Speaker |
C1 |
PS/2 mouse port |
J2 |
Reset switch |
C2 |
Floppy drive interface |
J3 |
Power LED |
C3 |
Serial port 2 |
J4 |
IDE interface LED |
C4 |
Serial port 1 |
J5 |
IR connector |
C5 |
Parallel port |
J6 |
Green PC connector |
C6 |
Wake on LAN connector |
J13 |
Soft off power supply |
C7 |
SB-link connector |
J14 |
USB connector 1 |
CN1 |
System AC back connector |
J15 |
USB connector 2 |
CN1A |
32-bit PCI slots |
PC1 – PC4 |
IDE interface 2 |
CN2 |
USER CONFIGURABLE SETTINGS | |||
Function |
Label |
Position | |
Keyboard power on enabled |
JP1 |
Pins 1 & 2 closed | |
Keyboard power on disabled |
JP1 |
Pins 2 & 3 closed |
DIMM CONFIGURATION | ||||
Size |
Bank 0 |
Bank 1 |
Bank 2 |
Bank 3 |
8MB |
(1) 1M x 64 |
None |
None |
None |
16MB |
(1) 2M x 64 |
None |
None |
None |
16MB |
(1) 1M x 64 |
(1) 1M x 64 |
None |
None |
24MB |
(1) 2M x 64 |
(1) 1M x 64 |
None |
None |
24MB |
(1) 1M x 64 |
(1) 1M x 64 |
(1) 1M x 64 |
None |
32MB |
(1) 4M x 64 |
None |
None |
None |
32MB |
(1) 2M x 64 |
(1) 2M x 64 |
None |
None |
32MB |
(1) 1M x 64 |
(1) 1M x 64 |
(1) 1M x 64 |
(1) 1M x 64 |
40MB |
(1) 4M x 64 |
(1) 1M x 64 |
None |
None |
48MB |
(1) 4M x 64 |
(1) 2M x 64 |
None |
None |
48MB |
(1) 2M x 64 |
(1) 2M x 64 |
(1) 2M x 64 |
None |
64MB |
(1) 2M x 64 |
(1) 2M x 64 |
(1) 2M x 64 |
(1) 2M x 64 |
64MB |
(1) 8M x 64 |
None |
None |
None |
64MB |
(1) 4M x 64 |
(1) 4M x 64 |
None |
None |
DIMM CONFIGURATION (CON’T) | ||||
Size |
Bank 0 |
Bank 1 |
Bank 2 |
Bank 3 |
72MB |
(1) 8M x 64 |
(1) 1M x 64 |
None |
None |
80MB |
(1) 8M x 64 |
(1) 2M x 64 |
None |
None |
96MB |
(1) 8M x 64 |
(1) 4M x 64 |
None |
None |
96MB |
(1) 4M x 64 |
(1) 4M x 64 |
(1) 4M x 64 |
None |
128MB |
(1) 16M x 64 |
None |
None |
None |
128MB |
(1) 8M x 64 |
(1) 8M x 64 |
None |
None |
128MB |
(1) 4M x 64 |
(1) 4M x 64 |
(1) 4M x 64 |
(1) 4M x 64 |
136MB |
(1) 16M x 64 |
(1) 1M x 64 |
None |
None |
144MB |
(1) 16M x 64 |
(1) 2M x 64 |
None |
None |
152MB |
(1) 16M x 64 |
(1) 1M x 64 |
(1) 1M x 64 |
(1) 1M x 64 |
160MB |
(1) 16M x 64 |
(1) 4M x 64 |
None |
None |
176MB |
(1) 16M x 64 |
(1) 2M x 64 |
(1) 2M x 64 |
(1) 2M x 64 |
192MB |
(1) 16M x 64 |
(1) 8M x 64 |
None |
None |
192MB |
(1) 8M x 64 |
(1) 8M x 64 |
(1) 8M x 64 |
None |
224MB |
(1) 16M x 64 |
(1) 4M x 64 |
(1) 4M x 64 |
(1) 4M x 64 |
256MB |
(1) 32M x 64 |
None |
None |
None |
256MB |
(1) 16M x 64 |
(1) 16M x 64 |
None |
None |
256MB |
(1) 8M x 64 |
(1) 8M x 64 |
(1) 8M x 64 |
(1) 8M x 64 |
272MB |
(1) 16M x 64 |
(1) 16M x 64 |
(1) 1M x 64 |
(1) 1M x 64 |
280MB |
(1) 32M x 64 |
(1) 1M x 64 |
(1) 1M x 64 |
(1) 1M x 64 |
288MB |
(1) 16M x 64 |
(1) 16M x 64 |
(1) 2M x 64 |
(1) 2M x 64 |
304MB |
(1) 32M x 64 |
(1) 2M x 64 |
(1) 2M x 64 |
(1) 2M x 64 |
320MB |
(1) 16M x 64 |
(1) 16M x 64 |
(1) 4M x 64 |
(1) 4M x 64 |
320MB |
(1) 16M x 64 |
(1) 8M x 64 |
(1) 8M x 64 |
(1) 8M x 64 |
352MB |
(1) 32M x 64 |
(1) 4M x 64 |
(1) 4M x 64 |
(1) 4M x 64 |
384MB |
(1) 16M x 64 |
(1) 16M x 64 |
(1) 16M x 64 |
None |
448MB |
(1) 32M x 64 |
(1) 8M x 64 |
(1) 8M x 64 |
(1) 8M x 64 |
512MB |
(1) 32M x 64 |
(1) 32M x 64 |
None |
None |
512MB |
(1) 16M x 64 |
(1) 16M x 64 |
(1) 16M x 64 |
(1) 16M x 64 |
640MB |
(1) 32M x 64 |
(1) 16M x 64 |
(1) 16M x 64 |
(1) 16M x 64 |
768MB |
(1) 32M x 64 |
(1) 32M x 64 |
(1) 32M x 64 |
None |
1024MB |
(1) 32M x 64 |
(1) 32M x 64 |
(1) 32M x 64 |
(1) 32M x 64 |
Note: Board accepts SDRAM memory. |
CACHE CONFIGURATION |
Note: 512KB cache is located on the Pentium II CPU. |
CPU SPEED SELECTION | ||||||
CPU speed |
Clock speed |
Multiplier |
SW1/1 |
SW1/2 |
SW1/3 |
SW1/4 |
233MHz |
66MHz |
3.5x |
Off |
Off |
On |
On |
266MHz |
66MHz |
4x |
On |
On |
Off |
On |
300MHz |
66MHz |
4.5x |
Off |
On |
Off |
On |
300MHz |
100MHz |
3x |
On |
Off |
On |
On |
333MHz |
66MHz |
5x |
On |
Off |
Off |
On |
350MHz |
100MHz |
3.5x |
Off |
Off |
On |
On |
366MHz |
66MHz |
5.5x |
Off |
Off |
Off |
On |
400MHz |
100MHz |
4x |
On |
On |
Off |
On |
450MHz |
100MHz |
4.5x |
Off |
On |
Off |
On |
MAINBOARD BUS SPEED SELECTION | |
Speed |
JP6 |
Reserved |
Pins 2 & 3 closed |
66MHz |
Pins 1 & 2 closed |
100MHz |
Open |