FREETECH CORPORATION
P6F90I
Device Type |
Mainboard |
Processor |
Pentium II/Celeron |
Processor Speed |
233/266/300/333 |
Chip Set |
Intel 440LX |
Maximum Onboard Memory |
384MB (EDO & SDRAM supported) |
Cache |
0/128/256/512KB (located on the CPU) |
BIOS |
Award |
Dimensions |
200mm x 304mm |
I/O Options |
32-bit PCI slots (4), floppy drive interface, IDE interfaces (2), parallel port, PS/2 mouse port, serial ports (2), IR connector, USB connectors (2), ATX power connector, AGP slot |
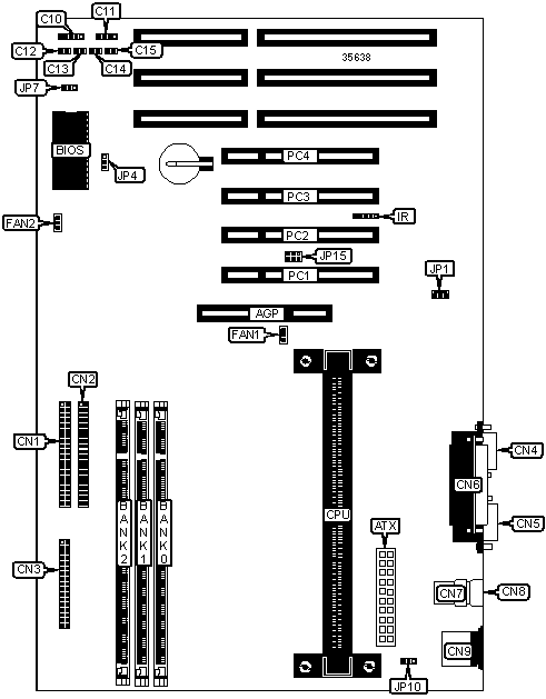
CONNECTIONS | |||
Purpose |
Location |
Purpose |
Location |
AGP slot |
AGP |
Parallel port |
CN6 |
ATX power connector |
ATX |
USB connector 1 |
CN7 |
Speaker |
C11 |
USB connector 2 |
CN8 |
Power switch |
C12 |
PS/2 mouse port |
CN9 |
Reset switch |
C13 |
Power LED & keylock |
C10 |
Green PC LED |
C14 |
CPU fan power |
FAN1 |
IDE interface LED |
C15 |
Chassis fan power |
FAN2 |
IDE interface 2 |
CN1 |
IR connector |
IR |
IDE interface 1 |
CN2 |
WAKE on LAN connector |
JP1 |
Floppy drive interface |
CN3 |
SB link connector |
JP15 |
Serial port 2 |
CN4 |
32-bit PCI slots |
PC1 - PC4 |
Serial port 1 |
CN5 |
USER CONFIGURABLE SETTINGS | |||
Function |
Label |
Position | |
» |
CMOS memory normal operation |
JP4 |
Pins 1 & 2 closed |
CMOS memory clear |
JP4 |
Pins 2 & 3 closed | |
» |
Auto power on disabled |
JP7 |
Pins 2 & 3 closed |
Auto power on enabled |
JP7 |
Pins 1 & 2 closed | |
» |
Keyboard and mouse use 5v standby power |
JP10 |
Pins 2 & 3 closed |
Keyboard and mouse use 5v power enabled |
JP10 |
Pins 1 & 2 closed |
DIMM CONFIGURATION | |||
Size |
Bank 0 |
Bank 1 |
Bank 2 |
8MB |
(1) 1M x 64 |
None |
None |
16MB |
(1) 1M x 64 |
(1) 1M x 64 |
None |
16MB |
(1) 2M x 64 |
None |
None |
24MB |
(1) 1M x 64 |
(1) 1M x 64 |
(1) 1M x 64 |
24MB |
(1) 2M x 64 |
(1) 1M x 64 |
None |
32MB |
(1) 2M x 64 |
(1) 2M x 64 |
None |
32MB |
(1) 4M x 64 |
None |
None |
40MB |
(1) 2M x 64 |
(1) 2M x 64 |
(1) 1M x 64 |
48MB |
(1) 2M x 64 |
(1) 2M x 64 |
(1) 2M x 64 |
48MB |
(1) 4M x 64 |
(1) 2M x 64 |
None |
64MB |
(1) 4M x 64 |
(1) 4M x 64 |
None |
64MB |
(1) 8M x 64 |
None |
None |
80MB |
(1) 4M x 64 |
(1) 4M x 64 |
(1) 2M x 64 |
96MB |
(1) 4M x 64 |
(1) 4M x 64 |
(1) 4M x 64 |
96MB |
(1) 8M x 64 |
(1) 4M x 64 |
None |
128MB |
(1) 8M x 64 |
(1) 8M x 64 |
None |
128MB |
16M x 64 |
None |
None |
160MB |
(1) 8M x 64 |
(1) 8M x 64 |
(1) 4M x 64 |
192MB |
(1) 8M x 64 |
(1) 8M x 64 |
(1) 8M x 64 |
192MB |
(1) 16M x 64 |
(1) 8M x 64 |
None |
256MB |
(1) 16M x 64 |
(1) 16M x 64 |
None |
320MB |
(1) 16M x 64 |
(1) 16M x 64 |
(1) 8M x 64 |
384MB |
(1) 16M x 64 |
(1) 16M x 64 |
(1) 16M x 64 |
CACHE CONFIGURATION |
The 128KB cache is location on the Cleleron 300A & 333. The 256/512KB cache is located on the Pentium II CPU. |