EURONE
MS-7060S
Device Type |
Mainboard |
Processor |
Pentium II/Celeron |
Processor Speed |
233/266/300/333/350/400/450 |
Chip Set |
Intel 440BX |
Audio Chip Set |
Yamaha |
Maximum Onboard Memory |
384MB (EDO & SDRAM supported) |
Cache |
0/128/256/512KB (located on the CPU) |
BIOS |
Award |
Dimensions |
305mm x 190mm |
I/O Options |
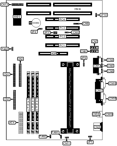
32-bit PCI slots (4), floppy drive interface, game/MIDI port, IDE interfaces (2), parallel port, PS/2 mouse port, serial ports (2), IR connector, USB connectors (2), ATX power connector, AGP slot, line in, line out, microphone in, audio in – CD-ROMs (2), SB link connector |
CONNECTIONS | |||
Purpose |
Location |
Purpose |
Location |
AGP slot |
AGP |
Reset switch |
CN13/pins 9 & 10 |
ATX power connector |
ATX |
IDE interface LED |
CN13/pins 11 & 12 |
IDE interface 1 |
CN1 |
Power LED & keylock |
CN13/pins 13 - 17 |
IDE interface 2 |
CN2 |
Speaker |
CN13/pins 19 - 22 |
Floppy drive interface |
CN3 |
Soft off power supply |
CN13/pins 23 & 24 |
Line in |
CN4 |
Serial port 2 |
CN15 |
Line out |
CN5 |
Serial port 1 |
CN16 |
Audio in – CD-ROM (Sony) |
CN6 |
Parallel port |
CN17 |
Audio in – CD-ROM |
CN7 |
USB connector 1 |
CN18 |
Microphone in |
CN8 |
USB connector 2 |
CN19 |
IR connector |
CN9 |
PS/2 mouse port |
CN20 |
Wake on LAN connector |
CN10 |
CPU fan power |
FAN1 |
Chassis intrusion connector |
CN11 |
CPU fan power |
FAN2 |
Game/MIDI port |
CN12 |
Chassis fan power |
FAN3 |
Turbo switch |
CN13/pins 1 & 2 |
SB link connector` |
JP3 |
Green PC connector |
CN13/pins 4 & 5 |
32-bit PCI slots |
PC1 - PC4 |
Green PC LED |
CN13/pins 6 & 7 |
USER CONFIGURABLE SETTINGS | |||
Function |
Label |
Position | |
» |
Power on by keyboard disabled |
JP1 |
Pins 1 & 2 closed |
Power on by keyboard enabled |
JP1 |
Pins 2 & 3 closed | |
» |
CMOS memory normal operation |
JP4 |
Pins 1 & 2 closed |
CMOS memory clear |
JP4 |
Pins 2 & 3 closed | |
» |
Onboard audio enabled |
JP10 |
Pins 1 & 2 closed |
Onboard audio disabled |
JP10 |
Pins 2 & 3 closed |
DIMM CONFIGURATION | |||
Size |
Bank 0 |
Bank 1 |
Bank 2 |
8MB |
(1) 1M x 64 |
None |
None |
16MB |
(1) 1M x 64 |
(1) 1M x 64 |
None |
16MB |
(1) 2M x 64 |
None |
None |
24MB |
(1) 1M x 64 |
(1) 1M x 64 |
(1) 1M x 64 |
24MB |
(1) 2M x 64 |
(1) 1M x 64 |
None |
32MB |
(1) 2M x 64 |
(1) 2M x 64 |
None |
32MB |
(1) 4M x 64 |
None |
None |
40MB |
(1) 2M x 64 |
(1) 2M x 64 |
(1) 1M x 64 |
48MB |
(1) 2M x 64 |
(1) 2M x 64 |
(1) 2M x 64 |
48MB |
(1) 4M x 64 |
(1) 2M x 64 |
None |
64MB |
(1) 4M x 64 |
(1) 4M x 64 |
None |
64MB |
(1) 8M x 64 |
None |
None |
80MB |
(1) 4M x 64 |
(1) 4M x 64 |
(1) 2M x 64 |
96MB |
(1) 4M x 64 |
(1) 4M x 64 |
(1) 4M x 64 |
96MB |
(1) 8M x 64 |
(1) 4M x 64 |
None |
128MB |
(1) 8M x 64 |
(1) 8M x 64 |
None |
128MB |
(1) 16M x 64 |
None |
None |
160MB |
(1) 8M x 64 |
(1) 8M x 64 |
(1) 4M x 64 |
192MB |
(1) 8M x 64 |
(1) 8M x 64 |
(1) 8M x 64 |
192MB |
(1) 16M x 64 |
(1) 8M x 64 |
None |
256MB |
(1) 16M x 64 |
(1) 16M x 64 |
None |
320MB |
(1) 16M x 64 |
(1) 16M x 64 |
(1) 8M x 64 |
384MB |
(1) 16M x 64 |
(1) 16M x 64 |
(1) 16M x 64 |
CACHE CONFIGURATION |
Note: The 256/512KB cache is located on the Pentium II CPU. The 128KB cache is located on the Celeron 300A & 333 CPU. |
CPU FREQUENCY SELECTION | ||
Frequency |
JP9 | |
» |
Auto |
Pins 2 & 3 closed |
100MHz |
Pins 1 & 2 closed |