FREE COMPUTER TECHNOLOGY, INC.
P6F94
Device Type |
Mainboard |
Processor |
Pentium II/Celeron |
Processor Speed |
233/266/300/333MHz |
Chip Set |
Intel 440LX |
Video Chip Set |
None |
Maximum Onboard Memory |
256MB (SDRAM supported) |
Maximum Video Memory |
None |
Cache |
512KB (located on Pentium II CPU) |
BIOS |
Award |
Dimensions |
245mm x 190mm |
I/O Options |
32-bit PCI slots (3), floppy drive interface, game/MIDI port, IDE interfaces (2), parallel port, PS/2 mouse port, IR connector, USB connectors (2), ATX power connector, AGP slot, line in, line out, microphone in, SB-link connector, wake on LAN connector |
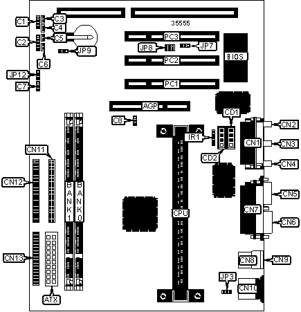
CONNECTIONS | |||
Purpose |
Location |
Purpose |
Location |
AGP slot |
AGP |
Line out |
CN4 |
ATX power connector |
ATX |
Serial port 1 |
CN5 |
Speaker |
C1 |
Serial port 2 |
CN6 |
Power LED & keylock |
C2 |
Parallel port |
CN7 |
IDE interface LED |
C3 |
USB connector 1 |
CN8 |
Standby LED |
C4 |
USB connector 2 |
CN9 |
Reset switch |
C5 |
PS/2 mouse port |
CN10 |
Soft off power supply |
C6 |
IDE interface 2 |
CN11 |
Chassis fan power |
C7 |
IDE interface 1 |
CN12 |
CPU fan power |
C8 |
Floppy drive interface |
CN13 |
Audio in – CD-ROM |
CD1 |
IR connector |
IR1 |
Audio in – CD-ROM |
CD2 |
Wake on LAN connector |
JP7 |
Game/MIDI port |
CN1 |
SB-link connector |
JP8 |
Microphone in |
CN2 |
32-bit PCI slots |
PC1 – PC3 |
Line in |
CN3 |
USER CONFIGURABLE SETTINGS | |||
Function |
Label |
Position | |
Keyboard/mouse voltage select +5v |
JP3 |
Pins 1 & 2 closed | |
Keyboard/mouse voltage select +5vsb |
JP3 |
Pins 2 & 3 closed | |
» |
CMOS memory normal operation |
JP9 |
Pins 1 & 2 closed |
CMOS memory clear |
JP9 |
Pins 2 & 3 closed | |
» |
Auto power on disabled |
JP12 |
Pins 2 & 3 closed |
Auto power on enabled |
JP12 |
Pins 1 & 2 closed |
DIMM CONFIGURATION | ||
Size |
Bank 0 |
Bank 1 |
8MB |
(1) 1M x 64 |
None |
16MB |
(1) 2M x 64 |
None |
16MB |
(1) 1M x 64 |
(1) 1M x 64 |
24MB |
(1) 2M x 64 |
(1) 1M x 64 |
32MB |
(1) 4M x 64 |
None |
32MB |
(1) 2M x 64 |
(1) 2M x 64 |
40MB |
(1) 4M x 64 |
(1) 1M x 64 |
48MB |
(1) 4M x 64 |
(1) 2M x 64 |
64MB |
(1) 8M x 64 |
None |
64MB |
(1) 4M x 64 |
(1) 4M x 64 |
DIMM CONFIGURATION (CON’T) | ||
Size |
Bank 0 |
Bank 1 |
72MB |
(1) 8M x 64 |
(1) 1M x 64 |
80MB |
(1) 8M x 64 |
(1) 2M x 64 |
96MB |
(1) 8M x 64 |
(1) 4M x 64 |
128MB |
(1) 16M x 64 |
None |
128MB |
(1) 8M x 64 |
(1) 8M x 64 |
136MB |
(1) 16M x 64 |
(1) 1M x 64 |
144MB |
(1) 16M x 64 |
(1) 2M x 64 |
160MB |
(1) 16M x 64 |
(1) 4M x 64 |
192MB |
(1) 16M x 64 |
(1) 8M x 64 |
256MB |
(1) 16M x 64 |
(1) 16M x 64 |
Note: Board accepts SDRAM memory. |
CACHE CONFIGURATION |
Note: 512KB cache is located on the Pentium II CPU. |