ELITEGROUP COMPUTER SYSTEMS, INC.
P6EX-ME
Device Type |
Mainboard |
Processor |
Pentium II |
Processor Speed |
233/266/300/333MHz |
Chip Set |
Intel |
Video Chip Set |
None |
Maximum Onboard Memory |
256MB (EDO & SDRAM supported) |
Maximum Video Memory |
None |
Cache |
256/512KB (located on Pentium II CPU) |
BIOS |
Award |
Dimensions |
244mm x 244mm |
I/O Options |
32-bit PCI slots (2), floppy drive interface, game/MIDI port, green PC connector, IDE interfaces (2), parallel port, PS/2 mouse port, serial ports (2), IR connector, USB connectors (2), ATX power connector, AGP slot, line in, line out, microphone in, audio in CD-ROMs (2) |
NPU Options |
None |
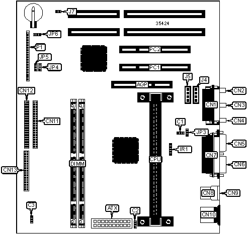
CONNECTIONS | |||
Purpose |
Location |
Purpose |
Location |
AGP slot |
AGP |
Floppy drive interface |
CN13 |
ATX power connector |
ATX |
IR connector |
IR1 |
Power fan |
C1 |
Audio in CD-ROM |
J4 |
CPU fan power |
C2 |
Audio in CD-ROM |
J5 |
Chassis fan power |
C3 |
Case open/close connector |
J7 |
Game/MIDI port |
CN1 |
Wake on LAN connector |
JP4 |
Line out |
CN2 |
Wake on modem connector |
JP5 |
Line in |
CN3 |
Power LED |
P1/pins 1 - 3 |
Microphone in |
CN4 |
Green PC connector |
P1/pins 4 & 5 |
Serial port 2 |
CN5 |
Green PC LED |
P1/pins 6 - 8 |
Serial port 1 |
CN6 |
Reset switch |
P1/pins 9 & 10 |
Parallel port |
CN7 |
Keylock |
P1/pins 11 & 12 |
USB connector 1 |
CN8 |
Speaker |
P1/pins 13 - 16 |
USB connector 2 |
CN9 |
IDE interface LED |
P1/pins 17 & 18 |
PS/2 mouse port |
CN10 |
Soft off power supply |
P1/pins 19 & 20 |
IDE interface 2 |
CN11 |
32-bit PCI slots |
PC1 PC2 |
IDE interface 1 |
CN12 |
USER CONFIGURABLE SETTINGS | |||
Function |
Label |
Position | |
On board audio enabled |
JP3 |
Pins 1 & 2 closed | |
On board audio disabled |
JP3 |
Pins 2 & 3 closed | |
» |
CMOS memory normal operation |
JP6 |
Pins 2 & 3 closed |
CMOS memory clear |
JP6 |
Pins 1 & 2 closed |
DIMM CONFIGURATION | ||
Size |
Bank 0 |
Bank 1 |
8MB |
(1) 1M x 64 |
None |
16MB |
(1) 2M x 64 |
None |
16MB |
(1) 1M x 64 |
(1) 1M x 64 |
24MB |
(1) 2M x 64 |
(1) 1M x 64 |
32MB |
(1) 4M x 64 |
None |
32MB |
(1) 2M x 64 |
(1) 2M x 64 |
40MB |
(1) 4M x 64 |
(1) 1M x 64 |
48MB |
(1) 4M x 64 |
(1) 2M x 64 |
64MB |
(1) 8M x 64 |
None |
DIMM CONFIGURATION (CONT) | ||
Size |
Bank 0 |
Bank 1 |
64MB |
(1) 4M x 64 |
(1) 4M x 64 |
72MB |
(1) 8M x 64 |
(1) 1M x 64 |
80MB |
(1) 8M x 64 |
(1) 2M x 64 |
96MB |
(1) 8M x 64 |
(1) 4M x 64 |
128MB |
(1) 16M x 64 |
None |
128MB |
(1) 8M x 64 |
(1) 8M x 64 |
136MB |
(1) 16M x 64 |
(1) 1M x 64 |
144MB |
(1) 16M x 64 |
(1) 2M x 64 |
160MB |
(1) 16M x 64 |
(1) 4M x 64 |
192MB |
(1) 16M x 64 |
(1) 8M x 64 |
256MB |
(1) 16M x 64 |
(1) 16M x 64 |
Note: Board accepts EDO & SDRAM memory. |
CACHE CONFIGURATION |
Note: 256KB/512KB cache is located on the Pentium II CPU. |