EURONE

EM-7020

Device Type

Mainboard

Processor

Pentium II

Processor Speed

233/266/300/333/366/400/433/466/500/533MHz

Chip Set

Intel

Video Chip Set

None

Maximum Onboard Memory

512MB (EDO & SDRAM supported)

Maximum Video Memory

None

Cache

256/512KB (located on Pentium II CPU)

BIOS

AMI

Dimensions

355mm x 304mm

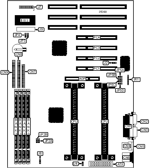
I/O Options

32-bit PCI slots (4), floppy drive interface, IDE interfaces (2), parallel port, PS/2 mouse port, serial ports (2), IR connector, USB connectors (2), ATX power connector, AGP slot

NPU Options

None

CONNECTIONS

Purpose

Location

Purpose

Location

AGP slot

AGP

Wake on LAN connector

J2

ATX power connector

ATX

CPU fan power 1

J4

Parallel port

CN1

CPU fan power 2

J6

Serial port 2

CN2

Speaker

J7/pins 1/3/5/7

Serial port 1

CN3

Power LED & keylock

J7/pins 2/4/6/8/10

USB connector 1

CN4

Turbo LED

J7/pins 13 & 14

USB connector 2

CN5

IDE interface LED

J7/pins 15 & 16

PS/2 mouse port

CN6

Reset switch

J7/pins 17 & 18

Floppy drive interface

CN7

Soft off power supply

J7/pins 19 & 20

IDE interface 2

CN8

APIC slot

J9

IDE interface 1

CN9

32-bit PCI slots

PC1 – PC4

IR connector

IR1

   

USER CONFIGURABLE SETTINGS

Function

Label

Position

»

CMOS memory normal operation

JP3

Pins 1 & 2 closed

 

CMOS memory clear

JP3

Pins 2 & 3 closed

 

CPU SMI source select PIIX4

JP4

Pins 1 & 2 closed

 

CPU SMI source select I/O APIC

JP4

Pins 2 & 3 closed

DIMM CONFIGURATION

Size

Bank 0

Bank 1

Bank 2

Bank 3

8MB

(1) 1M x 64

None

None

None

16MB

(1) 2M x 64

None

None

None

16MB

(1) 1M x 64

(1) 1M x 64

None

None

24MB

(1) 2M x 64

(1) 1M x 64

None

None

24MB

(1) 1M x 64

(1) 1M x 64

(1) 1M x 64

None

32MB

(1) 4M x 64

None

None

None

32MB

(1) 2M x 64

(1) 2M x 64

None

None

32MB

(1) 1M x 64

(1) 1M x 64

(1) 1M x 64

(1) 1M x 64

40MB

(1) 4M x 64

(1) 1M x 64

None

None

48MB

(1) 4M x 64

(1) 2M x 64

None

None

48MB

(1) 2M x 64

(1) 2M x 64

(1) 2M x 64

None

64MB

(1) 2M x 64

(1) 2M x 64

(1) 2M x 64

(1) 2M x 64

64MB

(1) 8M x 64

None

None

None

64MB

(1) 4M x 64

(1) 4M x 64

None

None

DIMM CONFIGURATION (CON’T)

Size

Bank 0

Bank 1

Bank 2

Bank 3

72MB

(1) 8M x 64

(1) 1M x 64

None

None

80MB

(1) 8M x 64

(1) 2M x 64

None

None

96MB

(1) 8M x 64

(1) 4M x 64

None

None

96MB

(1) 4M x 64

(1) 4M x 64

(1) 4M x 64

None

128MB

(1) 16M x 64

None

None

None

128MB

(1) 8M x 64

(1) 8M x 64

None

None

128MB

(1) 4M x 64

(1) 4M x 64

(1) 4M x 64

(1) 4M x 64

136MB

(1) 16M x 64

(1) 1M x 64

None

None

144MB

(1) 16M x 64

(1) 2M x 64

None

None

152MB

(1) 16M x 64

(1) 1M x 64

(1) 1M x 64

(1) 1M x 64

160MB

(1) 16M x 64

(1) 4M x 64

None

None

176MB

(1) 16M x 64

(1) 2M x 64

(1) 2M x 64

(1) 2M x 64

192MB

(1) 16M x 64

(1) 8M x 64

None

None

192MB

(1) 8M x 64

(1) 8M x 64

(1) 8M x 64

None

224MB

(1) 16M x 64

(1) 4M x 64

(1) 4M x 64

(1) 4M x 64

256MB

(1) 16M x 64

(1) 16M x 64

None

None

256MB

(1) 8M x 64

(1) 8M x 64

(1) 8M x 64

(1) 8M x 64

272MB

(1) 16M x 64

(1) 16M x 64

(1) 1M x 64

(1) 1M x 64

288MB

(1) 16M x 64

(1) 16M x 64

(1) 2M x 64

(1) 2M x 64

320MB

(1) 16M x 64

(1) 16M x 64

(1) 4M x 64

(1) 4M x 64

320MB

(1) 16M x 64

(1) 8M x 64

(1) 8M x 64

(1) 8M x 64

384MB

(1) 16M x 64

(1) 16M x 64

(1) 16M x 64

None

512MB

(1) 16M x 64

(1) 16M x 64

(1) 16M x 64

(1) 16M x 64

Note: Board accepts EDO & SDRAM memory.

DIMM VOLTAGE CONFIGURATION

Voltage

JP2A

JP2B

»

3.3v

Pins 1 & 2 closed

Pins 1 & 2 closed

 

5v

Pins 2 & 3 closed

Pins 2 & 3 closed

CACHE CONFIGURATION

Note: 256KB/512KB cache is located on the Pentium II CPU.

CPU SPEED SELECTION

CPU speed

Clock speed

Multiplier

JP5A

JP5B

JP5C

JP5D

233MHz

66MHz

3.5x

1 & 2

1 & 2

2 & 3

2 & 3

266MHz

66MHz

4x

2 & 3

2 & 3

1 & 2

2 & 3

300MHz

66MHz

4.5x

1 & 2

2 & 3

1 & 2

2 & 3

333MHz

66MHz

5x

2 & 3

1 & 2

1 & 2

2 & 3

366MHz

66MHz

5.5x

1 & 2

1 & 2

1 & 2

2 & 3

400MHz

66MHz

6x

2 & 3

2 & 3

2 & 3

1 & 2

433MHz

66MHz

6.5x

1 & 2

2 & 3

2 & 3

1 & 2

466MHz

66MHz

7x

2 & 3

1 & 2

2 & 3

1 & 2

500MHz

66MHz

7.5x

1 & 2

1 & 2

2 & 3

1 & 2

533MHz

66MHz

8x

2 & 3

2 & 3

1 & 2

1 & 2

Note: Pins designated should be in the closed position.