GEMLIGHT COMPUTER, LTD.
GMB-P6IAK (VER. 1.02)
Device Type |
Mainboard |
Processor |
Pentium II |
Processor Speed |
233/266/300MHz |
Chip Set |
Intel 440FX |
Maximum Onboard Memory |
512MB (EDO supported) |
Cache |
256/512KB (located on the Pentium II CPU) |
BIOS |
AMI |
Dimensions |
305mm x 244mm |
I/O Options |
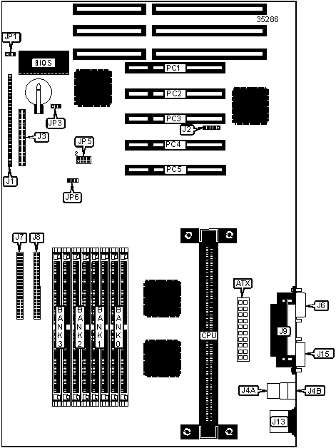
32-bit PCI slots (5), floppy drive interface, green PC connector, IDE interface (2), parallel port, PS/2 mouse port, serial ports (2), IR connector, USB connector (2), ATX power connector |
CONNECTIONS | |||
Purpose |
Location |
Purpose |
Location |
ATX power supply |
ATX |
USB connector 1 |
J4A |
Speaker |
J1/pins 1 - 4 |
USB connector 2 |
J4B |
Reset switch |
J1/pins 6 & 7 |
Serial port 2 |
J6 |
Keylock |
J1/pins 9 - 13 |
IDE interface 1 |
J7 |
IDE interface LED |
J1/pins 15 - 18 |
IDE interface 2 |
J8 |
Green PC connector |
J1/pins 20 & 21 |
Parallel port |
J9 |
ATX power switch |
J1/pins 22 & 23 |
PS/2 mouse port |
J13 |
Turbo LED |
J1/pins 25 & 26 |
Serial port 1 |
J15 |
IR connector |
J2 |
32-bit PCI slots |
PC1 - PC5 |
Floppy drive interface |
J3 |
USER CONFIGURABLE SETTINGS | |||
Function |
Label |
Position | |
Flash BIOS voltage select 12v |
JP1 |
Pins 1 & 2 closed | |
Flash BIOS voltage select 5v |
JP1 |
Pins 2 & 3 closed | |
» |
CMOS memory normal operation |
JP3 |
Pins 2 & 3 closed |
CMOS memory clear |
JP3 |
Pins 1 & 2 closed |
DRAM CONFIGURATION | ||||
Size |
Bank 0 |
Bank 1 |
Bank 2 |
Bank 3 |
8MB |
(2) 1M x 36 |
None |
None |
None |
16MB |
(2) 2M x 36 |
None |
None |
None |
16MB |
(2) 1M x 36 |
(2) 1M x 36 |
None |
None |
24MB |
(2) 2M x 36 |
(2) 1M x 36 |
None |
None |
24MB |
(2) 1M x 36 |
(2) 1M x 36 |
(2) 1M x 36 |
None |
32MB |
(2) 4M x 36 |
None |
None |
None |
32MB |
(2) 2M x 36 |
(2) 2M x 36 |
None |
None |
32MB |
(2) 1M x 36 |
(2) 1M x 36 |
(2) 1M x 36 |
(2) 1M x 36 |
40MB |
(2) 4M x 36 |
(2) 1M x 36 |
None |
None |
48MB |
(2) 4M x 36 |
(2) 2M x 36 |
None |
None |
48MB |
(2) 2M x 36 |
(2) 2M x 36 |
(2) 2M x 36 |
None |
64MB |
(2) 2M x 36 |
(2) 2M x 36 |
(2) 2M x 36 |
(2) 2M x 36 |
64MB |
(2) 8M x 36 |
None |
None |
None |
64MB |
(2) 4M x 36 |
(2) 4M x 36 |
None |
None |
DRAM CONFIGURATION (CON’T) | ||||
Size |
Bank 0 |
Bank 1 |
Bank 2 |
Bank 3 |
72MB |
(2) 8M x 36 |
(2) 1M x 36 |
None |
None |
80MB |
(2) 8M x 36 |
(2) 2M x 36 |
None |
None |
96MB |
(2) 8M x 36 |
(2) 4M x 36 |
None |
None |
96MB |
(2) 4M x 36 |
(2) 4M x 36 |
(2) 4M x 36 |
None |
128MB |
(2) 16M x 36 |
None |
None |
None |
128MB |
(2) 8M x 36 |
(2) 8M x 36 |
None |
None |
128MB |
(2) 4M x 36 |
(2) 4M x 36 |
(2) 4M x 36 |
(2) 4M x 36 |
136MB |
(2) 16M x 36 |
(2) 1M x 36 |
None |
None |
144MB |
(2) 16M x 36 |
(2) 2M x 36 |
None |
None |
152MB |
(2) 16M x 36 |
(2) 1M x 36 |
(2) 1M x 36 |
(2) 1M x 36 |
160MB |
(2) 16M x 36 |
(2) 4M x 36 |
None |
None |
176MB |
(2) 16M x 36 |
(2) 2M x 36 |
(2) 2M x 36 |
(2) 2M x 36 |
192MB |
(2) 16M x 36 |
(2) 8M x 36 |
None |
None |
192MB |
(2) 8M x 36 |
(2) 8M x 36 |
(2) 8M x 36 |
None |
224MB |
(2) 16M x 36 |
(2) 4M x 36 |
(2) 4M x 36 |
(2) 4M x 36 |
256MB |
(2) 32M x 36 |
None |
None |
None |
256MB |
(2) 16M x 36 |
(2) 16M x 36 |
None |
None |
256MB |
(2) 8M x 36 |
(2) 8M x 36 |
(2) 8M x 36 |
(2) 8M x 36 |
272MB |
(2) 16M x 36 |
(2) 16M x 36 |
(2) 1M x 36 |
(2) 1M x 36 |
280MB |
(2) 32M x 36 |
(2) 1M x 36 |
(2) 1M x 36 |
(2) 1M x 36 |
288MB |
(2) 16M x 36 |
(2) 16M x 36 |
(2) 2M x 36 |
(2) 2M x 36 |
304MB |
(2) 32M x 36 |
(2) 2M x 36 |
(2) 2M x 36 |
(2) 2M x 36 |
320MB |
(2) 16M x 36 |
(2) 16M x 36 |
(2) 4M x 36 |
(2) 4M x 36 |
320MB |
(2) 16M x 36 |
(2) 8M x 36 |
(2) 8M x 36 |
(2) 8M x 36 |
352MB |
(2) 32M x 36 |
(2) 4M x 36 |
(2) 4M x 36 |
(2) 4M x 36 |
384MB |
(2) 16M x 36 |
(2) 16M x 36 |
(2) 16M x 36 |
None |
448MB |
(2) 32M x 36 |
(2) 8M x 36 |
(2) 8M x 36 |
(2) 8M x 36 |
512MB |
(2) 16M x 36 |
(2) 16M x 36 |
(2) 16M x 36 |
(2) 16M x 36 |
CPU SPEED SELECTION (PENTIUM) | ||||
Speed |
Clock speed |
Multiplier |
JP5 |
JP6 |
233MHz |
66MHz |
3.5x |
1 & 2, 3 & 4 |
1 & 2 |
266MHz |
66MHz |
4x |
1 & 2, 5 & 6, 7 & 8 |
1 & 2 |
300MHz |
66MHz |
4.5x |
1 & 2, 5 & 6 |
1 & 2 |
Note: Numbers designate pins that should be closed. |