FLASH TECH, INC.
SL-67A-C
Device Type |
Mainboard |
Processor |
Pentium II/Deschutes |
Processor Speed |
233/266/300/333/350/400/450/500MHz |
Chip Set |
Intel 440BX |
Maximum Onboard Memory |
768MB (EDO & SDRAM supported) |
Cache |
256/512KB |
BIOS |
Award |
I/O Options |
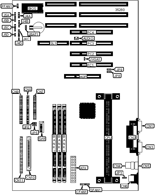
32-bit PCI slots (4), floppy drive interface, IDE interfaces (2), parallel port, PS/2 mouse port, serial ports (2), green PC connector, USB port (2), AGP slot, RAID slot, IR connector, ATX power connector, SCSI connector, Wide Ultra SCSI connector |
Dimensions |
305mm x 220mm |
CONNECTIONS | |||
Purpose |
Location |
Purpose |
Location |
AGP slot |
AGP |
CPU fan |
CFAN1 |
ATX power connector |
ATX |
Chassis fan |
PFAN1 |
SoundBlast PCI socket |
AUDIO |
Power fan |
SFAN1 |
Serial port 2 |
CN1 |
IDE interface LED |
J4A |
Parallel port |
CN2 |
IR connector |
J4B |
Serial port 1 |
CN3 |
Power switch |
J4C |
USB connector 2 |
CN4 |
Green PC switch |
J4D |
USB connector 1 |
CN5 |
Speaker |
J5A |
PS/2 mouse port |
CN6 |
Reset switch |
J5B |
Floppy drive interface |
CN7 |
Power LED & keylock |
J5C |
IDE interface 2 |
CN8 |
Green PC LED |
J5D |
IDE interface 1 |
CN9 |
32-bit PCI slots |
PC1 - PC4 |
SCSI connector |
CN10 |
RAID slot |
SL1 |
Wide Ultra SCSI connector |
CN11 |
USER CONFIGURABLE SETTINGS | |||
Function |
Label |
Position | |
» |
CMOS normal operation |
JBAT1 |
Pins 1 & 2 closed |
CMOS clear |
JBAT1 |
Pins 2 & 3 closed | |
» |
Keyboard power on enabled |
JP3 |
Pins 2 & 3 closed |
Keyboard power on disabled |
JP3 |
Pins 1 & 2 closed | |
» |
Normal VGA card |
JVGA1 |
Closed |
Special VGA card |
JVGA1 |
Open |
DIP SWITCH/JUMPERLESS SELECTION | |||
CPU Clock Setting |
JP5 |
JP6 | |
» |
DIP SW1 enabled |
Pins 2 & 3 closed |
Pins 2 & 3 closed |
BIOS setting enabled |
Pins 1 & 2 closed |
Pins 1 & 2 closed |
USB PORT SELECTION | |||
USB Port |
JP8 |
JP9 | |
» |
Redirect all USB ports to USB connector |
Pins 1 & 2 closed |
Pins 1 & 2 closed |
Redirect USB1 to AGP port |
Pins 2 & 3 closed |
Pins 2 & 3 closed |
DRAM CONFIGURATION | |||
Size |
Bank 0 |
Bank 1 |
Bank 2 |
8MB |
(2) 1MB x 36 |
None |
None |
16MB |
(2) 1MB x 36 |
(1) 1MB x 64 |
None |
16MB |
(2) 2MB x 36 |
None |
None |
24MB |
(2) 1MB x 36 |
(1) 1MB x 64 |
(1) 1MB x 64 |
24MB |
(2) 2MB x 36 |
(1) 1MB x 64 |
None |
32MB |
(2) 2MB x 36 |
(1) 2MB x 64 |
None |
32MB |
(2) 4MB x 64 |
None |
None |
40MB |
(2) 2MB x 36 |
(1) 2MB x 64 |
(1) 1MB x 64 |
40MB |
(2) 4MB x 36 |
(1) 1MB x 64 |
None |
48MB |
(2) 2MB x 36 |
(1) 2MB x 64 |
(1) 2MB x 64 |
48MB |
(2) 4MB x 36 |
(1) 2MB x 64 |
None |
64MB |
(2) 4MB x 36 |
(1) 4MB x 64 |
None |
64MB |
(2) 8MB x 36 |
None |
None |
72MB |
(2) 4MB x 36 |
(1) 4MB x 64 |
(1) 1MB x 64 |
72MB |
(2) 8MB x 36 |
(1) 1MB x 64 |
None |
80MB |
(2) 4MB x 36 |
(1) 4MB x 64 |
(1) 2MB x 64 |
80MB |
(2) 8MB x 36 |
(1) 2MB x 64 |
None |
96MB |
(2) 4MB x 36 |
(1) 4MB x 64 |
(1) 4MB x 64 |
96MB |
(2) 8MB x 36 |
(1) 4MB x 64 |
None |
128MB |
(2) 8MB x 36 |
(1) 8MB x 64 |
None |
128MB |
(2) 16MB x 36 |
None |
None |
136MB |
(2) 8MB x 36 |
(1) 8MB x 64 |
(1) 1MB x 64 |
136MB |
(2) 16MB x 36 |
(1) 1MB x 64 |
None |
144MB |
(2) 8MB x 36 |
(1) 8MB x 64 |
(1) 2MB x 64 |
144MB |
(2) 16MB x 36 |
(1) 2MB x 64 |
None |
160MB |
(2) 8MB x 36 |
(1) 8MB x 64 |
(1) 4MB x 64 |
160MB |
(2) 16MB x 36 |
(1) 4MB x 64 |
None |
196MB |
(2) 8MB x 36 |
(1) 8MB x 64 |
(1) 8MB x 64 |
196MB |
(2) 16MB x 36 |
(1) 8MB x 64 |
None |
256MB |
(2) 16MB x 36 |
(1) 16MB x 64 |
None |
256MB |
(2) 32MB x 36 |
None |
None |
264MB |
(2) 32MB x 36 |
(1) 1MB x 64 |
None |
272MB |
(2) 32MB x 36 |
(1) 2MB x 64 |
None |
288MB |
(2) 32MB x 36 |
(1) 4MB x 64 |
None |
320MB |
(2) 32MB x 36 |
(1) 8MB x 64 |
None |
384MB |
(2) 32MB x 36 |
(1) 16MB x 64 |
None |
512MB |
(2) 32MB x 36 |
(1) 32MB x 64 |
None |
520MB |
(2) 32MB x 36 |
(1) 32MB x 64 |
(1) 1MB x 64 |
528MB |
(2) 32MB x 36 |
(1) 32MB x 64 |
(1) 2MB x 64 |
544MB |
(2) 32MB x 36 |
(1) 32MB x 64 |
(1) 4MB x 64 |
576MB |
(2) 32MB x 36 |
(1) 32MB x 64 |
(1) 8MB x 64 |
640MB |
(2) 32MB x 36 |
(1) 32MB x 64 |
(1) 16MB x 64 |
768MB |
(2) 32MB x 36 |
(1) 32MB x 64 |
(1) 32MB x 64 |
CACHE CONFIGURATION |
Note: 256/512KB cache is located on the Pentium II/Deschutes CPU. |
CPU SPEED SELECTION (PENTIUM II) | ||||||||
CPU Speed |
Clock speed |
Multiplier |
SW1/1 |
SW1/2 |
SW1/3 |
SW1/4 |
SW1/5 |
SW1/6 |
233MHz |
66MHz |
3.5x |
On |
Off |
Off |
On |
On |
Off |
266MHz |
66MHz |
4x |
Off |
On |
On |
On |
On |
Off |
300MHz |
66MHz |
4.5x |
Off |
On |
Off |
On |
On |
Off |
333MHz |
66MHz |
5x |
Off |
Off |
On |
On |
On |
Off |
Note: SW1/5 and SW1/6 control Bus Clock Speed. Default setting is Auto Detect, with SW1/5 Off, and SW1/6 On |
CPU SPEED SELECTION (DESCHUTES) | ||||||||
CPU Speed |
Clock speed |
Multiplier |
SW1/1 |
SW1/2 |
SW1/3 |
SW1/4 |
SW1/5 |
SW1/6 |
350MHz |
100MHz |
3.5x |
On |
Off |
Off |
On |
Off |
Off |
400MHz |
100MHz |
4x |
Off |
On |
On |
On |
Off |
Off |
450MHz |
100MHz |
4.5x |
Off |
On |
Off |
On |
Off |
Off |
500MHz |
100MHz |
5x |
Off |
Off |
On |
On |
Off |
Off |
Note: SW1/5 and SW1/6 control Bus Clock Speed. Default setting is Auto Detect, with SW1/5 Off, and SW1/6 On |