FLASH TECH, INC.
SL-66A-C (VER. 1.0)
Device Type |
Mainboard |
Processor |
Pentium II |
Processor Speed |
233/266/300/333MHz |
Chip Set |
Intel 440LX |
Maximum Onboard Memory |
1GB (EDO & SDRAM supported) |
Cache |
256/512KB (located on the Pentium II CPU) |
BIOS |
Award |
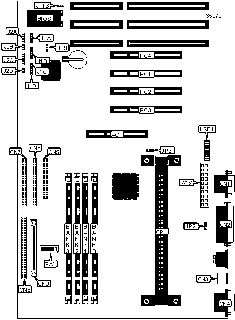
I/O Options |
32-bit PCI slots (4), floppy drive interface, IDE interface (2), SCSI connector, parallel port, PS/2 mouse port, serial ports (2), USB connector (2), IR connector, AGP slot, green PC connector, ATX power connector, SCSI connector, Wide Ultra SCSI connector |
Dimensions |
330mm x 220mm |
CONNECTIONS | |||
Purpose |
Location |
Purpose |
Location |
AGP slot |
AGP |
IDE interface LED |
J1A |
ATX power connector |
ATX |
IR connector |
J1B |
Serial port 1 |
CN1 |
Power switch |
J1C |
Parallel port |
CN2 |
Green PC connector |
J1D |
PS/2 mouse port |
CN3 |
Speaker |
J2A |
Serial port 2 |
CN4 |
Reset switch |
J2B |
Floppy drive interface |
CN5 |
Power LED & keylock |
J2C |
IDE interface 2 |
CN6 |
Turbo LED |
J2D |
IDE interface 1 |
CN7 |
32-bit PCI slots |
PC1 - PC4 |
SCSI connector |
CN8 |
USB connector |
USB1 |
Wide Ultra SCSI connector |
CN9 |
USER CONFIGURABLE SETTINGS | |||
Function |
Label |
Position | |
» |
Factory configured - do not alter |
JP1 |
Closed |
» |
Factory configured - do not alter |
JP2 |
Unidentified |
» |
CMOS memory normal operation |
JP9 |
Pins 1 & 2 closed |
CMOS memory clear |
JP9 |
Pins 2 & 3 closed | |
» |
Factory configured - do not alter |
JP13 |
Unidentified |
DRAM CONFIGURATION | ||||
Size |
Bank 0 |
Bank 1 |
Bank 2 |
Bank 3 |
8MB |
(1) 1MB x 64 |
None |
None |
None |
16MB |
(1) 1MB x 64 |
(1) 1MB x 64 |
None |
None |
16MB |
(1) 2MB x 64 |
None |
None |
None |
24MB |
(1) 1MB x 64 |
(1) 1MB x 64 |
(1) 1MB x 64 |
None |
24MB |
(1) 2MB x 64 |
(1) 1MB x 64 |
None |
None |
32MB |
(1) 1MB x 64 |
(1) 1MB x 64 |
(1) 1MB x 64 |
(1) 1MB x 64 |
32MB |
(1) 2MB x 64 |
(1) 2MBx 64 |
None |
None |
32MB |
(1) 4MB x 64 |
None |
None |
None |
40MB |
(1) 4MB x 64 |
(1) 1MB x 64 |
None |
None |
48MB |
(1) 4MB x 64 |
(1) 1MB x 64 |
(1) 1MB x 64 |
None |
48MB |
(1) 4MB x 64 |
(1) 2MB x 64 |
None |
None |
56MB |
(1) 4MB x 64 |
(1) 2MB x 64 |
(1) 1MB x 64 |
None |
64MB |
(1) 4MB x 64 |
(1) 2MB x 64 |
(1) 1MB x 64 |
(1) 1MB x 64 |
64MB |
(1) 4MB x 64 |
(1) 2MB x 64 |
(1) 2MB x 64 |
None |
64MB |
(1) 4MB x 64 |
(1) 4MB x 64 |
None |
None |
64MB |
(1) 8MB x 64 |
None |
None |
None |
72MB |
(1) 4MB x 64 |
(1) 2MB x 64 |
(1) 2MB x 64 |
(1) 1MB x 64 |
72MB |
(1) 8MB x 64 |
(1) 1MB x 64 |
None |
None |
72MB |
(1) 4MB x 64 |
(1) 4MB x 64 |
(1) 1MB x 64 |
None |
80MB |
(1) 4MB x 64 |
(1) 2MB x 64 |
(1) 2MB x 64 |
(1) 2MB x 64 |
80MB |
(1) 4MB x 64 |
(1) 4MB x 64 |
(1) 2MB x 64 |
None |
80MB |
(1) 8MB x 64 |
(1) 2MB x 64 |
None |
None |
96MB |
(1) 4MB x 64 |
(1) 4MB x 64 |
(1) 4MB x 64 |
None |
96MB |
(1) 8MB x 64 |
(1) 4MB x 64 |
None |
None |
DRAM CONFIGURATION (CONT.) | ||||
Size |
Bank 0 |
Bank 1 |
Bank 2 |
Bank 3 |
128MB |
(1) 4MB x 64 |
(1) 4MB x 64 |
(1) 4MB x 64 |
(1) 4MB x 64 |
128MB |
(1) 8MB x 64 |
(1) 8MB x 64 |
None |
None |
128MB |
(1) 16MB x 64 |
None |
None |
None |
136MB |
(1) 8MB x 64 |
(1) 8MB x 64 |
(1) 1MB x 64 |
None |
144MB |
(1) 8MB x 64 |
(1) 8MB x 64 |
(1) 2MB x 64 |
None |
144MB |
(1) 16MB x 64 |
(1) 2MB x 64 |
None |
None |
160MB |
(1) 16MB x 64 |
(1) 4MB x 64 |
None |
None |
192MB |
(1) 8MB x 64 |
(1) 8MB x 64 |
(1) 8MB x 64 |
None |
192MB |
(1) 16MB x 64 |
(1) 8MB x 64 |
None |
None |
224MB |
(1) 8MB x 64 |
(1) 8MB x 64 |
(1) 8MB x 64 |
(1) 4MB x 64 |
256MB |
(1) 8MB x 64 |
(1) 8MB x 64 |
(1) 8MB x 64 |
(1) 8MB x 64 |
256MB |
(1) 16MB x 64 |
(1) 16MBx 64 |
None |
None |
256MB |
(1) 32MB x 64 |
None |
None |
None |
272MB |
(1) 16MB x 64 |
(1) 16M x 64 |
(1) 2MB x 64 |
None |
288MB |
(1) 16MB x 64 |
(1) 16MB x 64 |
(1) 4MB x 64 |
None |
288MB |
(1) 32MB x 64 |
(1) 4MB x 64 |
None |
None |
320MB |
(1) 16MB x 64 |
(1) 16MB x 64 |
(1) 8MB x 64 |
None |
320MB |
(1) 32MB x 64 |
(1) 8MB x 64 |
None |
None |
384MB |
(1) 16MB x 64 |
(1) 16MB x 64 |
(1) 16MB x 64 |
None |
384MB |
(1) 32MB x 64 |
(1) 16MB x 64 |
None |
None |
416MB |
(1) 16MB x 64 |
(1) 16MB x 64 |
(1) 16MB x 64 |
(1) 4MB x 64 |
448MB |
(1) 16MB x 64 |
(1) 16MB x 64 |
(1) 16MB x 64 |
(1) 8MB x 64 |
512MB |
(1) 16MB x 64 |
(1) 16MB x 64 |
(1) 16MB x 64 |
(1) 16MB x 64 |
512MB |
(1) 32MB x 64 |
(1) 32MB x 64 |
None |
None |
544MB |
(1) 32MB x 64 |
(1) 32MB x 64 |
(1) 4MB x 64 |
None |
576MB |
(1) 32MB x 64 |
(1) 32MB x 64 |
(1) 8MB x 64 |
None |
640MB |
(1) 32MB x 64 |
(1) 32MB x 64 |
(1) 16MB x 64 |
None |
768MB |
(1) 32MB x 64 |
(1) 32MB x 64 |
(1) 32MB x 64 |
None |
832MB |
(1) 32MB x 64 |
(1) 32MB x 64 |
(1) 32MB x 64 |
(1) 8MB x 64 |
896MB |
(1) 32MB x 64 |
(1) 32MB x 64 |
(1) 32MB x 64 |
(1) 16MB x 64 |
1024MB |
(1) 32MB x 64 |
(1) 32MB x 64 |
(1) 32MB x 64 |
(1) 32MB x 64 |
CPU SPEED SELECTION | ||||||||
CPU Speed |
Clock Speed |
Multiplier |
SW1/1 |
SW1/2 |
SW1/3 |
SW1/4 |
SW1/5 |
SW1/6 |
233MHz |
66MHz |
3.5x |
On |
Off |
Off |
On |
Off |
Off |
266MHz |
66MHz |
4x |
Off |
On |
On |
On |
Off |
Off |
300MHz |
66MHz |
4.5x |
Off |
On |
Off |
On |
Off |
Off |
333MHz |
66MHz |
5x |
Off |
Off |
On |
On |
Off |
Off |