FLASH TECH, INC.
SL-66B
Device Type |
Mainboard |
Processor |
Pentium II |
Processor Speed |
233/266/300/333MHz |
Chip Set |
Intel 440LX |
Maximum Onboard Memory |
1GB (EDO & SDRAM supported) |
Cache |
256/512KB (located on the Pentium II CPU) |
BIOS |
Award |
I/O Options |
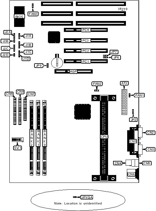
32-bit PCI slots (4), floppy drive interface, IDE interface (2), parallel port, PS/2 mouse port, serial ports (2), USB ports (2), IR connector, ATX power connector, AGP slot, green PC connector |
Dimensions |
300mm x 190mm |
CONNECTIONS | |||
Purpose |
Location |
Purpose |
Location |
AGP slot |
AGP |
CPU fan power |
FAN2 |
ATX power connector |
ATX |
Chassis fan power |
FAN3 |
Parallel port |
CN1 |
IDE interface LED |
J1A |
Serial port 2 |
CN2 |
IR connector |
J1B |
Serial port 1 |
CN3 |
Power switch |
J1C |
USB connector 2 |
CN4 |
Green PC connector |
J1D |
USB connector 1 |
CN5 |
Speaker |
J2A |
PS/2 mouse port |
CN6 |
Reset switch |
J2B |
Floppy drive interface |
CN7 |
Power LED & Keylock |
J2C |
IDE interface 2 |
CN8 |
Turbo LED |
J2D |
IDE interface 1 |
CN9 |
32-bit PCI slots |
PC1 - 4 |
CPU fan power |
FAN1 |
USER CONFIGURABLE SETTINGS | |||
Function |
Label |
Position | |
» |
Factory configured - do not alter |
JP2 |
Unidentified |
» |
Normal VGA card enabled |
JPVGA |
Closed |
Special VGA card enabled |
JPVGA |
Open | |
» |
CMOS normal operation |
JP8 |
Pins 1 & 2 closed |
CMOS clear |
JP8 |
Pins 2 & 3 closed |
USB PORT SELECTION | |||
Function |
JP6 |
JP7 | |
» |
Redirect USB1 to AGP port |
Pins 1 & 2 closed |
Pins 1 & 2 closed |
Redirect all USB ports to USB connector |
Pins 2 & 3 closed |
Pins 2 & 3 closed |
DRAM CONFIGURATION | |||
Size |
Bank 0 |
Bank 1 |
Bank 2 |
8MB |
(1) 1MB x 36 |
None |
None |
16MB |
(1) 1MB x 36 |
(1) 1MB x 64 |
None |
16MB |
(1) 2MB x 36 |
None |
None |
24MB |
(1) 1MB x 36 |
(1) 1MB x 64 |
(1) 1MB x 64 |
24MB |
(1) 2MB x 36 |
(1) 1MB x 64 |
None |
32MB |
(1) 2MB x 36 |
(1) 2MB x 64 |
None |
32MB |
(1) 4MB x 36 |
None |
None |
40MB |
(1) 2MB x 36 |
(1) 2MB x 64 |
(1) 1MB x 64 |
40MB |
(1) 4MB x 36 |
(1) 1MB x 64 |
None |
48MB |
(1) 2MB x 36 |
(1) 2MB x 64 |
(1) 2MB x 64 |
48MB |
(1) 4MB x 36 |
(1) 2MB x 64 |
None |
64MB |
(1) 4MB x 36 |
(1) 4MB x 64 |
None |
64MB |
(1) 8MB x 36 |
None |
None |
72MB |
(1) 4MB x 36 |
(1) 4MB x 64 |
(1) 1MB x 64 |
72MB |
(1) 8MB x 36 |
(1) 1MB x 64 |
None |
80MB |
(1) 4MB x 36 |
(1) 4MB x 64 |
(1) 2MB x 64 |
80MB |
(1) 8MB x 36 |
(1) 2MB x 64 |
None |
DRAM CONFIGURATION | |||
Size |
Bank 0 |
Bank 1 |
Bank 2 |
96MB |
(1) 4MB x 36 |
(1) 4MB x 64 |
(1) 4MB x 64 |
96MB |
(1) 8MB x 36 |
(1) 4MB x 64 |
None |
128MB |
(1) 8MB x 36 |
(1) 8MB x 64 |
None |
128MB |
(1) 16MB x 36 |
None |
None |
136MB |
(1) 16MB x 36 |
(1) 1MB x 64 |
None |
144MB |
(1) 16MB x 36 |
(1) 2MB x 64 |
None |
160MB |
(1) 16MB x 36 |
(1) 4MB x 64 |
None |
192MB |
(1) 16MB x 36 |
(1) 8MB x 64 |
None |
256MB |
(1) 16MB x 36 |
(1) 16MB x 64 |
None |
256MB |
(1) 32MB x 36 |
None |
None |
264MB |
(1) 16MB x 36 |
(1) 16MB x 64 |
(1) 1MB x 64 |
264MB |
(1) 32MB x 36 |
(1) 1MB x 64 |
None |
272MB |
(1) 32MB x 36 |
(1) 2MB x 64 |
None |
272MB |
(1) 16MB x 36 |
(1) 16MB x 64 |
(1) 2MB x 64 |
288MB |
(1) 16MB x 36 |
(1) 16MB x 64 |
(1) 4MB x 64 |
288MB |
(1) 32MB x 36 |
(1) 4MB x 64 |
None |
320MB |
(1) 16MB x 36 |
(1) 16MB x 64 |
(1) 8MB x 64 |
320MB |
(1) 32MB x 36 |
(1) 8MB x 64 |
None |
384MB |
(1) 16MB x 36 |
(1) 16MB x 64 |
(1) 16MB x 64 |
384MB |
(1) 32MB x 36 |
(1) 16MB x 64 |
None |
512MB |
(1) 32MB x 36 |
(1) 32MB x 64 |
None |
520MB |
(1) 32MB x 36 |
(1) 32MB x 64 |
(1) 1MB x 64 |
528MB |
(1) 32MB x 36 |
(1) 32MB x 64 |
(1) 2MB x 64 |
544MB |
(1) 32MB x 36 |
(1) 32MB x 64 |
(1) 4MB x 64 |
618MB |
(1) 32MB x 36 |
(1) 32MB x 64 |
(1) 8MB x 64 |
640MB |
(1) 32MB x 36 |
(1) 32MB x 64 |
(1) 16MB x 64 |
768MB |
(1) 32MB x 36 |
(1) 32MB x 64 |
(1) 32MB x 64 |
1024MB |
(1) 64MB x 64 |
(1) 64MB x 64 |
None |
Note: Board supports 1GB using EDO DRAM, and 512MB using SDRAM. It is not recommended that you combine EDO and SDRAM. |
CPU SPEED SELECTION | ||||||||
CPU Speed |
Clock Speed |
Multiplier |
SW1/1 |
SW1/2 |
SW1/3 |
SW1/4 |
SW1/5 |
SW1/6 |
233MHz |
66MHz |
3.5x |
On |
Off |
Off |
On |
Off |
Off |
266MHz |
66MHz |
4x |
Off |
On |
On |
On |
Off |
Off |
300MHz |
66MHz |
4.5x |
Off |
On |
Off |
On |
Off |
Off |
333MHz |
66MHz |
5x |
Off |
Off |
On |
On |
Off |
Off |