EPOX COMPUTER CO., LTD.
KP6-LA
Device Type |
Mainboard |
Processor |
Pentium II |
Processor Speed |
200/233/266/300/333MHz |
Chip Set |
Intel |
Video Chip Set |
None |
Maximum Onboard Memory |
1GB (EDO & SDRAM supported) |
Maximum Video Memory |
None |
Cache |
256/512KB (located on Pentium II CPU) |
BIOS |
Award |
Dimensions |
305mm x 244mm |
I/O Options |
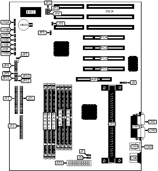
32-bit PCI slots (4), floppy drive interface, green PC connector, IDE interfaces (2), parallel port, PS/2 mouse port, serial ports (2), IR connector, USB connectors (2), ATX power connector, AGP slot |
NPU Options |
None |
CONNECTIONS | |||
Purpose |
Location |
Purpose |
Location |
AGP slot |
AGP |
Reset switch |
J10C |
ATX power connector |
ATX |
Turbo LED |
J10D |
Parallel port |
CN1 |
Green PC connector |
J10E |
Serial port 2 |
CN2 |
Green PC LED |
J10F |
Serial port 1 |
CN3 |
IDE interface LED |
J10G |
USB connector 2 |
CN4 |
IDE interface 1 |
J11 |
USB connector 1 |
CN5 |
IDE interface 2 |
J12 |
PS/2 mouse port |
CN6 |
Floppy drive interface |
J13 |
IR connector |
J5 |
Chassis fan power |
J14 |
CPU fan power |
J7 |
Chassis monitor connector |
J15 |
Power supply fan |
J8 |
Soft off power supply |
JP7 |
Power LED & keylock |
J10A |
32-bit PCI slots |
PC1 – PC4 |
Speaker |
J10B |
USER CONFIGURABLE SETTINGS | |||
Function |
Label |
Position | |
» |
CMOS memory normal operation |
JP5 |
Pins 1 & 2 closed |
CMOS memory clear |
JP5 |
Pins 2 & 3 closed | |
» |
Factory configured - do not alter |
JP9 |
Unidentified |
» |
Factory configured - do not alter |
JP10 |
Unidentified |
» |
Factory configured - do not alter |
JP11 |
Unidentified |
» |
Factory configured - do not alter |
JP12 |
Unidentified |
SIMM CONFIGURATION | ||
Size |
Bank 3 |
Bank 4 |
8MB |
(2) 1M x 36 |
None |
16MB |
(2) 2M x 36 |
None |
16MB |
(2) 1M x 36 |
(2) 1M x 36 |
24MB |
(2) 2M x 36 |
(2) 1M x 36 |
32MB |
(2) 4M x 36 |
None |
32MB |
(2) 2M x 36 |
(2) 2M x 36 |
40MB |
(2) 4M x 36 |
(2) 1M x 36 |
48MB |
(2) 4M x 36 |
(2) 2M x 36 |
64MB |
(2) 8M x 36 |
None |
64MB |
(2) 4M x 36 |
(2) 4M x 36 |
72MB |
(2) 8M x 36 |
(2) 1M x 36 |
SIMM CONFIGURATION (CON’T) | ||
Size |
Bank 3 |
Bank 4 |
80MB |
(2) 8M x 36 |
(2) 2M x 36 |
96MB |
(2) 8M x 36 |
(2) 4M x 36 |
128MB |
(2) 8M x 36 |
(2) 8M x 36 |
128MB |
(2) 16M x 36 |
None |
136MB |
(2) 16M x 36 |
(2) 1M x 36 |
144MB |
(2) 16M x 36 |
(2) 2M x 36 |
160MB |
(2) 16M x 36 |
(2) 4M x 36 |
192MB |
(2) 16M x 36 |
(2) 8M x 36 |
256MB |
(2) 16M x 36 |
(2) 16M x 36 |
256MB |
(2) 32M x 36 |
None |
264MB |
(2) 32M x 36 |
(2) 1M x 36 |
272MB |
(2) 32M x 36 |
(2) 2M x 36 |
288MB |
(2) 32M x 36 |
(2) 4M x 36 |
320MB |
(2) 32M x 36 |
(2) 8M x 36 |
384MB |
(2) 32M x 36 |
(2) 16M x 36 |
512MB |
(2) 32M x 36 |
(2) 32M x 36 |
Note: Board accepts EDO memory. |
DIMM CONFIGURATION | |||
Size |
Bank 0 |
Bank 1 |
Bank 2 |
8MB |
(1) 1M x 64 |
None |
None |
16MB |
(1) 1M x 64 |
(1) 1M x 64 |
None |
16MB |
(1) 2M x 64 |
None |
None |
24MB |
(1) 1M x 64 |
(1) 1M x 64 |
(1) 1M x 64 |
32MB |
(1) 2M x 64 |
(1) 2M x 64 |
None |
32MB |
(1) 4M x 64 |
None |
None |
48MB |
(1) 2M x 64 |
(1) 2M x 64 |
(1) 2M x 64 |
64MB |
(1) 4M x 64 |
(1) 4M x 64 |
None |
64MB |
(1) 8M x 64 |
None |
None |
96MB |
(1) 4M x 64 |
(1) 4M x 64 |
(1) 4M x 64 |
128MB |
(1) 8M x 64 |
(1) 8M x 64 |
None |
128MB |
(1) 16M x 64 |
None |
None |
136MB |
(1) 16M x 64 |
(1) 1M x 64 |
None |
144MB |
(1) 16M x 64 |
(1) 1M x 64 |
(1) 1M x 64 |
144MB |
(1) 16M x 64 |
(1) 2M x 64 |
None |
160MB |
(1) 16M x 64 |
(1) 2M x 64 |
(1) 2M x 64 |
160MB |
(1) 16M x 64 |
(1) 4M x 64 |
None |
DIMM CONFIGURATION (CON’T) | |||
Size |
Bank 0 |
Bank 1 |
Bank 2 |
192MB |
(1) 16M x 64 |
(1) 4M x 64 |
(1) 4M x 64 |
192MB |
(1) 16M x 64 |
(1) 8M x 64 |
None |
192MB |
(1) 8M x 64 |
(1) 8M x 64 |
(1) 8M x 64 |
256MB |
(1) 16M x 64 |
(1) 8M x 64 |
(1) 8M x 64 |
256MB |
(1) 16M x 64 |
(1) 16M x 64 |
None |
256MB |
(1) 32M x 64 |
None |
None |
264MB |
(1) 32M x 64 |
(1) 1M x 64 |
None |
272MB |
(1) 32M x 64 |
(1) 1M x 64 |
(1) 1M x 64 |
272MB |
(1) 32M x 64 |
(1) 2M x 64 |
None |
288MB |
(1) 32M x 64 |
(1) 2M x 64 |
(1) 2M x 64 |
288MB |
(1) 32M x 64 |
(1) 4M x 64 |
None |
320MB |
(1) 32M x 64 |
(1) 4M x 64 |
(1) 4M x 64 |
320MB |
(1) 32M x 64 |
(1) 8M x 64 |
None |
384MB |
(1) 32M x 64 |
(1) 8M x 64 |
(1) 8M x 64 |
384MB |
(1) 32M x 64 |
(1) 16M x 64 |
None |
384MB |
(1) 16M x 64 |
(1) 16M x 64 |
(1) 16M x 64 |
512MB |
(1) 32M x 64 |
(1) 16M x 64 |
(1) 16M x 64 |
512MB |
(1) 32M x 64 |
(1) 32M x 64 |
None |
Note: Board accepts SDRAM memory. |
CACHE CONFIGURATION |
Note: 256KB/512KB cache is located on the Pentium II CPU. |
CPU SPEED SELECTION | |||
CPU speed |
Clock speed |
Multiplier |
JP8 |
200MHz |
66MHz |
3x |
Pins 1 & 2 closed |
233MHz |
66MHz |
3.5x |
Pins 3 & 4 closed |
266MHz |
66MHz |
4x |
Pins 5 & 6 closed |
300MHz |
66MHz |
4.5x |
Pins 7 & 8 closed |
333MHz |
66MHz |
5x |
Pins 9 & 10 closed |
FLASH BIOS SELECTION | |||
Setting |
JP2 |
JP3 | |
» |
5v |
Pins 1 & 2 closed |
Pins 1 & 2 closed |
12v |
Pins 2 & 3 closed |
Pins 2 & 3 closed |