GIGA-BYTE TECHNOLOGY CO., LTD.
GA-686KX
Device Type |
Mainboard |
Processor |
Pentium II |
Processor Speed |
200/233/266/300/333/366MHz |
Chip Set |
Intel |
Video Chip Set |
None |
Maximum Onboard Memory |
768MB (EDO & SDRAM supported) |
Maximum Video Memory |
None |
Cache |
256/512KB (located on Pentium II CPU) |
BIOS |
Award |
Dimensions |
305mm x 244mm |
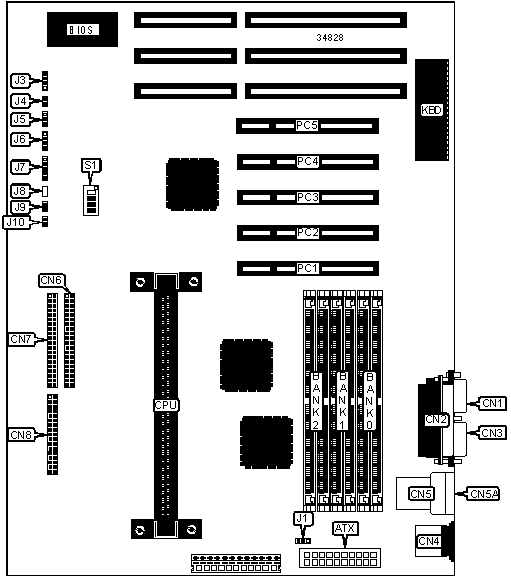
I/O Options |
32-bit PCI slots (5), floppy drive interface, green PC connector, IDE interfaces (2), parallel port, PS/2 mouse port, serial ports (2), IR connector, USB connectors (2), ATX power connector |
NPU Options |
None |
CONNECTIONS | |||
Purpose |
Location |
Purpose |
Location |
ATX power connector |
ATX |
CPU fan power |
J1 |
Serial port 1 |
CN1 |
Speaker |
J3 |
Parallel port |
CN2 |
Reset switch |
J4 |
Serial port 2 |
CN3 |
Power LED |
J5 |
PS/2 mouse port |
CN4 |
IDE interface LED |
J6 |
USB connector 1 |
CN5 |
IR connector |
J7 |
USB connector 2 |
CN5A |
Soft off power supply |
J9 |
IDE interface 2 |
CN6 |
Green PC LED |
J10 |
IDE interface 1 |
CN7 |
32-bit PCI slots |
PC1 – PC5 |
Floppy drive interface |
CN8 |
USER CONFIGURABLE SETTINGS | |||
Function |
Label |
Position | |
» |
Factory configured - do not alter |
J8 |
Unidentified |
SIMM CONFIGURATION | |||
Size |
Bank 0 |
Bank 1 |
Bank 2 |
8MB |
(2) 1M x 36 |
None |
None |
16MB |
(2) 1M x 36 |
(2) 1M x 36 |
None |
16MB |
(2) 2M x 36 |
None |
None |
24MB |
(2) 1M x 36 |
(2) 1M x 36 |
(2) 1M x 36 |
32MB |
(2) 2M x 36 |
(2) 2M x 36 |
None |
32MB |
(2) 4M x 36 |
None |
None |
48MB |
(2) 2M x 36 |
(2) 2M x 36 |
(2) 2M x 36 |
64MB |
(2) 4M x 36 |
(2) 4M x 36 |
None |
64MB |
(2) 8M x 36 |
None |
None |
96MB |
(2) 4M x 36 |
(2) 4M x 36 |
(2) 4M x 36 |
128MB |
(2) 8M x 36 |
(2) 8M x 36 |
None |
128MB |
(2) 16M x 36 |
None |
None |
192MB |
(2) 8M x 36 |
(2) 8M x 36 |
(2) 8M x 36 |
256MB |
(2) 16M x 36 |
(2) 16M x 36 |
None |
256MB |
(2) 32M x 36 |
None |
None |
384MB |
(2) 16M x 36 |
(2) 16M x 36 |
(2) 16M x 36 |
512MB |
(2) 32M x 36 |
(2) 32M x 36 |
None |
768MB |
(2) 32M x 36 |
(2) 32M x 36 |
(2) 32M x 36 |
Note: Board accepts EDO memory. |
CACHE CONFIGURATION |
Note: 256KB/512KB cache is located on the Pentium II CPU. |
CPU SPEED SELECTION | ||||||
CPU speed |
Clock speed |
Multiplier |
S1/1 |
S1/2 |
S1/3 |
S1/4 |
200MHz |
66MHz |
3x |
Off |
On |
Off |
Off |
233MHz |
66MHz |
3.5x |
On |
On |
Off |
Off |
266MHz |
66MHz |
4x |
Off |
Off |
On |
Off |
300MHz |
66MHz |
4.5x |
On |
Off |
On |
Off |
333MHz |
66MHz |
5x |
Off |
On |
On |
Off |
366MHz |
66MHz |
5.5x |
On |
On |
On |
Off |