EFA CORPORATION

P6KFX-ATX

Processor

Pentium II

Processor Speed

200/233/266/300MHz

Chip Set

Intel

Video Chip Set

None

Maximum Onboard Memory

384MB (EDO supported)

Maximum Video Memory

None

Cache

256/512KB (located on Pentium II CPU)

BIOS

Award

Dimensions

305mm x 220mm

I/O Options

32-bit PCI slots (4), floppy drive interface, IDE interfaces (2), parallel port, PS/2 mouse port, serial ports (2), IR connector, ATX power connector

NPU Options

None

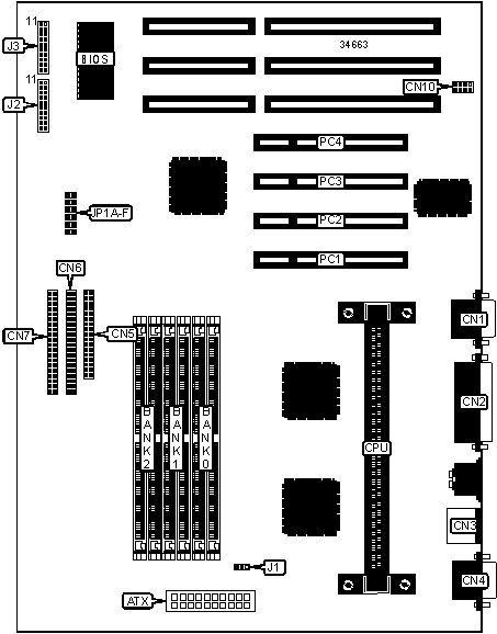
CONNECTIONS

Purpose

Location

Purpose

Location

ATX power connector

ATX

Power LED & keylock

J2/pins 1 - 5

Serial port 2

CN1

Speaker

J2/pins 11 - 14

Parallel port

CN2

IDE interface LED

J2/pins 8 & 18

PS/2 mouse port

CN3

Reset switch

J2/pins 9 & 19

Serial port 1

CN4

External battery

J3/pins 1 - 4

Floppy drive interface

CN5

IR connector

J3/pins 11 - 16

IDE interface 2

CN6

Soft off power supply

J3/pins 19 & 20

IDE interface 1

CN7

32-bit PCI slots

PC1 – PC4

CPU fan power

J1

   

USER CONFIGURABLE SETTINGS

Function

Label

Position

»

Factory configured - do not alter

CN10

Unidentified

»

CMOS memory normal operation

J3

Pins 5 & 6 closed

 

CMOS memory clear

J3

Pins 6 & 7 closed

SIMM CONFIGURATION

Size

Bank 0

Bank 1

Bank 2

8MB

(2) 1M x 36

None

None

16MB

(2) 1M x 36

(2) 1M x 36

None

16MB

(2) 2M x 36

None

None

24MB

(2) 1M x 36

(2) 1M x 36

(2) 1M x 36

32MB

(2) 2M x 36

(2) 2M x 36

None

32MB

(2) 4M x 36

None

None

48MB

(2) 2M x 36

(2) 2M x 36

(2) 2M x 36

64MB

(2) 4M x 36

(2) 4M x 36

None

64MB

(2) 8M x 36

None

None

96MB

(2) 4M x 36

(2) 4M x 36

(2) 4M x 36

128MB

(2) 8M x 36

(2) 8M x 36

None

128MB

(2) 16M x 36

None

None

192MB

(2) 8M x 36

(2) 8M x 36

(2) 8M x 36

256MB

(2) 16M x 36

(2) 16M x 36

None

384MB

(2) 16M x 36

(2) 16M x 36

(2) 16M x 36

Note: Board accepts EDO memory. Board also accepts x 32 SIMMs.

CACHE CONFIGURATION

Note: 256KB/512KB cache is located on the Pentium II CPU.

CPU SPEED SELECTION

Speed

JP1A

JP1B

JP1C

JP1D

JP1E

JP1F

200MHz

Open

Closed

Open

Open

Closed

Open

233MHz

Open

Closed

Closed

Open

Closed

Open

266MHz

Closed

Open

Open

Open

Closed

Open

300MHz

Closed

Open

Closed

Open

Closed

Open