ELITEGROUP COMPUTER SYSTEMS, INC.
P5TX-AR
Processor |
CX 6X86/CX 686MX/IBM 6X86/IBM 686MX/AM K5/AM K6/Pentium |
Processor Speed |
75/90/100/120/133/150/166/200/233MHz |
Chip Set |
Intel |
Video Chip Set |
ATI |
Maximum Onboard Memory |
256MB (EDO supported) |
Maximum Video Memory |
4MB |
Cache |
256/512KB |
BIOS |
Award |
Dimensions |
305mm x 244mm |
I/O Options |
32-bit PCI slots (3), floppy drive interface, game port, green PC connector, IDE interfaces (2), parallel port, PS/2 mouse port, serial ports (2), VGA feature connector, VGA port, IR connector, USB connectors (2), ATX power connector, microphone in, line in, line out, TV out connector, audio in – CD-ROM |
NPU Options |
None |
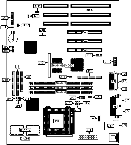
CONNECTIONS | |||
Purpose |
Location |
Purpose |
Location |
ATX power connector |
ATX |
Soft off power supply |
J19 |
PS/2 mouse port |
J1 |
CPU fan power |
J20 |
USB connector |
J3 |
Intrusion connector |
J21 |
USB connector |
J3A |
Power LED |
J22/pins 2 & 3 |
Serial port 2 |
J4 |
Green PC connector |
J22/pins 4 & 5 |
Serial port 1 |
J5 |
Turbo switch |
J22/pins 6 & 7 |
Parallel port |
J6 |
Reset switch |
J22/pins 9 & 10 |
VGA port |
J7 |
Keylock |
J22/pins 11 - 15 |
Floppy drive interface |
J8 |
Speaker |
J22/pins 17 - 20 |
IDE interface 2 |
J9 |
Green PC LED |
JP9 |
IDE interface 1 |
J10 |
Wake on modem connector |
JP11 |
VGA feature connector |
J12 |
Game port |
P1 |
Audio in – CD-ROM |
J14 |
Microphone in |
P2 |
TV out connector |
J15 |
Line in |
P3 |
IDE interface LED |
J16 |
Line out |
P4 |
IR connector |
J18 |
32-bit PCI slots |
PC1 – PC3 |
USER CONFIGURABLE SETTINGS | |||
Function |
Label |
Position | |
» |
Factory configured - do not alter |
JP1 |
Unidentified |
» |
On board video enabled |
JP8 |
Open |
On board video disabled |
JP8 |
Closed | |
» |
CMOS memory normal operation |
JP10 |
Pins 2 & 3 closed |
CMOS memory clear |
JP10 |
Pins 1 & 2 closed |
DIMM CONFIGURATION | |||
Size |
Bank 0 |
Bank 1 |
Bank 2 |
8MB |
(1) 1M x 64 |
None |
None |
16MB |
(1) 2M x 64 |
None |
None |
16MB |
(1) 1M x 64 |
(1) 1M x 64 |
None |
24MB |
(1) 2M x 64 |
(1) 1M x 64 |
None |
24MB |
(1) 1M x 64 |
(1) 1M x 64 |
(1) 1M x 64 |
32MB |
(1) 4M x 64 |
None |
None |
32MB |
(1) 2M x 64 |
(1) 2M x 64 |
None |
40MB |
(1) 4M x 64 |
(1) 1M x 64 |
None |
48MB |
(1) 4M x 64 |
(1) 2M x 64 |
None |
48MB |
(1) 2M x 64 |
(1) 2M x 64 |
(1) 2M x 64 |
64MB |
(1) 8M x 64 |
None |
None |
64MB |
(1) 4M x 64 |
(1) 4M x 64 |
None |
72MB |
(1) 8M x 64 |
(1) 1M x 64 |
None |
80MB |
(1) 8M x 64 |
(1) 2M x 64 |
None |
DIMM CONFIGURATION (CON’T) | |||
Size |
Bank 0 |
Bank 1 |
Bank 2 |
96MB |
(1) 8M x 64 |
(1) 4M x 64 |
None |
96MB |
(1) 4M x 64 |
(1) 4M x 64 |
(1) 4M x 64 |
128MB |
(1) 16M x 64 |
None |
None |
128MB |
(1) 8M x 64 |
(1) 8M x 64 |
None |
136MB |
(1) 16M x 64 |
(1) 1M x 64 |
None |
144MB |
(1) 16M x 64 |
(1) 2M x 64 |
None |
160MB |
(1) 16M x 64 |
(1) 4M x 64 |
None |
192MB |
(1) 16M x 64 |
(1) 8M x 64 |
None |
256MB |
(1) 16M x 64 |
(1) 16M x 64 |
None |
Note: Board accepts EDO memory. Bank 2 will not accept any module larger than 32MB. |
CACHE CONFIGURATION | |
Size |
Bank 0 |
256KB |
(2) 32K x 32 |
512KB |
(2) 64K x 32 |
VIDEO MEMORY CONFIGURATION | ||
Size |
Bank 0 |
J13 |
2MB |
2MB |
Not Installed |
4MB |
2MB |
2MB module installed |
CPU SPEED SELECTION (CX 6X86) | |||||||
CPU speed |
Clock speed |
Multiplier |
JP2 |
JP3 |
JP4 |
JP5 |
JP6 |
120MHz |
50MHz |
2x |
1 & 2 |
2 & 3 |
N/A |
N/A |
N/A |
133MHz |
55MHz |
2x |
1 & 2 |
2 & 3 |
2 & 3 |
1 & 2 |
2 & 3 |
150MHz |
60MHz |
2x |
1 & 2 |
2 & 3 |
1 & 2 |
1 & 2 |
2 & 3 |
166MHz |
66MHz |
2x |
1 & 2 |
2 & 3 |
1 & 2 |
1 & 2 |
1 & 2 |
200MHz |
75MHz |
2x |
1 & 2 |
2 & 3 |
2 & 3 |
1 & 2 |
1 & 2 |
Note: Pins designated should be in the closed position. |
CPU SPEED SELECTION (CX 6X86MX) | |||||||
CPU speed |
Clock speed |
Multiplier |
JP2 |
JP3 |
JP4 |
JP5 |
JP6 |
150MHz |
75MHz |
2x |
1 & 2 |
2 & 3 |
2 & 3 |
1 & 2 |
1 & 2 |
Note: Pins designated should be in the closed position. |
CPU SPEED SELECTION (IBM 6X86) | |||||||
CPU speed |
Clock speed |
Multiplier |
JP2 |
JP3 |
JP4 |
JP5 |
JP6 |
120MHz |
50MHz |
2x |
1 & 2 |
2 & 3 |
N/A |
N/A |
N/A |
133MHz |
55MHz |
2x |
1 & 2 |
2 & 3 |
2 & 3 |
1 & 2 |
2 & 3 |
150MHz |
60MHz |
2x |
1 & 2 |
2 & 3 |
1 & 2 |
1 & 2 |
2 & 3 |
166MHz |
66MHz |
2x |
1 & 2 |
2 & 3 |
1 & 2 |
1 & 2 |
1 & 2 |
200MHz |
75MHz |
2x |
1 & 2 |
2 & 3 |
2 & 3 |
1 & 2 |
1 & 2 |
Note: Pins designated should be in the closed position. |
CPU SPEED SELECTION (IBM 6X86MX) | |||||||
CPU speed |
Clock speed |
Multiplier |
JP2 |
JP3 |
JP4 |
JP5 |
JP6 |
150MHz |
75MHz |
2x |
1 & 2 |
2 & 3 |
2 & 3 |
1 & 2 |
1 & 2 |
Note: Pins designated should be in the closed position. |
CPU SPEED SELECTION (AM K5) | |||||||
CPU speed |
Clock speed |
Multiplier |
JP2 |
JP3 |
JP4 |
JP5 |
JP6 |
75MHz |
50MHz |
1.5x |
1 & 2 |
1 & 2 |
N/A |
N/A |
N/A |
90MHz |
60MHz |
1.5x |
1 & 2 |
1 & 2 |
1 & 2 |
1 & 2 |
2 & 3 |
100MHz |
66MHz |
1.5x |
1 & 2 |
1 & 2 |
1 & 2 |
1 & 2 |
1 & 2 |
120MHz |
60MHz |
1.5x |
1 & 2 |
1 & 2 |
1 & 2 |
1 & 2 |
2 & 3 |
133MHz |
66MHz |
1.5x |
1 & 2 |
1 & 2 |
1 & 2 |
1 & 2 |
1 & 2 |
150MHz |
60MHz |
2x |
1 & 2 |
2 & 3 |
1 & 2 |
1 & 2 |
2 & 3 |
166MHz |
66MHz |
2x |
1 & 2 |
2 & 3 |
1 & 2 |
1 & 2 |
1 & 2 |
Note: Pins designated should be in the closed position. |
CPU SPEED SELECTION (AM K6) | |||||||
CPU speed |
Clock speed |
Multiplier |
JP2 |
JP3 |
JP4 |
JP5 |
JP6 |
200MHz |
66MHz |
3x |
2 & 3 |
1 & 2 |
1 & 2 |
1 & 2 |
1 & 2 |
233MHz |
66MHz |
3.5x |
1 & 2 |
1 & 2 |
1 & 2 |
1 & 2 |
1 & 2 |
Note: Pins designated should be in the closed position. |
CPU SPEED SELECTION (INTEL) | |||||||
CPU speed |
Clock speed |
Multiplier |
JP2 |
JP3 |
JP4 |
JP5 |
JP6 |
75MHz |
50MHz |
1.5x |
1 & 2 |
1 & 2 |
N/A |
N/A |
N/A |
90MHz |
60MHz |
1.5x |
1 & 2 |
1 & 2 |
1 & 2 |
1 & 2 |
2 & 3 |
100MHz |
66MHz |
1.5x |
1 & 2 |
1 & 2 |
1 & 2 |
1 & 2 |
1 & 2 |
120MHz |
60MHz |
2x |
1 & 2 |
2 & 3 |
1 & 2 |
1 & 2 |
2 & 3 |
133MHz |
66MHz |
2x |
1 & 2 |
2 & 3 |
1 & 2 |
1 & 2 |
1 & 2 |
150MHz |
60MHz |
2.5x |
2 & 3 |
2 & 3 |
1 & 2 |
1 & 2 |
2 & 3 |
166MHz |
66MHz |
2.5x |
2 & 3 |
2 & 3 |
1 & 2 |
1 & 2 |
1 & 2 |
200MHz |
66MHz |
3x |
2 & 3 |
1 & 2 |
1 & 2 |
1 & 2 |
1 & 2 |
233MHz |
66MHz |
3.5x |
1 & 2 |
1 & 2 |
1 & 2 |
1 & 2 |
1 & 2 |
Note: Pins designated should be in the closed position. |
CPU VOLTAGE SELECTION | |
Voltage |
JP7 |
2.5v |
Pins 9 & 10 closed |
2.8v |
Pins 7 & 8 closed |
2.9v |
Pins 5 & 6 closed |
3.2v |
Pins 3 & 4 closed |
3.3v |
Pins 1 & 2 closed |