FREE COMPUTER TECHNOLOGY, INC.
P6F77
Processor |
Pentium II |
Processor Speed |
200/233/266/300MHz |
Chip Set |
Intel |
Video Chip Set |
None |
Maximum Onboard Memory |
768MB (EDO supported) |
Maximum Video Memory |
None |
Cache |
256/512KB (located on Pentium II CPU) |
BIOS |
Award |
Dimensions |
305mm x 244mm |
I/O Options |
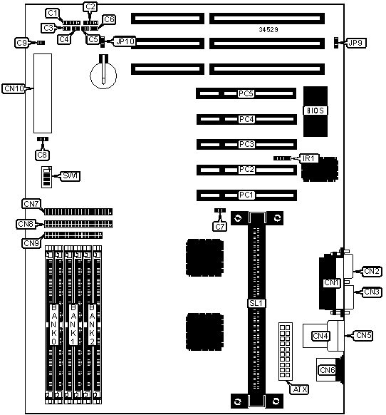
32-bit PCI slots (5), floppy drive interface, green PC connector, IDE interfaces (2), parallel port, PS/2 mouse port, serial ports (2), IR connector, USB connectors (2), ATX power connector, CPU Slot 1 |
NPU Options |
None |
CONNECTIONS | |||
Purpose |
Location |
Purpose |
Location |
ATX power connector |
ATX |
Serial port 2 |
CN2 |
Power LED & keylock |
C1 |
Serial port 1 |
CN3 |
Speaker |
C2 |
USB connector 1 |
CN4 |
Green PC connector |
C3 |
USB connector 2 |
CN5 |
Turbo LED |
C4 |
PS/2 mouse port |
CN6 |
Reset switch |
C5 |
IDE interface 2 |
CN7 |
IDE interface LED |
C6 |
IDE interface 1 |
CN8 |
Chassis fan power |
C7 |
Floppy drive interface |
CN9 |
Chassis fan power |
C8 |
System Management Connector |
CN10 |
Soft off power supply |
C9 |
IR connector |
IR1 |
Parallel port |
CN1 |
32-bit PCI slots |
PC1 – PC5 |
USER CONFIGURABLE SETTINGS | |||
Function |
Label |
Position | |
Keyboard voltage select +5v |
JP9 |
Pins 1 & 2 closed | |
Keyboard voltage select +5v (SB) |
JP9 |
Pins 2 & 3 closed | |
» |
CMOS memory normal operation |
JP10 |
Pins 1 & 2 closed |
CMOS memory clear |
JP10 |
Pins 2 & 3 closed |
SIMM CONFIGURATION | |||
Size |
Bank 0 |
Bank 1 |
Bank 2 |
8MB |
(2) 1M x 36 |
None |
None |
16MB |
(2) 1M x 36 |
(2) 1M x 36 |
None |
16MB |
(2) 2M x 36 |
None |
None |
24MB |
(2) 2M x 36 |
(2) 1M x 36 |
None |
24MB |
(2) 1M x 36 |
(2) 1M x 36 |
(2) 1M x 36 |
32MB |
(2) 4M x 36 |
None |
None |
32MB |
(2) 2M x 36 |
(2) 2M x 36 |
None |
40MB |
(2) 4M x 36 |
(2) 1M x 36 |
None |
48MB |
(2) 4M x 36 |
(2) 2M x 36 |
None |
48MB |
(2) 4M x 36 |
(2) 1M x 36 |
(2) 1M x 36 |
56MB |
(2) 4M x 36 |
(2) 2M x 36 |
(2) 1M x 36 |
64MB |
(2) 8M x 36 |
None |
None |
64MB |
(2) 4M x 36 |
(2) 4M x 36 |
None |
80MB |
(2) 8M x 36 |
(2) 2M x 36 |
None |
80MB |
(2) 8M x 36 |
(2) 1M x 36 |
(2) 1M x 36 |
88MB |
(2) 8M x 36 |
(2) 2M x 36 |
(2) 1M x 36 |
96MB |
(2) 8M x 36 |
(2) 4M x 36 |
None |
96MB |
(2) 4M x 36 |
(2) 4M x 36 |
(2) 4M x 36 |
96MB |
(2) 8M x 36 |
(2) 2M x 36 |
(2) 2M x 36 |
104MB |
(2) 8M x 36 |
(2) 4M x 36 |
(2) 1M x 36 |
112MB |
(2) 8M x 36 |
(2) 4M x 36 |
(2) 2M x 36 |
SIMM CONFIGURATION (CON’T) | |||
Size |
Bank 0 |
Bank 1 |
Bank 2 |
128MB |
(2) 8M x 36 |
(2) 4M x 36 |
(2) 4M x 36 |
128MB |
(2) 16M x 36 |
None |
None |
128MB |
(2) 8M x 36 |
(2) 8M x 36 |
None |
136MB |
(2) 8M x 36 |
(2) 8M x 36 |
(2) 1M x 36 |
136MB |
(2) 16M x 36 |
(2) 1M x 36 |
None |
144MB |
(2) 16M x 36 |
(2) 2M x 36 |
None |
144MB |
(2) 16M x 36 |
(2) 1M x 36 |
(2) 1M x 36 |
152MB |
(2) 16M x 36 |
(2) 2M x 36 |
(2) 1M x 36 |
160MB |
(2) 16M x 36 |
(2) 4M x 36 |
None |
160MB |
(2) 16M x 36 |
(2) 2M x 36 |
(2) 2M x 36 |
168MB |
(2) 16M x 36 |
(2) 4M x 36 |
(2) 1M x 36 |
176MB |
(2) 16M x 36 |
(2) 4M x 36 |
(2) 2M x 36 |
192MB |
(2) 16M x 36 |
(2) 8M x 36 |
None |
192MB |
(2) 16M x 36 |
(2) 4M x 36 |
(2) 4M x 36 |
200MB |
(2) 16M x 36 |
(2) 8M x 36 |
(2) 1M x 36 |
208MB |
(2) 16M x 36 |
(2) 8M x 36 |
(2) 2M x 36 |
224MB |
(2) 16M x 36 |
(2) 8M x 36 |
(2) 4M x 36 |
256MB |
(2) 16M x 36 |
(2) 16M x 36 |
None |
256MB |
(2) 16M x 36 |
(2) 8M x 36 |
(2) 8M x 36 |
256MB |
(2) 32M x 36 |
None |
None |
264MB |
(2) 16M x 36 |
(2) 16M x 36 |
(2) 1M x 36 |
264MB |
(2) 32M x 36 |
(2) 1M x 36 |
None |
272MB |
(2) 16M x 36 |
(2) 16M x 36 |
(2) 2M x 36 |
272MB |
(2) 32M x 36 |
(2) 2M x 36 |
None |
288MB |
(2) 16M x 36 |
(2) 16M x 36 |
(2) 4M x 36 |
288MB |
(2) 32M x 36 |
(2) 4M x 36 |
None |
320MB |
(2) 16M x 36 |
(2) 16M x 36 |
(2) 8M x 36 |
320MB |
(2) 32M x 36 |
(2) 8M x 36 |
None |
384MB |
(2) 16M x 36 |
(2) 16M x 36 |
(2) 16M x 36 |
384MB |
(2) 32M x 36 |
(2) 16M x 36 |
None |
512MB |
(2) 32M x 36 |
(2) 32M x 36 |
None |
520MB |
(2) 32M x 36 |
(2) 32M x 36 |
(2) 1M x 36 |
528MB |
(2) 32M x 36 |
(2) 32M x 36 |
(2) 2M x 36 |
536MB |
(2) 32M x 36 |
(2) 32M x 36 |
(2) 4M x 36 |
576MB |
(2) 32M x 36 |
(2) 32M x 36 |
(2) 8M x 36 |
640MB |
(2) 32M x 36 |
(2) 32M x 36 |
(2) 16M x 36 |
768MB |
(2) 32M x 36 |
(2) 32M x 36 |
(2) 32M x 36 |
Note: Board accepts EDO memory. |
CACHE CONFIGURATION |
Note: 256KB/512KB cache is located on the Pentium II CPU. |
CPU SPEED SELECTION | ||||||
CPU speed |
Clock speed |
Multiplier |
SW1/1 |
SW1/2 |
SW1/3 |
SW1/4 |
200MHz |
66MHz |
3x |
On |
Off |
On |
On |
233MHz |
66MHz |
3.5x |
Off |
Off |
On |
On |
266MHz |
66MHz |
4x |
On |
On |
Off |
On |
300MHz |
66MHz |
3x |
Off |
On |
Off |
On |