FREE COMPUTER TECHNOLOGY, INC.
P5F78
Processor |
CX 6X86/CX 6X86L/CX 6X86MX/IBM 6X86/ IBM 6X86L/ IBM 6X86MX AM K5/AM K6/Pentium |
Processor Speed |
90/100/120/133/150/166/200/233MHz |
Chip Set |
Intel |
Video Chip Set |
None |
Maximum Onboard Memory |
256MB (EDO supported) |
Maximum Video Memory |
None |
Cache |
256/512KB |
BIOS |
Award |
Dimensions |
305mm x 244mm |
I/O Options |
32-bit PCI slots (5), floppy drive interface, IDE interfaces (2), parallel port, PS/2 mouse port, serial ports (2), IR connector, USB connectors (2), ATX power connector |
NPU Options |
None |
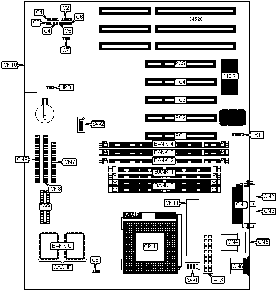
CONNECTIONS | |||
Purpose |
Location |
Purpose |
Location |
ATX power connector |
ATX |
Serial port 1 |
CN3 |
Power LED & keylock |
C1 |
USB connector 1 |
CN4 |
Speaker |
C2 |
USB connector 2 |
CN5 |
Soft off power supply |
C3 |
PS/2 mouse port |
CN6 |
Reset switch |
C4 |
Floppy drive interface |
CN7 |
Turbo LED |
C5 |
IDE interface 2 |
CN8 |
IDE interface LED |
C6 |
IDE interface 1 |
CN9 |
Chassis fan power |
C7 |
System Management Connector |
CN10 |
Chassis fan power |
C8 |
Switching Regulator |
CN11 |
Parallel port |
CN1 |
IR connector |
IR1 |
Serial port 2 |
CN2 |
32-bit PCI slots |
PC1 – PC5 |
USER CONFIGURABLE SETTINGS | |||
Function |
Label |
Position | |
» |
CMOS memory normal operation |
JP3 |
Open |
CMOS memory clear |
JP3 |
Pins 2 & 3 closed |
DIMM/SIMM CONFIGURATION | |||||
Size |
Bank 0 |
Bank 1 |
Bank 2 |
Bank 3 |
Bank 4 |
8MB |
(2) 1M x 36 |
None |
None |
None |
None |
8MB |
None |
None |
(1) 1M x 64 |
None |
None |
16MB |
(2) 2M x 36 |
None |
None |
None |
None |
16MB |
(2) 1M x 36 |
(2) 1M x 36 |
None |
None |
None |
16MB |
None |
None |
(1) 2M x 64 |
None |
None |
16MB |
None |
None |
(1) 1M x 64 |
(1) 1M x 64 |
None |
16MB |
None |
(2) 1M x 36 |
(1) 1M x 64 |
None |
None |
24MB |
(2) 2M x 36 |
(2) 1M x 36 |
None |
None |
None |
24MB |
None |
None |
(1) 2M x 64 |
(1) 1M x 64 |
None |
24MB |
None |
None |
(1) 1M x 64 |
(1) 1M x 64 |
(1) 1M x 64 |
24MB |
(2) 1M x 36 |
(2) 1M x 36 |
(1) 1M x 64 |
None |
None |
24MB |
(2) 1M x 36 |
None |
(1) 1M x 64 |
None |
(1) 1M x 64 |
32MB |
(2) 4M x 36 |
None |
None |
None |
None |
32MB |
(2) 2M x 36 |
(2) 2M x 36 |
None |
None |
None |
32MB |
None |
None |
(1) 4M x 64 |
None |
None |
32MB |
None |
None |
(1) 2M x 64 |
(1) 2M x 64 |
None |
32MB |
(2) 1M x 36 |
(2) 1M x 36 |
(1) 2M x 64 |
None |
None |
40MB |
(2) 4M x 36 |
(2) 1M x 36 |
None |
None |
None |
40MB |
None |
None |
(1) 4M x 64 |
(1) 1M x 64 |
None |
40MB |
(2) 2M x 36 |
(2) 2M x 36 |
(1) 1M x 64 |
None |
None |
48MB |
(2) 4M x 36 |
(2) 2M x 36 |
None |
None |
None |
48MB |
None |
None |
(1) 4M x 64 |
(1) 2M x 64 |
None |
48MB |
None |
None |
(1) 2M x 64 |
(1) 2M x 64 |
(1) 2M x 64 |
48MB |
(2) 2M x 36 |
(2) 2M x 36 |
(1) 2M x 64 |
None |
None |
DIMM/SIMM CONFIGURATION (CON’T) | |||||
Size |
Bank 0 |
Bank 1 |
Bank 2 |
Bank 3 |
Bank 4 |
48MB |
(2) 1M x 36 |
(2) 1M x 36 |
(1) 4M x 64 |
None |
None |
48MB |
None |
(2) 2M x 36 |
(1) 2M x 64 |
(1) 2M x 64 |
None |
48MB |
(2) 2M x 36 |
None |
(1) 2M x 64 |
None |
(1) 2M x 64 |
64MB |
(2) 8M x 36 |
None |
None |
None |
None |
64MB |
(2) 4M x 36 |
(2) 4M x 36 |
None |
None |
None |
64MB |
None |
None |
(1) 8M x 64 |
None |
None |
64MB |
None |
None |
(1) 4M x 64 |
(1) 4M x 64 |
None |
64MB |
(2) 2M x 36 |
(2) 2M x 36 |
(1) 4M x 64 |
None |
None |
72MB |
(2) 8M x 36 |
(2) 1M x 36 |
None |
None |
None |
72MB |
None |
None |
(1) 8M x 64 |
(1) 1M x 64 |
None |
72MB |
(2) 4M x 36 |
(2) 4M x 36 |
(1) 1M x 64 |
None |
None |
80MB |
(2) 8M x 36 |
(2) 2M x 36 |
None |
None |
None |
80MB |
None |
None |
(1) 8M x 64 |
(1) 2M x 64 |
None |
80MB |
(2) 4M x 36 |
(2) 4M x 36 |
(1) 2M x 64 |
None |
None |
96MB |
(2) 8M x 36 |
(2) 4M x 36 |
None |
None |
None |
96MB |
None |
None |
(1) 8M x 64 |
(1) 4M x 64 |
None |
96MB |
None |
None |
(1) 4M x 64 |
(1) 4M x 64 |
(1) 4M x 64 |
96MB |
(2) 4M x 36 |
(2) 4M x 36 |
(1) 4M x 64 |
None |
None |
96MB |
None |
(2) 4M x 36 |
(1) 4M x 64 |
(1) 4M x 64 |
None |
96MB |
(2) 4M x 36 |
None |
(1) 4M x 64 |
None |
(1) 4M x 64 |
128MB |
(2) 8M x 36 |
(2) 8M x 36 |
None |
None |
None |
128MB |
(2) 16M x 36 |
None |
None |
None |
None |
128MB |
None |
None |
(1) 8M x 64 |
(1) 8M x 64 |
None |
128MB |
None |
None |
(1) 8M x 64 |
None |
(1) 8M x 64 |
136MB |
(2) 16M x 36 |
(2) 1M x 36 |
None |
None |
None |
136MB |
(2) 8M x 36 |
(2) 8M x 36 |
(1) 1M x 64 |
None |
None |
136MB |
None |
(2) 8M x 36 |
(1) 1M x 64 |
(1) 8M x 64 |
None |
136MB |
(2) 8M x 36 |
None |
(1) 8M x 64 |
None |
(1) 1M x 64 |
144MB |
(2) 16M x 36 |
(2) 2M x 36 |
None |
None |
None |
144MB |
(2) 8M x 36 |
(2) 8M x 36 |
(1) 2M x 64 |
None |
None |
152MB |
None |
(2) 1M x 36 |
(1) 2M x 64 |
(1) 16M x 64 |
None |
160MB |
(2) 16M x 36 |
(2) 4M x 36 |
None |
None |
None |
160MB |
(2) 8M x 36 |
(2) 8M x 36 |
(1) 4M x 64 |
None |
None |
192MB |
(2) 16M x 36 |
(2) 8M x 36 |
None |
None |
None |
192MB |
None |
None |
(1) 8M x 64 |
None |
(1) 16M x 64 |
256MB |
(2) 16M x 36 |
(2) 16M x 36 |
None |
None |
None |
256MB |
None |
None |
(1) 16M x 64 |
None |
(1) 16M x 64 |
256MB |
(2) 16M x 36 |
None |
(1) 16M x 64 |
None |
None |
Note: Board accepts EDO memory. |
CACHE CONFIGURATION | ||
Size |
Bank 0 |
TAG |
256KB |
(2) 32K x 32 |
Unidentified |
512KB |
(2) 64K x 32 |
Unidentified |
CPU SPEED SELECTION (CX 6X86/6X86L) | ||||||
CPU speed |
Clock speed |
Multiplier |
SW2/1 |
SW2/2 |
SW2/3 |
SW2/4 |
133MHz |
55MHz |
2x |
On |
Off |
On |
On |
150MHz |
60MHz |
2x |
On |
Off |
On |
Off |
166MHz |
66MHz |
2x |
On |
Off |
Off |
Off |
CPU SPEED SELECTION (IBM 6X86/6X86L) | ||||||
CPU speed |
Clock speed |
Multiplier |
SW2/1 |
SW2/2 |
SW2/3 |
SW2/4 |
133MHz |
55MHz |
2x |
On |
Off |
On |
On |
150MHz |
60MHz |
2x |
On |
Off |
On |
Off |
166MHz |
66MHz |
2x |
On |
Off |
Off |
Off |
CPU SPEED SELECTION (CX 6X86MX) | ||||||
CPU speed |
Clock speed |
Multiplier |
SW2/1 |
SW2/2 |
SW2/3 |
SW2/4 |
166MHz |
60MHz |
2.5x |
On |
On |
On |
Off |
200MHz |
66MHz |
2.5x |
On |
On |
Off |
Off |
233MHz |
66MHz |
3x |
Off |
On |
Off |
Off |
CPU SPEED SELECTION (IBM 6X86MX) | ||||||
CPU speed |
Clock speed |
Multiplier |
SW2/1 |
SW2/2 |
SW2/3 |
SW2/4 |
166MHz |
60MHz |
2.5x |
On |
On |
On |
Off |
200MHz |
66MHz |
2.5x |
On |
On |
Off |
Off |
233MHz |
66MHz |
3x |
Off |
On |
Off |
Off |
CPU SPEED SELECTION (AM K5) | ||||||
CPU speed |
Clock speed |
Multiplier |
SW2/1 |
SW2/2 |
SW2/3 |
SW2/4 |
90MHz |
60MHz |
1.5x |
Off |
Off |
On |
Off |
100MHz |
66MHz |
1.5x |
Off |
Off |
Off |
Off |
120MHz |
60MHz |
1.5x |
Off |
Off |
On |
Off |
133MHz |
66MHz |
1.5x |
On |
Off |
Off |
Off |
150MHz |
60MHz |
1.75x |
On |
On |
On |
Off |
166MHz |
66MHz |
1.75x |
On |
On |
Off |
Off |
CPU SPEED SELECTION (AM K6) | ||||||
CPU speed |
Clock speed |
Multiplier |
SW2/1 |
SW2/2 |
SW2/3 |
SW2/4 |
166MHz |
66MHz |
2.5x |
On |
On |
Off |
Off |
200MHz |
66MHz |
3x |
Off |
On |
Off |
Off |
233MHz |
66MHz |
3.5x |
Off |
Off |
Off |
Off |
CPU SPEED SELECTION (INTEL) | ||||||
CPU speed |
Clock speed |
Multiplier |
SW2/1 |
SW2/2 |
SW2/3 |
SW2/4 |
90MHz |
60MHz |
1.5x |
Off |
Off |
On |
Off |
100MHz |
66MHz |
1.5x |
Off |
Off |
Off |
Off |
120MHz |
60MHz |
2x |
On |
Off |
On |
Off |
133MHz |
66MHz |
2x |
On |
Off |
Off |
Off |
150MHz |
60MHz |
2.5x |
On |
On |
On |
Off |
166MHz |
66MHz |
2.5x |
On |
On |
Off |
Off |
200MHz |
66MHz |
3x |
Off |
On |
Off |
Off |
233MHz |
66MHz |
3.5x |
Off |
Off |
Off |
Off |
CPU VOLTAGE SELECTION | ||||
Voltage |
SW1/1 |
SW1/2 |
SW1/3 |
SW1/4 |
2.5v |
On |
Off |
Off |
Off |
2.8v |
Off |
On |
Off |
Off |
2.9v |
Off |
Off |
On |
Off |
3.2v |
Off |
Off |
Off |
On |
3.3v |
Any setting |
Any setting |
Any setting |
Any setting |
3.5v |
Any setting |
Any setting |
Any setting |
Any setting |