GEMLIGHT COMPUTER, LTD.
GMB-P57SAX (VER. 1.10)
Processor |
CX 6X86/CX 6X86L/CX 6X86MX/AM K5/AM K6/Pentium |
Processor Speed |
90/100/120/133/150/166/200/233/266MHz |
Chip Set |
SIS |
Video Chip Set |
Unidentified |
Maximum Onboard Memory |
384MB (EDO supported) |
Maximum Video Memory |
Unidentified |
Cache |
512KB |
BIOS |
Award |
Dimensions |
304mm x 218mm |
I/O Options |
32-bit PCI slots (4), floppy drive interface, game port, IDE interfaces (2), parallel port, PS/2 mouse port, serial ports (2), IR connector, USB connectors (2), ATX power connector, wavetable connector, microphone in, line in, speaker out |
NPU Options |
None |
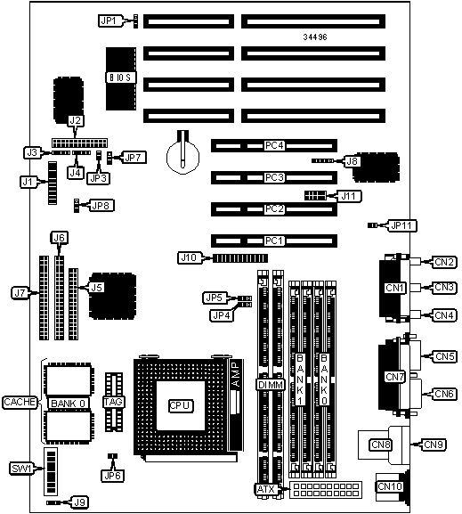
CONNECTIONS | |||
Purpose |
Location |
Purpose |
Location |
ATX power connector |
ATX |
Power switch |
J1/pins 7 & 8 |
Reset switch |
J1/pins 9 & 10 | ||
Game port |
CN1 |
Power LED & keylock |
J1/pins 11 - 15 |
Microphone in |
CN2 |
Speaker |
J1/pins 17 - 20 |
Line in |
CN3 |
Wavetable connector |
J2 |
Speaker out |
CN4 |
Audio in CD–ROM (Panasonic) |
J3 |
VGA port |
CN5 |
Audio in CD–ROM (Sony) |
J4 |
Serial port 1 |
CN6 |
Floppy drive interface |
J5 |
Parallel port |
CN7 |
IDE interface 1 |
J6 |
USB connector 1 |
CN8 |
IDE interface 2 |
J7 |
USB connector 2 |
CN9 |
IR connector |
J8 |
PS/2 mouse port |
CN10 |
Chassis fan power |
J9 |
IDE interface LED |
J1/pins 1 & 2 |
VGA feature connector |
J10 |
ACPI LED |
J1/pins 3 & 4 |
Serial port 2 |
J11 |
Power button |
J1/pins 5 & 6 |
32-bit PCI slots |
PCI – PC4 |
USER CONFIGURABLE SETTINGS | |||
Function |
Label |
Position | |
Flash BIOS voltage select 12v |
JP1 |
Pins 1 & 2 closed | |
Flash BIOS voltage select 5v |
JP1 |
Pins 2 & 3 closed | |
On board audio enabled |
JP3 |
Closed | |
On board audio disabled |
JP3 |
Open | |
» |
Factory configured - do not alter |
JP6 |
Open |
» |
Factory configured - do not alter |
JP7 |
Pins 2 & 3 closed |
» |
CMOS memory normal operation |
JP8 |
Pins 1 & 2 closed |
CMOS memory clear |
JP8 |
Pins 2 & 3 closed | |
Ring in enabled |
JP11 |
Open | |
Ring in disabled |
JP11 |
Closed |
DIMM/DRAM CONFIGURATION | ||||
Size |
Bank 0 |
Bank 1 |
Bank 2 |
Bank 3 |
8MB |
(2) 1M x 32 |
None |
None |
None |
8MB |
None |
None |
(1) 1M x 64 |
None |
16MB |
(2) 2M x 32 |
None |
None |
None |
16MB |
None |
None |
(1) 2M x 64 |
None |
16MB |
(2) 1M x 32 |
(2) 1M x 32 |
None |
None |
16MB |
(2) 1M x 32 |
None |
None |
(1) 1M x 64 |
16MB |
None |
None |
(1) 1M x 64 |
(1) 1M x 64 |
24MB |
None |
(2) 2M x 32 |
(1) 1M x 64 |
None |
32MB |
(2) 4M x 32 |
None |
None |
None |
32MB |
None |
None |
(1) 4M x 64 |
None |
32MB |
(2) 2M x 32 |
None |
None |
(1) 2M x 64 |
DIMM/DRAM CONFIGURATION (CON’T) | ||||
Size |
Bank 0 |
Bank 1 |
Bank 2 |
Bank 3 |
40MB |
(2) 4M x 32 |
(2) 1M x 32 |
None |
None |
40MB |
(2) 4M x 32 |
None |
None |
(1) 1M x 64 |
48MB |
(2) 2M x 32 |
None |
None |
(1) 4M x 64 |
48MB |
(2) 4M x 32 |
(2) 2M x 32 |
None |
None |
48MB |
(2) 4M x 32 |
None |
None |
(1) 2M x 64 |
64MB |
(2) 8M x 32 |
None |
None |
None |
64MB |
None |
None |
None |
(1) 8M x 64 |
64MB |
(2) 4M x 32 |
(2) 4M x 32 |
None |
None |
64MB |
(2) 4M x 32 |
None |
None |
(1) 4M x 64 |
72MB |
(2) 8M x 32 |
(2) 1M x 32 |
None |
None |
72MB |
(2) 8M x 32 |
None |
None |
(1) 1M x 64 |
80MB |
(2) 2M x 32 |
None |
None |
(1) 8M x 64 |
80MB |
(2) 8M x 32 |
(2) 2M x 32 |
None |
None |
80MB |
(2) 8M x 32 |
None |
None |
(1) 2M x 64 |
96MB |
(2) 4M x 32 |
None |
None |
(1) 8M x 64 |
96MB |
(2) 8M x 32 |
(2) 4M x 32 |
None |
None |
96MB |
(2) 8M x 32 |
None |
None |
(1) 4M x 64 |
128MB |
(2) 16M x 32 |
None |
None |
None |
128MB |
(2) 8M x 32 |
(2) 8M x 32 |
None |
None |
128MB |
(2) 8M x 32 |
None |
None |
(1) 8M x 64 |
136MB |
(2) 16M x 32 |
(2) 1M x 32 |
None |
None |
144MB |
(2) 16M x 32 |
(2) 2M x 32 |
None |
None |
144MB |
None |
(2) 16M x 32 |
None |
(1) 2M x 64 |
160MB |
(2) 16M x 32 |
(2) 4M x 32 |
None |
None |
160MB |
None |
(2) 16M x 32 |
None |
(1) 4M x 64 |
192MB |
(2) 16M x 32 |
(2) 8M x 32 |
None |
None |
192MB |
None |
(2) 16M x 32 |
None |
(1) 8M x 64 |
256MB |
(2) 16M x 32 |
(2) 16M x 32 |
None |
None |
264MB |
(2) 16M x 32 |
(2) 16M x 32 |
None |
(1) 1M x 64 |
384MB |
None |
(2) 16M x 32 |
(1) 16M x 64 |
(1) 16M x 64 |
Note: Board accepts EDO memory. |
CACHE CONFIGURATION | ||
Size |
Bank 0 |
TAG |
512KB |
(2) 64K x 32 |
Unidentified |
CPU SPEED SELECTION (CX 6X86) | ||||||||
CPU speed |
Clock speed |
Multiplier |
SW1/3 |
SW1/4 |
SW1/5 |
SW1/6 |
SW1/7 |
SW1/8 |
133MHz |
55MHz |
2x |
On |
Off |
Off |
On |
On |
Off |
150MHz |
60MHz |
2x |
On |
Off |
Off |
On |
Off |
Off |
CPU SPEED SELECTION (CX 6X86L/MX) | ||||||||
CPU speed |
Clock speed |
Multiplier |
SW1/3 |
SW1/4 |
SW1/5 |
SW1/6 |
SW1/7 |
SW1/8 |
166MHz |
66MHz |
2x |
On |
Off |
Off |
Off |
Off |
Off |
200MHz |
75MHz |
2x |
On |
Off |
Off |
Off |
On |
Off |
CPU SPEED SELECTION (AM K5) | ||||||||
CPU speed |
Clock speed |
Multiplier |
SW1/3 |
SW1/4 |
SW1/5 |
SW1/6 |
SW1/7 |
SW1/8 |
90MHz |
60MHz |
1.5x |
Off |
Off |
Off |
On |
Off |
Off |
100MHz |
66MHz |
1.5x |
Off |
Off |
Off |
Off |
Off |
Off |
120MHz |
60MHz |
1.5x |
Off |
Off |
Off |
On |
Off |
Off |
133MHz |
66MHz |
2x |
On |
Off |
Off |
Off |
Off |
Off |
150MHz |
60MHz |
1.5x |
Off |
Off |
Off |
Off |
Off |
Off |
166MHz |
66MHz |
2.5x |
On |
On |
Off |
Off |
Off |
Off |
CPU SPEED SELECTION (AM K6) | ||||||||
CPU speed |
Clock speed |
Multiplier |
SW1/3 |
SW1/4 |
SW1/5 |
SW1/6 |
SW1/7 |
SW1/8 |
166MHz |
66MHz |
2.5x |
On |
On |
Off |
Off |
Off |
Off |
200MHz |
66MHz |
3x |
Off |
On |
Off |
Off |
Off |
Off |
233MHz |
66MHz |
3.5x |
Off |
Off |
Off |
Off |
Off |
Off |
266MHz |
66MHz |
4x |
Off |
Off |
On |
Off |
Off |
Off |
CPU SPEED SELECTION (INTEL) | ||||||||
CPU speed |
Clock speed |
Multiplier |
SW1/3 |
SW1/4 |
SW1/5 |
SW1/6 |
SW1/7 |
SW1/8 |
90MHz |
60MHz |
1.5x |
Off |
Off |
Off |
On |
Off |
Off |
100MHz |
66MHz |
1.5x |
Off |
Off |
Off |
Off |
Off |
Off |
120MHz |
60MHz |
2x |
On |
Off |
Off |
On |
Off |
Off |
133MHz |
66MHz |
2x |
On |
Off |
Off |
Off |
Off |
Off |
150MHz |
60MHz |
2.5x |
On |
On |
Off |
On |
Off |
Off |
166MHz |
66MHz |
2.5x |
On |
On |
Off |
Off |
Off |
Off |
200MHz |
66MHz |
3x |
Off |
On |
Off |
Off |
Off |
Off |
233MHz |
66MHz |
3.5x |
Off |
Off |
Off |
Off |
Off |
Off |
CPU TYPE SELECTION | ||
Type |
SW1/1 |
SW1/2 |
CX 6X86 |
On |
On |
CX 6X86L |
Off |
Off |
CX 6X86MX |
Off |
Off |
AM K5 |
On |
On |
AM K6-166/200 |
On |
Off |
AM K6-233/266 |
Off |
Off |
P54C |
On |
Off |
P55C |
Off |
Off |
ON BOARD VGA SELECTION | ||
Setting |
JP4 |
JP5 |
Enabled |
Pins 2 & 3 closed |
Pins 1 & 2 closed |
Disabled |
Pins 1 & 2 closed |
Pins 2 & 3 closed |