FIRST INTERNATIONAL COMPUTER, INC.

KN-6010

Processor

Pentium II

Processor Speed

233/266/300/333MHz

Chip Set

Intel

Video Chip Set

None

Maximum Onboard Memory

768MB (EDO supported)

Maximum Video Memory

None

Cache

256/512KB (located on Pentium II CPU)

BIOS

Award

Dimensions

330mm x 218mm

I/O Options

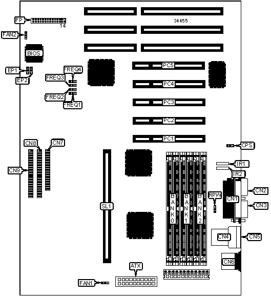
32-bit PCI slots (5), floppy drive interface, green PC connector, IDE interfaces (2), parallel port, PS/2 mouse interface, serial ports (2), IR connectors (2), USB connectors (2), ATX power connector, CPU Slot 1

NPU Options

None

CONNECTIONS

Purpose

Location

Purpose

Location

ATX power connector

ATX

Power LED & keylock

FP/pins 1 - 5

Parallel port

CN1

Speaker

FP/pins 7 - 10

Serial port 1

CN2

Reset switch

FP/pins 12 & 13

Serial port 2

CN3

Turbo LED

FP/pins 15 & 16

USB connector 1

CN4

Turbo switch

FP/pins 18 & 19

USB connector 2

CN5

IDE interface LED

FP/pins 21 & 22

PS/2 mouse port

CN6

IR connector

IR1

Floppy drive interface

CN7

IR connector (fast)

IR2

IDE interface 1

CN8

32-bit PCI slots

PC1 – PC5

IDE interface 2

CN9

Remote power connector

RPW

CPU fan power

FAN1

CPU Slot 1

SL1

Chassis fan power

FAN2

   

USER CONFIGURABLE SETTINGS

Function

Label

Position

»

Password normal operation

CPS

Open

 

Password clear

CPS

Closed

DRAM CONFIGURATION

Size

Bank 0

Bank 1

Bank 2

8MB

(2) 1M x 36

None

None

16MB

(2) 1M x 36

(2) 1M x 36

None

16MB

(2) 2M x 36

None

None

24MB

(2) 2M x 36

(2) 1M x 36

None

24MB

(2) 1M x 36

(2) 1M x 36

(2) 1M x 36

32MB

(2) 4M x 36

None

None

32MB

(2) 2M x 36

(2) 2M x 36

None

40MB

(2) 4M x 36

(2) 1M x 36

None

48MB

(2) 4M x 36

(2) 2M x 36

None

48MB

(2) 4M x 36

(2) 1M x 36

(2) 1M x 36

64MB

(2) 8M x 36

None

None

64MB

(2) 4M x 36

(2) 4M x 36

None

80MB

(2) 8M x 36

(2) 2M x 36

None

80MB

(2) 8M x 36

(2) 1M x 36

(2) 1M x 36

96MB

(2) 8M x 36

(2) 4M x 36

None

96MB

(2) 4M x 36

(2) 4M x 36

(2) 4M x 36

96MB

(2) 8M x 36

(2) 2M x 36

(2) 2M x 36

128MB

(2) 8M x 36

(2) 4M x 36

(2) 4M x 36

128MB

(2) 16M x 36

None

None

128MB

(2) 8M x 36

(2) 8M x 36

None

136MB

(2) 8M x 36

(2) 8M x 36

(2) 1M x 36

136MB

(2) 16M x 36

(2) 1M x 36

None

144MB

(2) 16M x 36

(2) 2M x 36

None

144MB

(2) 16M x 36

(2) 1M x 36

(2) 1M x 36

DRAM CONFIGURATION (CON’T)

Size

Bank 0

Bank 1

Bank 2

152MB

(2) 16M x 36

(2) 2M x 36

(2) 1M x 36

160MB

(2) 16M x 36

(2) 4M x 36

None

160MB

(2) 16M x 36

(2) 2M x 36

(2) 2M x 36

168MB

(2) 16M x 36

(2) 4M x 36

(2) 1M x 36

176MB

(2) 16M x 36

(2) 4M x 36

(2) 2M x 36

192MB

(2) 16M x 36

(2) 8M x 36

None

192MB

(2) 16M x 36

(2) 4M x 36

(2) 4M x 36

208MB

(2) 16M x 36

(2) 8M x 36

(2) 2M x 36

224MB

(2) 16M x 36

(2) 8M x 36

(2) 4M x 36

256MB

(2) 16M x 36

(2) 16M x 36

None

256MB

(2) 16M x 36

(2) 8M x 36

(2) 8M x 36

264MB

(2) 16M x 36

(2) 16M x 36

(2) 1M x 36

272MB

(2) 16M x 36

(2) 16M x 36

(2) 2M x 36

288MB

(2) 16M x 36

(2) 16M x 36

(2) 4M x 36

320MB

(2) 16M x 36

(2) 16M x 36

(2) 8M x 36

384MB

(2) 16M x 36

(2) 16M x 36

(2) 16M x 36

256MB

(2) 32M x 36

None

None

264MB

(2) 32M x 36

(2) 1M x 36

None

272MB

(2) 32M x 36

(2) 2M x 36

None

288MB

(2) 32M x 36

(2) 4M x 36

None

320MB

(2) 32M x 36

(2) 8M x 36

None

384MB

(2) 32M x 36

(2) 16M x 36

None

512MB

(2) 32M x 36

(2) 32M x 36

None

520MB

(2) 32M x 36

(2) 32M x 36

(2) 1M x 36

528MB

(2) 32M x 36

(2) 32M x 36

(2) 2M x 36

544MB

(2) 32M x 36

(2) 32M x 36

(2) 4M x 36

576MB

(2) 32M x 36

(2) 32M x 36

(2) 8M x 36

640MB

(2) 32M x 36

(2) 32M x 36

(2) 16M x 36

768MB

(2) 32M x 36

(2) 32M x 36

(2) 32M x 36

Note: Board accepts EDO memory.

CACHE CONFIGURATION

Note: 256KB/512KB cache is located on the Pentium II CPU.

CPU SPEED SELECTION

CPU speed

Clock speed

Multiplier

FREQ1

FREQ2

FREQ3

FREQ4

233MHz

66MHz

3.5x

Open

Open

Closed

Closed

266MHz

66MHz

4x

Closed

Closed

Open

Closed

300MHz

66MHz

4.5x

Open

Closed

Open

Closed

333MHz

66MHz

5x

Closed

Open

Open

Closed

Note: Pins designated should be in the closed position.

1MB FLASH BIOS SELECTION

Type

EP1

EP2

Intel

Pins 1 & 2 closed

Pins 1 & 2 closed

SST 29EE010

Pins 2 & 3 closed

Open

2MB FLASH BIOS SELECTION

Type

EP1

EP2

AMD AM29F002T

Pins 2 & 3 closed

Pins 2 & 3 closed

ATMEL AT29C020

Pins 2 & 3 closed

Pins 2 & 3 closed

MXIC MX28F2000P

Pins 1 & 2 closed

Pins 2 & 3 closed

SST 29EE020

Pins 2 & 3 closed

Pins 2 & 3 closed