FIRST INTERNATIONAL COMPUTER, INC.
PA-2010
Processor |
CX M1/IBM/AM K5/Pentium |
Processor Speed |
75/90/100/120/133/150/166/187/200/225MHz |
Chip Set |
Unidentified |
Video Chip Set |
None |
Maximum Onboard Memory |
512MB (EDO supported) |
Maximum Video Memory |
None |
Cache |
256/512/1024KB |
BIOS |
Unidentified |
Dimensions |
305mm x 244mm |
I/O Options |
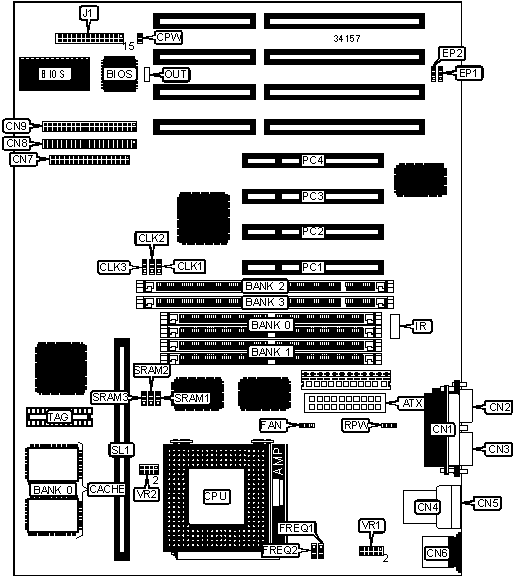
32-bit PCI slots (4), floppy drive interface, green PC connector, IDE interfaces (2), parallel port, PS/2 mouse port, serial ports (2), cache slot, IR connector, USB connectors (2), ATX power connector |
NPU Options |
None |
CONNECTIONS | |||
Purpose |
Location |
Purpose |
Location |
ATX power connector |
ATX |
Power LED & keylock |
J1 pins 1 - 5 |
Parallel port |
CN1 |
Turbo LED |
J1 pins 7 & 8 |
Serial port 2 |
CN2 |
Green PC connector |
J1 pins 10 & 11 |
Serial port 1 |
CN3 |
Green PC LED |
J1 pins 13 & 14 |
USB connector 1 |
CN4 |
Speaker |
J1 pins 15 - 18 |
USB connector 2 |
CN5 |
IDE interface LED |
J1 pins 20 & 21 |
PS/2 mouse port |
CN6 |
Remote power switch |
J1 pins 23 & 24 |
Floppy drive interface |
CN7 |
Reset switch |
J1 pins 27 & 28 |
IDE interface 1 |
CN8 |
Outlet connector |
OUT |
IDE interface 2 |
CN9 |
32-bit PCI slots |
PC1 – PC4 |
Chassis fan power |
FAN |
Remote power switch |
RPW |
IR connector |
IR |
Cache slot |
SL1 |
USER CONFIGURABLE SETTINGS | |||
Function |
Label |
Position | |
» |
Password normal operation |
CPW |
Open |
Password clear |
CPW |
Closed |
DIMM/DRAM CONFIGURATION | ||||
Size |
Bank 0 |
Bank 1 |
Bank 2 |
Bank 3 |
8MB |
(2) 1M x 36 |
None |
None |
None |
8MB |
None |
None |
(1) 1M x 64 |
None |
16MB |
(2) 2M x 36 |
None |
None |
None |
16MB |
None |
None |
(1) 2M x 64 |
None |
24MB |
(2) 1M x 36 |
None |
(1) 1M x 64 |
(1) 1M x 64 |
24MB |
(2) 1M x 36 |
(2) 1M x 36 |
(1) 1M x 64 |
None |
32MB |
(2) 2M x 36 |
None |
(1) 1M x 64 |
(1) 1M x 64 |
32MB |
(2) 4M x 36 |
None |
None |
None |
32MB |
None |
None |
(1) 4M x 64 |
None |
40MB |
(2) 1M x 36 |
None |
(1) 2M x 64 |
(1) 2M x 64 |
40MB |
(2) 2M x 36 |
(2) 2M x 36 |
(1) 1M x 64 |
None |
48MB |
(2) 1M x 36 |
(2) 1M x 36 |
(1) 4M x 64 |
None |
48MB |
(2) 2M x 36 |
None |
(1) 2M x 64 |
(1) 2M x 64 |
48MB |
(2) 2M x 36 |
(2) 2M x 36 |
(1) 2M x 64 |
None |
48MB |
(2) 4M x 36 |
None |
(1) 1M x 64 |
(1) 1M x 64 |
64MB |
(2) 2M x 36 |
(2) 2M x 36 |
(1) 4M x 64 |
None |
64MB |
(2) 4M x 36 |
None |
(1) 2M x 64 |
(1) 2M x 64 |
64MB |
(2) 8M x 36 |
None |
None |
None |
DIMM/DRAM CONFIGURATION (CON’T) | ||||
Size |
Bank 0 |
Bank 1 |
Bank 2 |
Bank 3 |
72MB |
(2) 1M x 36 |
None |
(1) 4M x 64 |
(1) 4M x 64 |
72MB |
(2) 4M x 36 |
(2) 4M x 36 |
(1) 1M x 64 |
None |
80MB |
(2) 1M x 36 |
(2) 1M x 36 |
(1) 8M x 64 |
None |
80MB |
(2) 2M x 36 |
None |
(1) 4M x 64 |
(1) 4M x 64 |
80MB |
(2) 4M x 36 |
(2) 4M x 36 |
(1) 2M x 64 |
None |
80MB |
(2) 8M x 36 |
None |
(1) 1M x 64 |
(1) 1M x 64 |
96MB |
(2) 2M x 36 |
(2) 2M x 36 |
(1) 8M x 64 |
None |
96MB |
(2) 4M x 36 |
None |
(1) 4M x 64 |
(1) 4M x 64 |
96MB |
(2) 4M x 36 |
(2) 4M x 36 |
(1) 4M x 64 |
None |
96MB |
(2) 8M x 36 |
None |
(1) 2M x 64 |
(1) 2M x 64 |
96MB |
(2) 4M x 36 |
(2) 4M x 36 |
(1) 4M x 64 |
None |
96MB |
(2) 8M x 36 |
None |
(1) 4M x 64 |
None |
128MB |
(2) 16M x 36 |
None |
None |
None |
128MB |
None |
None |
(1) 8M x 64 |
(1) 8M x 64 |
136MB |
(2) 1M x 36 |
None |
(1) 8M x 64 |
(1) 8M x 64 |
144MB |
(2) 2M x 36 |
None |
(1) 8M x 64 |
(1) 8M x 64 |
160MB |
(2) 16M x 36 |
None |
(1) 2M x 64 |
(1) 2M x 64 |
160MB |
(2) 4M x 36 |
None |
(1) 8M x 64 |
(1) 8M x 64 |
192MB |
(2) 8M x 36 |
None |
(1) 8M x 64 |
(1) 8M x 64 |
192MB |
(2) 16M x 36 |
None |
(1) 4M x 64 |
(1) 4M x 64 |
256MB |
(2) 16M x 36 |
None |
(1) 8M x 64 |
(1) 8M x 64 |
264MB |
(2) 16M x 36 |
(2) 16M x 36 |
(1) 1M x 64 |
None |
272MB |
(2) 16M x 36 |
(2) 16M x 36 |
(1) 2M x 64 |
None |
288MB |
(2) 16M x 36 |
(2) 16M x 36 |
(1) 4M x 64 |
None |
288MB |
(2) 32M x 36 |
None |
(1) 2M x 64 |
(1) 2M x 64 |
320MB |
(2) 32M x 36 |
None |
(1) 4M x 64 |
(1) 4M x 64 |
384MB |
(2) 32M x 36 |
None |
(1) 8M x 64 |
(1) 8M x 64 |
512MB |
(2) 32M x 36 |
(2) 32M x 36 |
None |
None |
Note: Board accepts EDO memory. |
CACHE CONFIGURATION | |||
Size |
Bank 0 |
SL1 |
TAG |
256KB (A) |
(4) 32K x 8 |
Not installed |
(1) 16K/32K x 8 |
512KB (A) |
(2) 64K x 32 |
Not installed |
(1) 16K/32K x 8 |
512KB (B) |
(4) 32K x 8 |
256KB module installed |
(1) 16K/32K x 8 |
1MB |
(2) 64K x 32 |
512KB module installed |
(1) 32K x 8 |
CACHE JUMPER CONFIGURATION | ||
Size |
SRAM1 |
SRAM2 |
256KB (A) |
Pins 1 & 2 closed |
Pins 1 & 2 closed |
512KB (A) |
Pins 2 & 3 closed |
Pins 1 & 2 closed |
512KB (B) |
Pins 2 & 3 closed |
Pins 1 & 2 closed |
1MB |
Pins 2 & 3 closed |
Pins 2 & 3 closed |
CACHE CONFIGURATION | ||
Type |
SRAM3 | |
» |
Intel burst |
Pins 1 & 2 closed |
Linear burst |
Pins 2 & 3 closed |
CPU SPEED SELECTION (CYRIX M1) | |||||||
CPU speed |
Clock speed |
Multiplier |
CLK1 |
CLK2 |
CLK3 |
FREQ1 |
FREQ2 |
120MHz |
50MHz |
2x |
2 & 3 |
2 & 3 |
2 & 3 |
2 & 3 |
1 & 2 |
133MHz |
55MHz |
2x |
2 & 3 |
2 & 3 |
1 & 2 |
2 & 3 |
1 & 2 |
150MHz |
60MHz |
2x |
1 & 2 |
2 & 3 |
2 & 3 |
2 & 3 |
1 & 2 |
166MHz |
66MHz |
2x |
2 & 3 |
1 & 2 |
2 & 3 |
2 & 3 |
1 & 2 |
200MHz |
75MHz |
2x |
1 & 2 |
2 & 3 |
1 & 2 |
2 & 3 |
1 & 2 |
Note: Pins designated should be in the closed position. |
CPU SPEED SELECTION (CYRIX M2) | |||||||
CPU speed |
Clock speed |
Multiplier |
CLK1 |
CLK2 |
CLK3 |
FREQ1 |
FREQ2 |
150MHz |
60MHz |
2.5x |
1 & 2 |
2 & 3 |
2 & 3 |
2 & 3 |
2 & 3 |
166MHz |
66MHz |
2.5x |
2 & 3 |
1 & 2 |
2 & 3 |
2 & 3 |
2 & 3 |
180MHz |
60MHz |
3x |
1 & 2 |
2 & 3 |
2 & 3 |
1 & 2 |
2 & 3 |
187MHz |
75MHz |
2.5x |
1 & 2 |
2 & 3 |
1 & 2 |
2 & 3 |
1 & 2 |
200MHz |
66MHz |
3.5x |
2 & 3 |
1 & 2 |
2 & 3 |
1 & 2 |
1 & 2 |
225MHz |
75MHz |
3x |
1 & 2 |
2 & 3 |
1 & 2 |
1 & 2 |
2 & 3 |
Note: Pins designated should be in the closed position. |
CPU SPEED SELECTION (IBM M1) | |||||||
CPU speed |
Clock speed |
Multiplier |
CLK1 |
CLK2 |
CLK3 |
FREQ1 |
FREQ2 |
120MHz |
50MHz |
2x |
2 & 3 |
2 & 3 |
2 & 3 |
2 & 3 |
1 & 2 |
133MHz |
55MHz |
2x |
2 & 3 |
2 & 3 |
1 & 2 |
2 & 3 |
1 & 2 |
150MHz |
60MHz |
2x |
1 & 2 |
2 & 3 |
2 & 3 |
2 & 3 |
1 & 2 |
166MHz |
66MHz |
2x |
2 & 3 |
1 & 2 |
2 & 3 |
2 & 3 |
1 & 2 |
200MHz |
75MHz |
2x |
1 & 2 |
2 & 3 |
1 & 2 |
2 & 3 |
1 & 2 |
Note: Pins designated should be in the closed position. |
CPU SPEED SELECTION (IBM M2) | |||||||
CPU speed |
Clock speed |
Multiplier |
CLK1 |
CLK2 |
CLK3 |
FREQ1 |
FREQ2 |
150MHz |
60MHz |
2.5x |
1 & 2 |
2 & 3 |
2 & 3 |
2 & 3 |
2 & 3 |
166MHz |
66MHz |
2.5x |
2 & 3 |
1 & 2 |
2 & 3 |
2 & 3 |
2 & 3 |
180MHz |
60MHz |
3x |
1 & 2 |
2 & 3 |
2 & 3 |
1 & 2 |
2 & 3 |
187MHz |
75MHz |
2.5x |
1 & 2 |
2 & 3 |
1 & 2 |
2 & 3 |
1 & 2 |
200MHz |
66MHz |
3.5x |
2 & 3 |
1 & 2 |
2 & 3 |
1 & 2 |
1 & 2 |
225MHz |
75MHz |
3x |
1 & 2 |
2 & 3 |
1 & 2 |
1 & 2 |
2 & 3 |
Note: Pins designated should be in the closed position. |
CPU SPEED SELECTION (AMD) | |||||||
CPU speed |
Clock speed |
Multiplier |
CLK1 |
CLK2 |
CLK3 |
FREQ1 |
FREQ2 |
75MHz |
50MHz |
1.5x |
2 & 3 |
2 & 3 |
2 & 3 |
1 & 2 |
1 & 2 |
90MHz |
60MHz |
1.5x |
1 & 2 |
2 & 3 |
2 & 3 |
1 & 2 |
1 & 2 |
100MHz |
66MHz |
1.5x |
2 & 3 |
1 & 2 |
2 & 3 |
1 & 2 |
1 & 2 |
120MHz |
60MHz |
1.5x |
1 & 2 |
2 & 3 |
2 & 3 |
1 & 2 |
1 & 2 |
133MHz |
66MHz |
1.5x |
2 & 3 |
1 & 2 |
2 & 3 |
1 & 2 |
1 & 2 |
150MHz |
60MHz |
1.75x |
1 & 2 |
2 & 3 |
2 & 3 |
2 & 3 |
2 & 3 |
166MHz |
66MHz |
1.75x |
2 & 3 |
1 & 2 |
2 & 3 |
2 & 3 |
2 & 3 |
200MHz |
66MHz |
2x |
2 & 3 |
1 & 2 |
2 & 3 |
2 & 3 |
1 & 2 |
Note: Pins designated should be in the closed position. |
CPU SPEED SELECTION (INTEL) | |||||||
CPU speed |
Clock speed |
Multiplier |
CLK1 |
CLK2 |
CLK3 |
FREQ1 |
FREQ2 |
75MHz |
50MHz |
1.5x |
2 & 3 |
2 & 3 |
2 & 3 |
1 & 2 |
1 & 2 |
90MHz |
60MHz |
1.5x |
1 & 2 |
2 & 3 |
2 & 3 |
1 & 2 |
1 & 2 |
100MHz |
66MHz |
1.5x |
2 & 3 |
1 & 2 |
2 & 3 |
1 & 2 |
1 & 2 |
120MHz |
60MHz |
2x |
1 & 2 |
2 & 3 |
2 & 3 |
2 & 3 |
1 & 2 |
133MHz |
66MHz |
2x |
2 & 3 |
1 & 2 |
2 & 3 |
2 & 3 |
1 & 2 |
150MHz |
60MHz |
2.5x |
1 & 2 |
2 & 3 |
2 & 3 |
2 & 3 |
2 & 3 |
166MHz |
66MHz |
2.5x |
2 & 3 |
1 & 2 |
2 & 3 |
2 & 3 |
2 & 3 |
200MHz |
66MHz |
3x |
2 & 3 |
1 & 2 |
2 & 3 |
1 & 2 |
2 & 3 |
Note: Pins designated should be in the closed position. |
CPU VOLTAGE SELECTION (SINGLE) | ||
Voltage |
VR1 |
VR2 |
3.3v |
Pins 3 & 4 closed |
Pins 1 & 2, 3 & 4 closed |
3.4v – 3.6v |
Pins 1 & 2 closed |
Pins 1 & 2, 3 & 4 closed |
CPU VOLTAGE SELECTION (DUAL) | |||
Voltage |
V core |
VR1 |
VR2 |
3.3v |
2.5v |
Pins 9 & 10 closed |
Pins 5 & 6, 7 & 8 closed |
3.3v |
2.8v |
Pins 7 & 8 closed |
Pins 5 & 6, 7 & 8 closed |
3.3v |
2.9v |
Pins 5 & 6 closed |
Pins 5 & 6, 7 & 8 closed |
FLASH BIOS SELECTION | ||
Setting |
EP1 |
EP2 |
AMD AM29F002T |
Pins 1 & 2 closed |
Pins 2 & 3 closed |
ATMEL AT29C020 |
Open |
Pins 2 & 3 closed |
Intel 28F001 |
Pins 1 & 2 closed |
Pins 2 & 3 closed |
MXIC MX28F2000P |
Pins 2 & 3 closed |
Pins 2 & 3 closed |
SST 29EE020 (1M) |
Pins 2 & 3 closed |
Open |
SST 29EE020 (2M) |
Open |
Pins 2 & 3 closed |