HEWLETT-PACKARD COMPANY
HP NETSERVER LF
Processor |
80486DX4/Pentium |
Processor Speed |
66MHz Pentium/100(internal)MHz 80486DX4 |
Chip Set |
Hewlett Packard |
Max. Onboard DRAM |
136MB (80486DX4) or 192MB (Pentium) |
Cache |
256KB (non-configurable, location unknown) |
BIOS |
Phoenix |
Dimensions |
330mm x 218mm |
I/O Options |
CPU card slot, floppy drive interface, IDE interface, parallel port, serial ports (2), SCSI ports (2), VGA port |
NPU Options |
None |
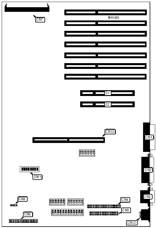
CONNECTIONS | |||
Purpose |
Location |
Purpose |
Location |
External SCSI interface |
CN1 |
15-pin analog video port |
CN9 |
Parallel port |
CN2 |
Serial port 1 |
CN10 |
Serial port 2 |
CN3 |
Bus mouse port |
CN11 |
IDE interface |
CN4 |
Keyboard connector |
CN12 |
Floppy drive interface |
CN5 |
CPU card slot |
CN13 |
Control panel cable connector |
CN6 |
PCI slot |
S1 |
Internal SCSI interface |
CN7 |
PCI slot |
S2 |
Clock battery connector |
CN8 |
USER CONFIGURABLE SETTINGS | |||
Function |
Switch |
Position | |
» |
BIOS configurable select |
SW1/1 |
On |
BIOS not configurable |
SW1/1 |
Off | |
» |
Factory configured-do not alter |
SW1/2 |
On |
» |
Current system CMOS & NVRAM save configuration |
SW1/3 |
On |
Current system CMOS & NVRAM erase configuration |
SW1/3 |
Off | |
» |
Current system CMOS & NVRAM configurable |
SW1/4 |
On |
Current system CMOS & NVRAM not configurable |
SW1/4 |
Off | |
» |
Password enabled |
SW1/5 |
On |
Password clear |
SW1/5 |
Off | |
» |
SMI interrupt disabled |
SW1/6 |
Off |
SMI interrupt enabled |
SW1/6 |
On | |
» |
I/O controller enabled |
SW1/7 |
On |
I/O controller disabled |
SW1/7 |
Off | |
» |
Onboard video adapter enabled |
SW1/8 |
On |
Onboard video adapter disabled |
SW1/8 |
Off |
DRAM CONFIGURATION 80486 PROCESSOR BOARD | |||
Size |
Bank 0 |
Bank 1 |
Bank 2 |
8MB |
(2) 1M x 36 |
NONE |
NONE |
16MB |
(2) 1M x 36 |
(2) 1M x 36 |
NONE |
24MB |
(2) 1M x 36 |
(2) 1M x 36 |
(2) 1M x 36 |
40MB |
(2) 1M x 36 |
(2) 4M x 36 |
NONE |
74MB |
(2) 1M x 36 |
(2) 4M x 36 |
(2) 4M x 36 |
136MB |
(2) 1M x 36 |
(2) 16M x 36 |
NONE |
DRAM CONFIGURATION PENTIUM PROCESSOR BOARD | |||
Size |
Bank 0 |
Bank 1 |
Bank 2 |
16MB |
(2) 2M x 36 |
NONE |
NONE |
32MB |
(2) 2M x 36 |
(2) 2M x 36 |
NONE |
32MB |
(2) 4M x 36 |
NONE |
NONE |
48MB |
(2) 2M x 36 |
(2) 2M x 36 |
(2) 2M x 36 |
48MB |
(2) 2M x 36 |
(2) 4M x 36 |
NONE |
64MB |
(2) 2M x 36 |
(2) 2M x 36 |
(2) 4M x 36 |
80MB |
(2) 2M x 36 |
(2) 4M x 36 |
(2) 4M x 36 |
96MB |
(2) 4M x 36 |
(2) 4M x 36 |
(2) 4M x 36 |
128MB |
(2) 16M x 36 |
NONE |
NONE |
144MB |
(2) 16M x 36 |
(2) 2M x 36 |
NONE |
160MB |
(2) 16M x 36 |
(2) 2M x 36 |
(2) 2M x 36 |
160MB |
(2) 16M x 36 |
(2) 4M x 36 |
NONE |
192MB |
(2) 16M x 36 |
(2) 4M x 36 |
(2) 4M x 36 |